E
EPC Data

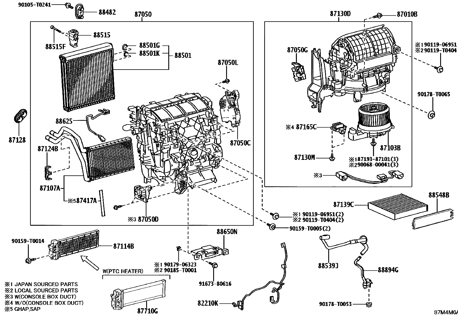
HEATING & AIR CONDITIONING - COOLER UNIT

Parts diagram
82210KHARNESS ASSY, AIR CONDITIONER
main82212-0K040i202408
main82212-0K050i202408
FRONT AIR CONDITIONER-AUTO; TOYOTA STOP & START SYSTEM-WITH&FRONT AIR CONDITIONER-AUTO
main82212-0K060i202408
FRONT AIR CONDITIONER-AUTO; FRONT AIR CONDITIONER-MANUAL(DOP - DEALERSHIP INSTALL)
main82212-0K070i202408
ACCESSORY CONNECTOR(NO.1)-12V:2 & USB SOCKET(REAR); FRONT AIR CONDITIONER-AUTO(DOP - DEALERSHIP INSTALL); GR SPORT WIDE TREAD&SEAT COVER MATERIAL-SUEDE & LEATHER(FOR GR SPORT); HEATER CONTROL PANEL-AUTO AIR CONDITIONER(DOP)&FRONT AIR CONDITIONER-AUTO(DOP - DEALERSHIP INSTALL); MLM ADVENTURE PACKAGE&FRONT AIR CONDITIONER-AUTO&SEAT COVER MATERIAL-NATURAL LEATHER; MLM ADVENTURE PACKAGE&SEAT COVER MATERIAL-NATURAL LEATHER; MLM ADVENTURE PACKAGE&SEAT COVER MATERIAL-NATURAL LEATHER&ACCESSORY CONNECTOR(NO.1)-12V:2 & USB SOCKET(REAR); MLM ADVENTURE WIDE TREAD&SEAT COVER MATERIAL-NATURAL LEATHER
87010BSCREW(FOR AIR CONDITIONER UNIT)
main90068-00042×2i202408
FRONT AIR CONDITIONER-AUTO(DOP - DEALERSHIP INSTALL); FRONT AIR CONDITIONER-MANUAL(DOP - DEALERSHIP INSTALL); HEATER CONTROL PANEL-AUTO AIR CONDITIONER(DOP)&FRONT AIR CONDITIONER-AUTO(DOP - DEALERSHIP INSTALL)
main90094-90426×2i202411
FRONT AIR CONDITIONER-MANUAL(DOP - DEALERSHIP INSTALL)
main90099-00968×2i202409
87050RADIATOR ASSY, AIR CONDITIONER
main87050-0K560i202408
main87050-0KC70i202408
main87050-0KC80i202408
main87050-0KC90i202408-202411
main87050-0KD10i202408
FRONT AIR CONDITIONER-MANUAL; FRONT AIR CONDITIONER-MANUAL(DOP - DEALERSHIP INSTALL); FRONT AIR CONDITIONER-MANUAL(DOP - PLANT INSTALL); HEATER CONTROL PANEL-MANUAL AIR CONDITIONER&FRONT AIR CONDITIONER-MANUAL
main87050-0KD20i202408
ASIA COLD COUNTRY SPEC; ASIA COLD COUNTRY SPEC&FRONT AIR CONDITIONER-MANUAL
main87050-0KE90i202411
FRONT AIR CONDITIONER-MANUAL(DOP - DEALERSHIP INSTALL); FRONT AIR CONDITIONER-MANUAL(DOP - PLANT INSTALL)
main87050-0KF30i202411
main87050-0KG20i202411
FRONT AIR CONDITIONER-MANUAL
main87050-0KG80i202411
main87050-0KJ00i202409
main87050-0KP30i202408
FRONT AIR CONDITIONER-AUTO; FRONT AIR CONDITIONER-MANUAL(DOP - DEALERSHIP INSTALL)
main87050-0KP50i202408
ASIA COLD COUNTRY SPEC
main87050-0KP60i202408
FRONT AIR CONDITIONER-AUTO(DOP - DEALERSHIP INSTALL); GR SPORT WIDE TREAD&SEAT COVER MATERIAL-SUEDE & LEATHER(FOR GR SPORT); HEATER CONTROL PANEL-AUTO AIR CONDITIONER(DOP)&FRONT AIR CONDITIONER-AUTO(DOP - DEALERSHIP INSTALL); MLM ADVENTURE PACKAGE&FRONT AIR CONDITIONER-AUTO&SEAT COVER MATERIAL-NATURAL LEATHER; MLM ADVENTURE PACKAGE&SEAT COVER MATERIAL-NATURAL LEATHER; MLM ADVENTURE WIDE TREAD&SEAT COVER MATERIAL-NATURAL LEATHER
main87050-0KP70i202408
FRONT AIR CONDITIONER-AUTO
main87050-0KP80i202408
TOYOTA STOP & START SYSTEM-WITH&FRONT AIR CONDITIONER-AUTO
main87050-0KQ00i202408
TOYOTA STOP & START SYSTEM-WITHOUT
main87050-0KQ10i202408
TOYOTA STOP & START SYSTEM-WITH
main87050-0KQ60i202411
FRONT AIR CONDITIONER-AUTO; FRONT AIR CONDITIONER-MANUAL(DOP - DEALERSHIP INSTALL)
main87050-0KQ70i202411
SEAT COVER MATERIAL-SUEDE & LEATHER(FOR GR SPORT)
main87050-0KQ80i202411
main87050-0KQ90i202411
main87050-0KR40i202409
main87050-0KT60i202411
main87050-0KG00i202411
FRONT AIR CONDITIONER-COOLER LESS
main87050-0KM71i202408
TOYOTA STOP & START SYSTEM-WITH&FRONT AIR CONDITIONER-MANUAL
main87050-0KT30supersedes 87050-0KT20i202408
ACCESSORY CONNECTOR(NO.1)-12V:2 & USB SOCKET(REAR); MLM ADVENTURE PACKAGE&SEAT COVER MATERIAL-NATURAL LEATHER; MLM ADVENTURE PACKAGE&SEAT COVER MATERIAL-NATURAL LEATHER&ACCESSORY CONNECTOR(NO.1)-12V:2 & USB SOCKET(REAR)
87050CDAMPER SERVO SUB-ASSY, AIR CONDITIONER RADIATOR, NO.1
main87106-F4060i202408
FRONT AIR CONDITIONER-AUTO; FRONT AIR CONDITIONER-AUTO(DOP - DEALERSHIP INSTALL); FRONT AIR CONDITIONER-MANUAL(DOP - DEALERSHIP INSTALL); HEATER CONTROL PANEL-AUTO AIR CONDITIONER(DOP)&FRONT AIR CONDITIONER-AUTO(DOP - DEALERSHIP INSTALL); MLM ADVENTURE PACKAGE&FRONT AIR CONDITIONER-AUTO&SEAT COVER MATERIAL-NATURAL LEATHER; TOYOTA STOP & START SYSTEM-WITH&FRONT AIR CONDITIONER-AUTO
87050DDAMPER SERVO SUB-ASSY, AIR CONDITIONER RADIATOR, NO.2
main87106-0K231i202408
ACCESSORY CONNECTOR(NO.1)-12V:2 & USB SOCKET(REAR); FRONT AIR CONDITIONER-AUTO(DOP - DEALERSHIP INSTALL); GR SPORT WIDE TREAD&SEAT COVER MATERIAL-SUEDE & LEATHER(FOR GR SPORT); HEATER CONTROL PANEL-AUTO AIR CONDITIONER(DOP)&FRONT AIR CONDITIONER-AUTO(DOP - DEALERSHIP INSTALL); MLM ADVENTURE PACKAGE&FRONT AIR CONDITIONER-AUTO&SEAT COVER MATERIAL-NATURAL LEATHER; MLM ADVENTURE PACKAGE&SEAT COVER MATERIAL-NATURAL LEATHER; MLM ADVENTURE PACKAGE&SEAT COVER MATERIAL-NATURAL LEATHER&ACCESSORY CONNECTOR(NO.1)-12V:2 & USB SOCKET(REAR); MLM ADVENTURE WIDE TREAD&SEAT COVER MATERIAL-NATURAL LEATHER
87050GDAMPER SERVO SUB-ASSY, AIR CONDITIONER RADIATOR, NO.5
main87106-0K241i202408
FRONT AIR CONDITIONER-AUTO; FRONT AIR CONDITIONER-AUTO(DOP - DEALERSHIP INSTALL); FRONT AIR CONDITIONER-MANUAL(DOP - DEALERSHIP INSTALL); HEATER CONTROL PANEL-AUTO AIR CONDITIONER(DOP)&FRONT AIR CONDITIONER-AUTO(DOP - DEALERSHIP INSTALL); MLM ADVENTURE PACKAGE&FRONT AIR CONDITIONER-AUTO&SEAT COVER MATERIAL-NATURAL LEATHER
main87106-0K251i202408-202411
87050LSCREW(FOR AIR CONDITIONER RADIATOR)
main90068-00042×12i202408
ASIA COLD COUNTRY SPEC&FRONT AIR CONDITIONER-MANUAL; FRONT AIR CONDITIONER-AUTO; FRONT AIR CONDITIONER-AUTO(DOP - DEALERSHIP INSTALL); FRONT AIR CONDITIONER-MANUAL; FRONT AIR CONDITIONER-MANUAL(DOP - DEALERSHIP INSTALL); FRONT AIR CONDITIONER-MANUAL(DOP - PLANT INSTALL); HEATER CONTROL PANEL-AUTO AIR CONDITIONER(DOP)&FRONT AIR CONDITIONER-AUTO(DOP - DEALERSHIP INSTALL); HEATER CONTROL PANEL-MANUAL AIR CONDITIONER&FRONT AIR CONDITIONER-MANUAL; MLM ADVENTURE PACKAGE&FRONT AIR CONDITIONER-AUTO&SEAT COVER MATERIAL-NATURAL LEATHER; TOYOTA STOP & START SYSTEM-WITH; TOYOTA STOP & START SYSTEM-WITH&FRONT AIR CONDITIONER-AUTO; TOYOTA STOP & START SYSTEM-WITH&FRONT AIR CONDITIONER-MANUAL; TOYOTA STOP & START SYSTEM-WITHOUT
main90094-90426×11i202411
FRONT AIR CONDITIONER-AUTO; FRONT AIR CONDITIONER-MANUAL(DOP - DEALERSHIP INSTALL); FRONT AIR CONDITIONER-MANUAL(DOP - PLANT INSTALL)
main90099-00968×6i202409
87103BMOTOR SUB-ASSY, BLOWER W/FAN
main87103-0K321i202408
main87103-0K331i202408
main87103-0K381i202408
FRONT AIR CONDITIONER-AUTO; FRONT AIR CONDITIONER-MANUAL; TOYOTA STOP & START SYSTEM-WITH&FRONT AIR CONDITIONER-AUTO; TOYOTA STOP & START SYSTEM-WITH&FRONT AIR CONDITIONER-MANUAL
main87103-0K391i202408
FRONT AIR CONDITIONER-AUTO; FRONT AIR CONDITIONER-MANUAL(DOP - DEALERSHIP INSTALL); HEATER CONTROL PANEL-MANUAL AIR CONDITIONER&FRONT AIR CONDITIONER-MANUAL
main87103-0K400i202408
ACCESSORY CONNECTOR(NO.1)-12V:2 & USB SOCKET(REAR); FRONT AIR CONDITIONER-AUTO(DOP - DEALERSHIP INSTALL); GR SPORT WIDE TREAD&SEAT COVER MATERIAL-SUEDE & LEATHER(FOR GR SPORT); HEATER CONTROL PANEL-AUTO AIR CONDITIONER(DOP)&FRONT AIR CONDITIONER-AUTO(DOP - DEALERSHIP INSTALL); MLM ADVENTURE PACKAGE&FRONT AIR CONDITIONER-AUTO&SEAT COVER MATERIAL-NATURAL LEATHER; MLM ADVENTURE PACKAGE&SEAT COVER MATERIAL-NATURAL LEATHER; MLM ADVENTURE PACKAGE&SEAT COVER MATERIAL-NATURAL LEATHER&ACCESSORY CONNECTOR(NO.1)-12V:2 & USB SOCKET(REAR); MLM ADVENTURE WIDE TREAD&SEAT COVER MATERIAL-NATURAL LEATHER
main87103-0K461i202411
FRONT AIR CONDITIONER-MANUAL(DOP - DEALERSHIP INSTALL)
main87103-0K470i202411
SEAT COVER MATERIAL-SUEDE & LEATHER(FOR GR SPORT)
main87103-0K491i202411
main87103-0K501i202411
main87103-0K531i202409
main87103-0K541i202409
87107AUNIT SUB-ASSY, HEATER RADIATOR
main87107-0K090i202408
main87107-0K110i202408
FRONT AIR CONDITIONER-AUTO; FRONT AIR CONDITIONER-AUTO(DOP - DEALERSHIP INSTALL); FRONT AIR CONDITIONER-MANUAL; FRONT AIR CONDITIONER-MANUAL(DOP - DEALERSHIP INSTALL); HEATER CONTROL PANEL-AUTO AIR CONDITIONER(DOP)&FRONT AIR CONDITIONER-AUTO(DOP - DEALERSHIP INSTALL); TOYOTA STOP & START SYSTEM-WITH&FRONT AIR CONDITIONER-AUTO; TOYOTA STOP & START SYSTEM-WITH&FRONT AIR CONDITIONER-MANUAL
main87107-0K150i202411
FRONT AIR CONDITIONER-MANUAL(DOP - DEALERSHIP INSTALL)
main87107-0K170i202411
main87107-0K180i202409
87114BCOVER, HEATER
main87114-0K040i202408-202411
main87114-0K050i202411
main87114-0K070i202411
main87114-0K080i202412
main87114-0K090i202409
87124BCLAMP, HEATER
main87124-06140i202408-202411
main87124-0K220i202411
FRONT AIR CONDITIONER-MANUAL(DOP - DEALERSHIP INSTALL)
main87124-0K230i202411
87128GROMMET, HEATER
main87128-0K160i202412
main87128-0K180i202408
FRONT AIR CONDITIONER-AUTO; FRONT AIR CONDITIONER-AUTO(DOP - DEALERSHIP INSTALL); FRONT AIR CONDITIONER-MANUAL; FRONT AIR CONDITIONER-MANUAL(DOP - DEALERSHIP INSTALL); HEATER CONTROL PANEL-AUTO AIR CONDITIONER(DOP)&FRONT AIR CONDITIONER-AUTO(DOP - DEALERSHIP INSTALL); TOYOTA STOP & START SYSTEM-WITH&FRONT AIR CONDITIONER-AUTO; TOYOTA STOP & START SYSTEM-WITH&FRONT AIR CONDITIONER-MANUAL
main87128-0K190i202411
FRONT AIR CONDITIONER-MANUAL(DOP - DEALERSHIP INSTALL)
main87128-0K200i202411
main87128-0K210i202409
main87128-0K250i202409
87130DBLOWER ASSY
main87130-0K531i202408
main87130-0K551i202408
main87130-0K561i202408
FRONT AIR CONDITIONER-MANUAL; TOYOTA STOP & START SYSTEM-WITH&FRONT AIR CONDITIONER-MANUAL
main87130-0K581i202408
ASIA COLD COUNTRY SPEC&FRONT AIR CONDITIONER-MANUAL; FRONT AIR CONDITIONER-MANUAL; FRONT AIR CONDITIONER-MANUAL(DOP - DEALERSHIP INSTALL); FRONT AIR CONDITIONER-MANUAL(DOP - PLANT INSTALL); HEATER CONTROL PANEL-MANUAL AIR CONDITIONER&FRONT AIR CONDITIONER-MANUAL
main87130-0K601i202411
main87130-0K621i202408
FRONT AIR CONDITIONER-AUTO; TOYOTA STOP & START SYSTEM-WITH&FRONT AIR CONDITIONER-AUTO
main87130-0K631i202408
FRONT AIR CONDITIONER-AUTO; FRONT AIR CONDITIONER-MANUAL(DOP - DEALERSHIP INSTALL)
main87130-0K640i202408
ACCESSORY CONNECTOR(NO.1)-12V:2 & USB SOCKET(REAR); FRONT AIR CONDITIONER-AUTO(DOP - DEALERSHIP INSTALL); GR SPORT WIDE TREAD&SEAT COVER MATERIAL-SUEDE & LEATHER(FOR GR SPORT); HEATER CONTROL PANEL-AUTO AIR CONDITIONER(DOP)&FRONT AIR CONDITIONER-AUTO(DOP - DEALERSHIP INSTALL); MLM ADVENTURE PACKAGE&FRONT AIR CONDITIONER-AUTO&SEAT COVER MATERIAL-NATURAL LEATHER; MLM ADVENTURE PACKAGE&SEAT COVER MATERIAL-NATURAL LEATHER; MLM ADVENTURE PACKAGE&SEAT COVER MATERIAL-NATURAL LEATHER&ACCESSORY CONNECTOR(NO.1)-12V:2 & USB SOCKET(REAR); MLM ADVENTURE WIDE TREAD&SEAT COVER MATERIAL-NATURAL LEATHER
main87130-0K711i202411
FRONT AIR CONDITIONER-MANUAL(DOP - DEALERSHIP INSTALL); FRONT AIR CONDITIONER-MANUAL(DOP - PLANT INSTALL)
main87130-0K731i202411
FRONT AIR CONDITIONER-AUTO; FRONT AIR CONDITIONER-MANUAL(DOP - DEALERSHIP INSTALL)
main87130-0K740i202411
SEAT COVER MATERIAL-SUEDE & LEATHER(FOR GR SPORT)
main87130-0K761i202411
main87130-0K791i202411
FRONT AIR CONDITIONER-MANUAL
main87130-0K811i202411
main87130-0K831i202409
main87130-0K851i202409
87130MSCREW(FOR BLOWER)
main90068-00042×3i202408-202411
main90094-90426×3i202411
FRONT AIR CONDITIONER-AUTO; FRONT AIR CONDITIONER-MANUAL(DOP - DEALERSHIP INSTALL); FRONT AIR CONDITIONER-MANUAL(DOP - PLANT INSTALL)
main90099-00968×3i202409
87139CFILTER, CLEAN AIR
main87139-06130i202408
MICRO DUST FILTER
main87139-0K050i202412
POLLEN FILTER
main87139-0K070i202408
POLLEN FILTER
main87139-0K080i202411
POLLEN FILTER
main87139-0K090i202411
POLLEN FILTER
main87139-0K100i202409
POLLEN FILTER
main87139-58010i202408
DEODORANT FILTER
87165CCONTROL, BLOWER MOTOR
main87165-0K060i202408
FRONT AIR CONDITIONER-AUTO; FRONT AIR CONDITIONER-MANUAL(DOP - DEALERSHIP INSTALL); TOYOTA STOP & START SYSTEM-WITH&FRONT AIR CONDITIONER-AUTO
87417APACKING, AIR DUCT
main87417-0K050i202411
87710GQUICK HEATER ASSY
main87710-0K100i202408
ASIA COLD COUNTRY SPEC
88482CAP, COOLER
main88482-0K010i202408
FRONT AIR CONDITIONER-AUTO(DOP - PLANT INSTALL); FRONT AIR CONDITIONER-MANUAL(DOP - PLANT INSTALL)
main88482-0K040i202411
FRONT AIR CONDITIONER-MANUAL(DOP - PLANT INSTALL)
88501EVAPORATOR SUB-ASSY, COOLER, NO.1
main88501-0K320i202408-202411
main88501-0K330supersedes 88501-0K630i202408
ACCESSORY CONNECTOR(NO.1)-12V:2 & USB SOCKET(REAR); MLM ADVENTURE PACKAGE&SEAT COVER MATERIAL-NATURAL LEATHER; MLM ADVENTURE PACKAGE&SEAT COVER MATERIAL-NATURAL LEATHER&ACCESSORY CONNECTOR(NO.1)-12V:2 & USB SOCKET(REAR); TOYOTA STOP & START SYSTEM-WITH; TOYOTA STOP & START SYSTEM-WITH&FRONT AIR CONDITIONER-AUTO
main88501-0K390i202408
FRONT AIR CONDITIONER-MANUAL(DOP - DEALERSHIP INSTALL); HEATER CONTROL PANEL-MANUAL AIR CONDITIONER&FRONT AIR CONDITIONER-MANUAL
main88501-0K420i202411
main88501-0K430i202411
FRONT AIR CONDITIONER-MANUAL
main88501-0K480i202411
FRONT AIR CONDITIONER-MANUAL(DOP - DEALERSHIP INSTALL)
main88501-0K500i202411
main88501-0K510i202409
88501GO-RING, COOLER EVAPORATOR NO.1(SUCTION)
main90068-14044i202408-202411
ID=10.2,OD=15.0
main90069-38042i202411
ID=13.4,OD=18.27
main90099-14121i202409
ID=13.4,OD=18.2
88501KO-RING, COOLER EVAPORATOR NO.1(LIQUID)
main90068-14043i202408
ID=13.4,OD=18.2; ID=13.4,OD=18.2,FRONT AIR CONDITIONER-AUTO(DOP - DEALERSHIP INSTALL); ID=13.4,OD=18.2,FRONT AIR CONDITIONER-MANUAL(DOP - DEALERSHIP INSTALL); ID=13.4,OD=18.2,HEATER CONTROL PANEL-AUTO AIR CONDITIONER(DOP)&FRONT AIR CONDITIONER-AUTO(DOP - DEALERSHIP INSTALL)
main90069-38041i202411
ID=10.8,OD=15.47
main90099-14120i202409
ID=10.8,OD=15.6
88515VALVE, COOLER EXPANSION
main88515-0K580i202408-202411
main88515-0K670i202408
TOYOTA STOP & START SYSTEM-WITH; TOYOTA STOP & START SYSTEM-WITH&FRONT AIR CONDITIONER-AUTO
main88515-0K680i202411
88515FBOLT(FOR COOLER EXPANSION VALVE)
main90068-04042×2i202411
FRONT AIR CONDITIONER-MANUAL(DOP - DEALERSHIP INSTALL)
main90068-04062×2i202408
FRONT AIR CONDITIONER-AUTO(DOP - DEALERSHIP INSTALL); FRONT AIR CONDITIONER-MANUAL(DOP - DEALERSHIP INSTALL); HEATER CONTROL PANEL-AUTO AIR CONDITIONER(DOP)&FRONT AIR CONDITIONER-AUTO(DOP - DEALERSHIP INSTALL)
main90099-04542×2i202409
88539JHOSE, DRAIN COOLER
main88539-0K360i202412
main88539-0K380i202408
FRONT AIR CONDITIONER-AUTO(DOP - DEALERSHIP INSTALL); FRONT AIR CONDITIONER-MANUAL(DOP - DEALERSHIP INSTALL)
main88539-0K390i202408
main88539-0K410i202411
CENTRAL AND SOUTH AMERICA SPEC&FRONT AIR CONDITIONER-MANUAL(DOP - DEALERSHIP INSTALL); ECUADOR SPEC&FRONT AIR CONDITIONER-MANUAL(DOP - DEALERSHIP INSTALL); FRONT AIR CONDITIONER-MANUAL(DOP - DEALERSHIP INSTALL)
main88539-0K420i202411
main88539-0K430i202411
main88539-0K440i202411
main88539-0K470i202409
88548BCASE, AIR FILTER
main88548-0K101i202412
main88548-0K111i202411
FRONT AIR CONDITIONER-MANUAL(DOP - DEALERSHIP INSTALL)
main88548-0K121i202411
main88548-0K131i202409
main88899-06330i202408
FRONT AIR CONDITIONER-AUTO(DOP - DEALERSHIP INSTALL); FRONT AIR CONDITIONER-MANUAL(DOP - DEALERSHIP INSTALL); HEATER CONTROL PANEL-AUTO AIR CONDITIONER(DOP)&FRONT AIR CONDITIONER-AUTO(DOP - DEALERSHIP INSTALL)
88625THERMISTOR, COOLER, NO.1
main88620-0K010i202408-202411
main88620-0K020i202408
TOYOTA STOP & START SYSTEM-WITH; TOYOTA STOP & START SYSTEM-WITH&FRONT AIR CONDITIONER-AUTO
88650NAMPLIFIER ASSY, AIR CONDITIONER
main88650-0K400i202408-202411
main88650-0K480i202411
FRONT AIR CONDITIONER-MANUAL(DOP - DEALERSHIP INSTALL); FRONT AIR CONDITIONER-MANUAL(DOP - PLANT INSTALL)
main88650-0K530i202412
main88650-0K730supersedes 88650-0KA10i202408
FRONT AIR CONDITIONER-AUTO
main88650-0K830i202408-202411
main88650-0K850i202408
main88650-0K880i202411
FRONT AIR CONDITIONER-AUTO
main88650-0KA00i202412
main88650-0K860i202408
ASIA COLD COUNTRY SPEC
main88650-0K870i202408
SEAT COVER MATERIAL-FABRIC(FOR SEAT VENTILATION)
main88650-0K890i202408
SEAT COVER MATERIAL-LEATHER(FOR SEAT VENTILATION)
88894GCONNECTOR, DRAIN HOSE
main88894-0K020i202408
main88894-0K070i202412
main88894-0K100i202411
main88894-0K110i202411
main88894-0K120i202411
main88894-0K130i202409
main88894-0K260i202408
FRONT AIR CONDITIONER-AUTO(DOP - DEALERSHIP INSTALL); FRONT AIR CONDITIONER-MANUAL(DOP - DEALERSHIP INSTALL)
main88894-0K270i202411
CENTRAL AND SOUTH AMERICA SPEC&FRONT AIR CONDITIONER-MANUAL(DOP - DEALERSHIP INSTALL); ECUADOR SPEC&FRONT AIR CONDITIONER-MANUAL(DOP - DEALERSHIP INSTALL); FRONT AIR CONDITIONER-MANUAL(DOP - DEALERSHIP INSTALL)
8719387101
9006800041
90105T0241
9011906951
90119T0404
90159T0005
90159T0014
90178T0053
90178T0065
9017906323
90185T0001
9167380616

41 parts on this diagram · 8 diagrams in section

HEATING & AIR CONDITIONING - COOLER UNIT — Toyota Parts Diagram with OEM Numbers & Prices | EPC Data