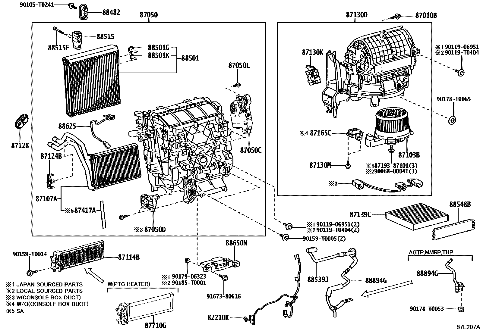
HEATING & AIR CONDITIONING - COOLER UNIT

82210KHARNESS ASSY, AIR CONDITIONER
FRONT AIR CONDITIONER-AUTO
main82212-0K060iGUN126..6FC..S..BZAG;GUN126..AGTP..6F..LA;GUN125,135..AGTP..S..LA; GUN136,TGN136..AGTP..LA;GUN126,TGN126..AGTP..(5F,6FC)..H..LA202208-202310
FRONT AIR CONDITIONER-AUTO
MLM ADVENTURE PACKAGE&FRONT AIR CONDITIONER-AUTO&SEAT COVER MATERIAL-NATURAL LEATHER
87010BSCREW(FOR AIR CONDITIONER UNIT)
87050RADIATOR ASSY, AIR CONDITIONER
main87050-0KC90iGUN122,125,126,13#,TGN121..RHD..(L,S)..(ARL,GEN); GUN125,135..(L,S)..TH202208-202307
FRONT AIR CONDITIONER-MANUAL
main87050-0KD10iGUN125..LHD..H..GEN;GUN126..LHD..6FC..S..GEN; GUN126..THP..6FC..H..LA; TGN126..5F..H..GCC; TGN126..L..GEN;GUN126..THP..6F..LA;GUN126..LHD..6F..S..GEN;GUN126,TGN126..THP..(5F,6FC)..(L,S)..(GCC,LA);GUN122,125,135,TGN120,121,136..LHD..THP..(L,S)..(GCC,GEN,LA,VN)202208-202307
FRONT AIR CONDITIONER-MANUAL; FRONT AIR CONDITIONER-MANUAL(DOP - PLANT INSTALL); HEATER CONTROL PANEL-MANUAL AIR CONDITIONER&FRONT AIR CONDITIONER-MANUAL
main87050-0KD20iGUN125..LHD..H..GEN; TGN126..L..GEN;GUN125..LHD..(L,S)..GEN; TGN126..S..GEN202208-202307
ASIA COLD COUNTRY SPEC; ASIA COLD COUNTRY SPEC&FRONT AIR CONDITIONER-MANUAL
main87050-0KE90iGUN126..AGTP..6FC..H..LA; TGN136..BZAG;GUN126..AGTP..6F..H..LA;GUN125,126,135,TGN126..AGTP..(L,S)202211-202310
FRONT AIR CONDITIONER-MANUAL(DOP - PLANT INSTALL)
main87050-0KP30iGUN135..6F..S..PH;TGN126..THP..S..LA;GUN126..THP..6F..H..LA; GUN135..6FC..PH;GUN126,135..6F..H..PH;GUN126..LHD..6FC..S..GEN;GUN126..THP..6FC..H..(LA,PH,VN);GUN125,136,TGN126..LHD..THP..MTM..H..(GEN,LA)202208-202307
FRONT AIR CONDITIONER-AUTO
ASIA COLD COUNTRY SPEC
main87050-0KP60iGUN125,TGN126..H..GCC;GGN125,GUN122,126,135,TGN121..LHD..H..(GCC,GEN,MMR,TWN); GUN126..6FC..(PH,VN); GUN126..THP..6F..H..LA; GUN126..THP..6FC..H..(LA,VN)202208-202307
GR SPORT&SEAT COVER MATERIAL-SUEDE & LEATHER(FOR GR SPORT); MLM ADVENTURE PACKAGE&FRONT AIR CONDITIONER-AUTO&SEAT COVER MATERIAL-NATURAL LEATHER; MLM ADVENTURE PACKAGE&SEAT COVER MATERIAL-NATURAL LEATHER
FRONT AIR CONDITIONER-AUTO
main87050-0KQ60iGUN126..6FC..S..BZAG;GUN126..AGTP..6F..LA;GUN125,135..AGTP..S..LA; GUN136,TGN136..AGTP..LA;GUN126,TGN126..AGTP..(5F,6FC)..H..LA202211-202310
FRONT AIR CONDITIONER-AUTO
main87050-0KQ70iGGN125..LA;GUN126,136..H..BZAG; GUN126..AGTP..6F..H..LA; GUN126..AGTP..6FC..H..LA202211-202310
MLM ADVENTURE PACKAGE&FRONT AIR CONDITIONER-AUTO&SEAT COVER MATERIAL-NATURAL LEATHER; SEAT COVER MATERIAL-NATURAL LEATHER; SEAT COVER MATERIAL-SUEDE & LEATHER(FOR GR SPORT)
FRONT AIR CONDITIONER-COOLER LESS
TOYOTA STOP & START SYSTEM-WITH&FRONT AIR CONDITIONER-MANUAL
TOYOTA STOP & START SYSTEM-WITH
87050CDAMPER SERVO SUB-ASSY, AIR CONDITIONER RADIATOR, NO.1
87050DDAMPER SERVO SUB-ASSY, AIR CONDITIONER RADIATOR, NO.2
87050LSCREW(FOR AIR CONDITIONER RADIATOR)
87103BMOTOR SUB-ASSY, BLOWER W/FAN
main87103-0K381iGUN125,135..(L,S)..TH; GUN126..RHD..THP;GUN125,135..H..(IDN,TH);GUN122,125,13#,TGN121..RHD..(ARL,GEN)202208-202307
FRONT AIR CONDITIONER-MANUAL; TOYOTA STOP & START SYSTEM-WITH&FRONT AIR CONDITIONER-MANUAL
main87103-0K391iGUN135..6F..H..PH;GUN126..LHD..S..GEN;GUN135..6FC..(PH,VN);GUN126..THP..(LA,PH,VN);GUN135..THP..6F..(LA,VN);GUN125,136,TGN126..LHD..THP..H..(GEN,LA);GUN122,125,TGN12#,136..LHD..THP..(L,S)..(GCC,GEN,LA,VN); GUN135..6F..S..PH; TGN126..5F..H..GCC202208-202307
FRONT AIR CONDITIONER-AUTO; HEATER CONTROL PANEL-MANUAL AIR CONDITIONER&FRONT AIR CONDITIONER-MANUAL
main87103-0K400iGUN125,TGN126..H..GCC;GGN125,GUN122,126,135,TGN121..LHD..H..(GCC,GEN,MMR,TWN); GUN126..6FC..(PH,VN); GUN126..THP..6F..H..LA; GUN126..THP..6FC..H..(LA,VN)202208-202307
GR SPORT&SEAT COVER MATERIAL-SUEDE & LEATHER(FOR GR SPORT); MLM ADVENTURE PACKAGE&FRONT AIR CONDITIONER-AUTO&SEAT COVER MATERIAL-NATURAL LEATHER; MLM ADVENTURE PACKAGE&SEAT COVER MATERIAL-NATURAL LEATHER
main87103-0K461iGUN126..AGTP..(L,S);GUN126,136..AGTP..H..LA;GUN125,135,TGN126,136..AGTP202211-202310
main87103-0K470iGGN125..LA;GUN126,136..H..BZAG; GUN126..AGTP..6F..H..LA; GUN126..AGTP..6FC..H..LA202211-202310
MLM ADVENTURE PACKAGE&FRONT AIR CONDITIONER-AUTO&SEAT COVER MATERIAL-NATURAL LEATHER; SEAT COVER MATERIAL-NATURAL LEATHER; SEAT COVER MATERIAL-SUEDE & LEATHER(FOR GR SPORT)
87107AUNIT SUB-ASSY, HEATER RADIATOR
main87107-0K110iGUN125,135..(L,S)..TH; GUN135..6F..S..PH; GUN135..H..TH;GUN126..MMRP,THP;GUN135..6F..H..PH;GUN135..THP..6F..(GEN,LA,VN);GUN135..6FC..(ARL,GEN,PH,VN);GGN125,GUN122,125,136,TGN12#,136..THP..(ARL,GCC,GEN,LA,VN)202208-202307
FRONT AIR CONDITIONER-AUTO; FRONT AIR CONDITIONER-MANUAL; TOYOTA STOP & START SYSTEM-WITH&FRONT AIR CONDITIONER-MANUAL
87114BCOVER, HEATER
87124BCLAMP, HEATER
main87124-06140iGUN125,135..(L,S)..TH; GUN126..MMRP,THP;GUN135..6F..H..PH;GUN125,135..H..(IDN,TH);GUN135..THP..6F..(GEN,LA,VN);GUN135..6FC..(ARL,GEN,PH,VN);GGN125,GUN122,125,136,TGN12#,136..THP..(ARL,GCC,GEN,LA,VN); GUN135..6F..S..PH202208-202307
FRONT AIR CONDITIONER-AUTO; FRONT AIR CONDITIONER-MANUAL; TOYOTA STOP & START SYSTEM-WITH&FRONT AIR CONDITIONER-MANUAL
87128GROMMET, HEATER
main87128-0K180iGUN125,135..(L,S)..TH; GUN126..MMRP,THP;GUN135..6F..H..PH;GUN125,135..H..(IDN,TH);GUN135..THP..6F..(GEN,LA,VN);GUN135..6FC..(ARL,GEN,PH,VN);GGN125,GUN122,125,136,TGN12#,136..THP..(ARL,GCC,GEN,LA,VN); GUN135..6F..S..PH202208-202307
FRONT AIR CONDITIONER-AUTO; FRONT AIR CONDITIONER-MANUAL; TOYOTA STOP & START SYSTEM-WITH&FRONT AIR CONDITIONER-MANUAL
87130DBLOWER ASSY
main87130-0K561iGUN122,125,126,13#,TGN121..RHD..(L,S)..(ARL,GEN); GUN125,135..(L,S)..TH202208-202307
FRONT AIR CONDITIONER-MANUAL; TOYOTA STOP & START SYSTEM-WITH&FRONT AIR CONDITIONER-MANUAL
main87130-0K581iGUN125..LHD..H..GEN; GUN125..LHD..H..GEN;GUN126..LHD..6FC..S..GEN; GUN126..THP..6F..LA;GUN126..THP..6FC..S..LA;GUN126..LHD..6F..S..GEN;GUN122,125,135,TGN12#,136..LHD..THP..(L,S)..(GCC,GEN,LA,VN); GUN126..THP..6FC..H..LA; TGN126..5F..H..GCC202208-202307
ASIA COLD COUNTRY SPEC&FRONT AIR CONDITIONER-MANUAL; FRONT AIR CONDITIONER-MANUAL; FRONT AIR CONDITIONER-MANUAL(DOP - PLANT INSTALL); HEATER CONTROL PANEL-MANUAL AIR CONDITIONER&FRONT AIR CONDITIONER-MANUAL
main87130-0K631iGUN135..6F..S..PH;TGN126..THP..S..LA;GUN126..THP..6F..H..LA; GUN135..6FC..PH;GUN126,135..6F..H..PH;GUN126..LHD..6FC..S..GEN;GUN126..THP..6FC..H..(LA,PH,VN);GUN125,136,TGN126..LHD..THP..H..(GEN,LA)202208-202307
FRONT AIR CONDITIONER-AUTO
main87130-0K640iGUN125,TGN126..H..GCC;GGN125,GUN122,126,135,TGN121..LHD..H..(GCC,GEN,MMR,TWN); GUN126..6FC..(PH,VN); GUN126..THP..6F..H..LA; GUN126..THP..6FC..H..(LA,VN)202208-202307
GR SPORT&SEAT COVER MATERIAL-SUEDE & LEATHER(FOR GR SPORT); MLM ADVENTURE PACKAGE&FRONT AIR CONDITIONER-AUTO&SEAT COVER MATERIAL-NATURAL LEATHER; MLM ADVENTURE PACKAGE&SEAT COVER MATERIAL-NATURAL LEATHER
main87130-0K711iGUN126..AGTP..6FC..H..LA; TGN136..BZAG;GUN126..AGTP..6F..H..LA;GUN125,126,135,TGN126..AGTP..(L,S)202211-202310
FRONT AIR CONDITIONER-MANUAL(DOP - PLANT INSTALL)
main87130-0K731iGUN126..6FC..S..BZAG;GUN126..AGTP..6F..LA;GUN125,135..AGTP..S..LA; GUN136,TGN136..AGTP..LA;GUN126,TGN126..AGTP..(5F,6FC)..H..LA202211-202310
FRONT AIR CONDITIONER-AUTO
main87130-0K740iGGN125..LA;GUN126,136..H..BZAG; GUN126..AGTP..6F..H..LA; GUN126..AGTP..6FC..H..LA202211-202310
MLM ADVENTURE PACKAGE&FRONT AIR CONDITIONER-AUTO&SEAT COVER MATERIAL-NATURAL LEATHER; SEAT COVER MATERIAL-NATURAL LEATHER; SEAT COVER MATERIAL-SUEDE & LEATHER(FOR GR SPORT)
FRONT AIR CONDITIONER-MANUAL
87130KDAMPER SERVO SUB-ASSY, BLOWER, NO.1
main87106-0K241iGUN126..THP..6F..H..LA; GUN135..6F..S..PH;TGN126..THP..S..LA;GUN126..THP..6F..H..LA; TGN126..THP..H;GUN135..6FC..(GEN,PH);GUN13#..LHD..THP..6F..H;GUN126..THP..6FC..H..LA;GUN126..LHD..6FC..S..GEN;GGN125,GUN122,125,126,TGN121..LHD..H..(GCC,GEN,MMR,PH,TWN,VN)202208-202307
FRONT AIR CONDITIONER-AUTO; MLM ADVENTURE PACKAGE&FRONT AIR CONDITIONER-AUTO&SEAT COVER MATERIAL-NATURAL LEATHER
87130MSCREW(FOR BLOWER)
main90094-90426×3iGUN126..6F..H..BZAG;GUN126,TGN126..AGTP..(5F,6FC)..H;GGN125,GUN136,TGN136..AGTP..(H,S); GUN126..6FC..S..BZAG;GUN126..AGTP..6F..LA;GUN125,135..AGTP..S..LA; GUN126..AGTP..6F..H..LA; GUN126..AGTP..6FC..H..LA; TGN136..BZAG;GUN126..AGTP..6F..H..LA;GUN125,126,135,TGN126..AGTP..(L,S)202211-202310
FRONT AIR CONDITIONER-AUTO; FRONT AIR CONDITIONER-MANUAL(DOP - PLANT INSTALL); MLM ADVENTURE PACKAGE&FRONT AIR CONDITIONER-AUTO&SEAT COVER MATERIAL-NATURAL LEATHER
87139CFILTER, CLEAN AIR
MICRO DUST FILTER
POLLEN FILTER,OE PART
POLLEN FILTER,OE PART
POLLEN FILTER,OE PART
POLLEN FILTER,OE PART
POLLEN FILTER
DEODORANT FILTER
87165CCONTROL, BLOWER MOTOR
main87165-0K060iGUN126..6FC..S..BZAG;GUN126..AGTP..6F..LA;GUN125,135..AGTP..S..LA; GUN136,TGN136..AGTP..LA;GUN126,TGN126..AGTP..(5F,6FC)..H..LA202208-202310
FRONT AIR CONDITIONER-AUTO
87417APACKING, AIR DUCT
87710GQUICK HEATER ASSY
ASIA COLD COUNTRY SPEC
88482CAP, COOLER
main88482-0K010iTGN121..5F..H;GGN125,GUN125,126,TGN126..H..GCC; TGN121..GEN;TGN121..5F..S;GUN125,135..THP..6F..LA;GUN126..THP..6FC..H..LA;GUN122,125..MTM..L..GCC..CBU;TGN126..THP..5F..(L,S)..(GCC,LA)202208-202307
FRONT AIR CONDITIONER-AUTO(DOP - PLANT INSTALL); FRONT AIR CONDITIONER-MANUAL(DOP - PLANT INSTALL)
FRONT AIR CONDITIONER-MANUAL(DOP - PLANT INSTALL)
88501EVAPORATOR SUB-ASSY, COOLER, NO.1
main88501-0K320supersedes 88501-0K330iGUN126..6FC..(PH,VN); GUN126..6FC..TH; GUN126..THP..6F..H..LA; GUN126..THP..6FC..H..(LA,VN); TGN121..5F..H;TGN121..6FC..(H,L);GUN122,125..RHD..THP;GUN122,125,TGN126..H..GCC;GUN126..RHD..6FC..(ARL,GEN);GUN126,TGN121..RHD..THP..MTM;GUN126..LHD..H..(GCC,GEN,MMR,TWN);GGN125,GUN120,121,13#..ARL,GCC,GEN,TH202208-202307
GR SPORT&SEAT COVER MATERIAL-SUEDE & LEATHER(FOR GR SPORT); MLM ADVENTURE PACKAGE&FRONT AIR CONDITIONER-AUTO&SEAT COVER MATERIAL-NATURAL LEATHER; MLM ADVENTURE PACKAGE&SEAT COVER MATERIAL-NATURAL LEATHER; TOYOTA STOP & START SYSTEM-WITHOUT
main88501-0K390iGUN126..LHD..S..GEN;GUN126,135..THP..(LA,PH,VN);GUN122,125,TGN12#,136..LHD..THP..(L,S);GUN125,136,TGN126..LHD..THP..H..(GEN,LA); TGN126..5F..H..GCC202208-202307
HEATER CONTROL PANEL-MANUAL AIR CONDITIONER&FRONT AIR CONDITIONER-MANUAL
FRONT AIR CONDITIONER-MANUAL
TOYOTA STOP & START SYSTEM-WITH
88501GO-RING, COOLER EVAPORATOR NO.1(SUCTION)
ID=10.2,OD=15.0
ID=13.4,OD=18.27
ID=13.4,OD=18.2
88501KO-RING, COOLER EVAPORATOR NO.1(LIQUID)
ID=13.4,OD=18.2
ID=10.8,OD=15.47
ID=10.8,OD=15.6
88515VALVE, COOLER EXPANSION
main88515-0K580supersedes 88515-0K670iGUN126..6FC..TH; GUN126..THP..6F;GGN125,GUN120,121,122,125,13#,TGN12#,136..THP;GUN126..(MMRP,THP)..6FC..(ARL,GCC,GEN,LA,MMR,PH,TWN,VN)202208-202307
TOYOTA STOP & START SYSTEM-WITHOUT
TOYOTA STOP & START SYSTEM-WITH
88515FBOLT(FOR COOLER EXPANSION VALVE)
88539JHOSE, DRAIN COOLER
88548BCASE, AIR FILTER
88625THERMISTOR, COOLER, NO.1
TOYOTA STOP & START SYSTEM-WITH
88650NAMPLIFIER ASSY, AIR CONDITIONER
main88650-0K400iGUN126..THP..6FC..H..LA; TGN121..THP..(L,S);GUN126..THP..6F..LA;GUN126..RHD..S..GEN;GUN126..THP..6FC..S..LA;GUN135..THP..(L,S)..(LA,TH,VN);GUN126,135..LHD..6F..S..(GEN,PH);GUN120,121,122,125,TGN120,126,136..THP..(L,S)..(GCC,GEN,IDN,LA,PH,TH,VN); TGN126..5F..H..GCC;GUN125..LHD..H..GEN;GUN126..LHD..6FC..S..GEN202208-202307
FRONT AIR CONDITIONER-MANUAL; FRONT AIR CONDITIONER-MANUAL(DOP - DEALERSHIP INSTALL); FRONT AIR CONDITIONER-MANUAL(DOP - PLANT INSTALL)
main88650-0K480iGUN126..AGTP..6FC..H..LA; TGN136..BZAG;GUN126..AGTP..6F..H..LA;GUN125,126,135,TGN126..AGTP..(L,S)202211-202310
FRONT AIR CONDITIONER-MANUAL(DOP - DEALERSHIP INSTALL); FRONT AIR CONDITIONER-MANUAL(DOP - PLANT INSTALL)
main88650-0K830iGUN125,126,13#..(L,S)..ARL; GUN125,135..(L,S)..TH; GUN125..6FC..L..GEN;GUN125..LHD..(L,S)..GEN; GUN125..LHD..H..GEN202208-202307
ASIA COLD COUNTRY SPEC; ASIA COLD COUNTRY SPEC&FRONT AIR CONDITIONER-MANUAL; TOYOTA STOP & START SYSTEM-WITH&FRONT AIR CONDITIONER-MANUAL
main88650-0K880iGUN126..6F..H..BZAG;GUN126,TGN126..AGTP..(5F,6FC)..H;GGN125,GUN136,TGN136..AGTP..(H,S); GUN126..6FC..S..BZAG;GUN126..AGTP..6F..LA;GUN125,135..AGTP..S..LA202211-202310
FRONT AIR CONDITIONER-AUTO
SEAT COVER MATERIAL-FABRIC(FOR SEAT VENTILATION)
SEAT COVER MATERIAL-LEATHER(FOR SEAT VENTILATION)
88894GCONNECTOR, DRAIN HOSE
8719387101
main87193-87101
9006800041
main90068-00041
90105T0241
main90105-T0241
9011906951
main90119-06951
90119T0404
main90119-T0404
90159T0005
main90159-T0005
90159T0014
main90159-T0014
90178T0053
main90178-T0053
90178T0065
main90178-T0065
9017906323
main90179-06323
90185T0001
main90185-T0001
9167380616
main91673-80616
41 parts on this diagram · 8 diagrams in section