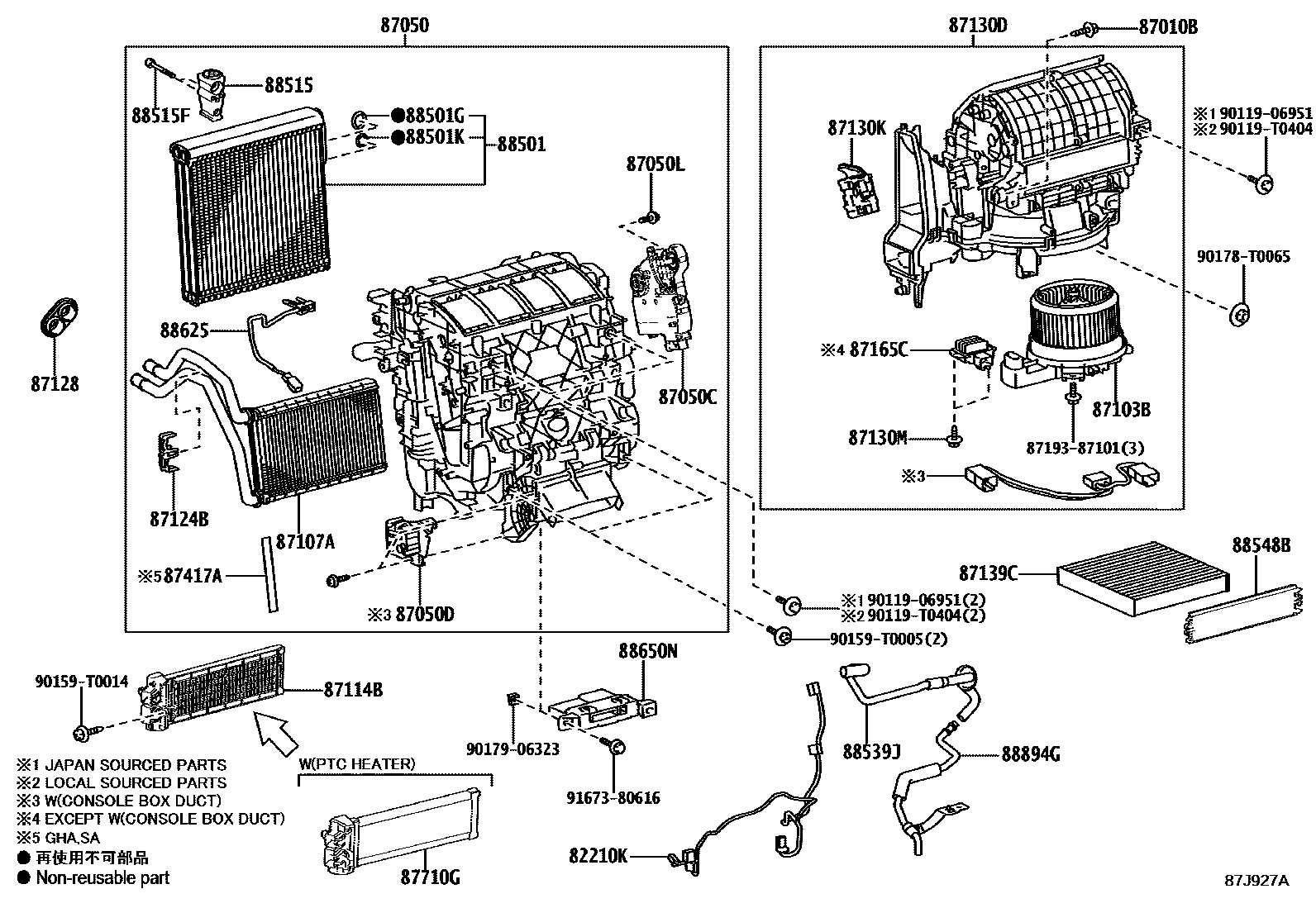
HEATING & AIR CONDITIONING - COOLER UNIT

82210KHARNESS ASSY, AIR CONDITIONER
FRONT AIR CONDITIONER-AUTO
main82212-0K060iGUN135..6FC..PH;GUN126,135..6F..H..PH;GUN126..LHD..6FC..S..GEN;GUN126..THP..6FC..H..(LA,PH,VN);GUN125,136,TGN126..LHD..THP..H..(GEN,LA)202108-202210
FRONT AIR CONDITIONER-AUTO
MLM ADVENTURE PACKAGE&SEAT COVER MATERIAL-NATURAL LEATHER
GR SPORT&SEAT COVER MATERIAL-SUEDE & LEATHER(FOR GR SPORT)
87010BSCREW(FOR AIR CONDITIONER UNIT)
main90099-00968iGUN126..6F..H..SA;GGN125,GUN125,136..H..SA;GUN126..6FC..H..(GHA,KEN,SA)202109-202303
87050RADIATOR ASSY, AIR CONDITIONER
FRONT AIR CONDITIONER-MANUAL
main87050-0KD10iTGN126..L..GEN;GUN126..THP..6F..H..LA;GUN126..LHD..6F..S..GEN;GUN126,TGN126..THP..(L,S)..(GCC,LA);GUN122,125,135,TGN120,121,136..LHD..THP..(L,S)..(GCC,GEN,LA,VN)202108-202207
FRONT AIR CONDITIONER-MANUAL
main87050-0KD10iTGN126..L..GEN;GUN126..THP..6F..H..LA;GUN126..LHD..6F..S..GEN;GUN126,TGN126..THP..(L,S)..(GCC,LA);GUN122,125,135,TGN120,121,136..LHD..THP..(L,S)..(GCC,GEN,LA,VN)202108-202207
FRONT AIR CONDITIONER-MANUAL(DOP - PLANT INSTALL)
HEATER CONTROL PANEL-MANUAL AIR CONDITIONER&FRONT AIR CONDITIONER-MANUAL
ASIA COLD COUNTRY SPEC&FRONT AIR CONDITIONER-COOLER LESS
ASIA COLD COUNTRY SPEC
ASIA COLD COUNTRY SPEC&FRONT AIR CONDITIONER-MANUAL
main87050-0KP30iGUN135..6FC..PH;GUN126,135..6F..H..PH;GUN126..LHD..6FC..S..GEN;GUN126..THP..6FC..H..(LA,PH,VN);GUN125,136,TGN126..LHD..THP..MTM..H..(GEN,LA)202108-202207
FRONT AIR CONDITIONER-AUTO
ASIA COLD COUNTRY SPEC
MLM ADVENTURE PACKAGE&SEAT COVER MATERIAL-NATURAL LEATHER
GR SPORT&SEAT COVER MATERIAL-SUEDE & LEATHER(FOR GR SPORT)
TOYOTA STOP & START SYSTEM-WITHOUT
TOYOTA STOP & START SYSTEM-WITH
FRONT AIR CONDITIONER-AUTO
FRONT AIR CONDITIONER-AUTO&SEAT COVER MATERIAL-SUEDE & LEATHER(FOR GR SPORT)
87050CDAMPER SERVO SUB-ASSY, AIR CONDITIONER RADIATOR, NO.1
main87106-F4060iGUN136..S..BZAG;GUN126..AGTP..H..LA;GUN125..AGTP..S..LA;GUN126..6FC..S..BZAG;GUN126,135..AGTP..6F..S..LA202108-202210
FRONT AIR CONDITIONER-AUTO
87050DDAMPER SERVO SUB-ASSY, AIR CONDITIONER RADIATOR, NO.2
GR SPORT&SEAT COVER MATERIAL-SUEDE & LEATHER(FOR GR SPORT)
main87106-0K231iGUN135..H..(GEN,TH);GUN126..6F..H..(ARL,GCC,GEN,TH);GUN126..6FC..H..(ARL,GCC,GEN,TWN);GGN125,GUN122,125,136,TGN121,126..H..(ARL,GCC)202108-202207
MLM ADVENTURE PACKAGE&SEAT COVER MATERIAL-NATURAL LEATHER
main87106-0K231iGUN135..H..(GEN,TH);GUN126..6F..H..(ARL,GCC,GEN,TH);GUN126..6FC..H..(ARL,GCC,GEN,TWN);GGN125,GUN122,125,136,TGN121,126..H..(ARL,GCC)202108-202207
TOYOTA STOP & START SYSTEM-WITHOUT
87050LSCREW(FOR AIR CONDITIONER RADIATOR)
FRONT AIR CONDITIONER-AUTO
FRONT AIR CONDITIONER-AUTO&SEAT COVER MATERIAL-SUEDE & LEATHER(FOR GR SPORT)
87103BMOTOR SUB-ASSY, BLOWER W/FAN
FRONT AIR CONDITIONER-MANUAL
main87103-0K381iGUN126..RHD..THP;GUN125,135..H..(IDN,TH);GUN122,125,13#,TGN121..RHD..(ARL,GEN)202108-202207
TOYOTA STOP & START SYSTEM-WITH&FRONT AIR CONDITIONER-MANUAL
main87103-0K391iGUN135..6F..H..PH;GUN126..LHD..S..GEN;GUN126..THP..(LA,PH,VN);GUN135..THP..6F..(LA,VN);GUN135..THP..6FC..(LA,PH,VN);GUN125,136,TGN126..LHD..THP..H..(GEN,LA);GUN122,202108-202207
HEATER CONTROL PANEL-MANUAL AIR CONDITIONER&FRONT AIR CONDITIONER-MANUAL
main87103-0K391iGUN135..6F..H..PH;GUN126..LHD..S..GEN;GUN126..THP..(LA,PH,VN);GUN135..THP..6F..(LA,VN);GUN135..THP..6FC..(LA,PH,VN);GUN125,136,TGN126..LHD..THP..H..(GEN,LA);GUN122,202108-202207
FRONT AIR CONDITIONER-AUTO
GR SPORT&SEAT COVER MATERIAL-SUEDE & LEATHER(FOR GR SPORT)
MLM ADVENTURE PACKAGE&SEAT COVER MATERIAL-NATURAL LEATHER
main87103-0K461iGUN126..AGTP..H..LA;GUN136..AGTP..6F..LA;GUN125,135,TGN126,136..AGTP;GUN126,136,TGN138..AGTP..(L,S)202111-202210
FRONT AIR CONDITIONER-AUTO&SEAT COVER MATERIAL-SUEDE & LEATHER(FOR GR SPORT)
87107AUNIT SUB-ASSY, HEATER RADIATOR
87114BCOVER, HEATER
87124BCLAMP, HEATER
FRONT AIR CONDITIONER-MANUAL
main87124-06140iGUN135..H;GUN126..THP;GUN125..H..IDN;GUN135..THP..6FC..(L,S)..(ARL,LA,PH,VN);GUN135..THP..6F..(L,S)..(ARL,GEN,LA,VN);GGN125,GUN122,125,136,TGN120,121,126,136..THP..202108-202207
TOYOTA STOP & START SYSTEM-WITH&FRONT AIR CONDITIONER-MANUAL
main87124-06140iGUN135..H;GUN126..THP;GUN125..H..IDN;GUN135..THP..6FC..(L,S)..(ARL,LA,PH,VN);GUN135..THP..6F..(L,S)..(ARL,GEN,LA,VN);GGN125,GUN122,125,136,TGN120,121,126,136..THP..202108-202207
FRONT AIR CONDITIONER-AUTO
87128GROMMET, HEATER
main87128-0K170iGUN135..(L,S)..TH;GUN135..6F..S..PH;GUN120,121,122,125..(L,S)..(IDN,PH,TH)202108-202207
main87128-0K180iGUN135..H;GUN126..THP;GUN125..H..IDN;GUN135..THP..6FC..(L,S)..(ARL,LA,PH,VN);GUN135..THP..6F..(L,S)..(ARL,GEN,LA,VN);GGN125,GUN122,125,136,TGN120,121,126,136..THP..202108-202207
FRONT AIR CONDITIONER-MANUAL
main87128-0K180iGUN135..H;GUN126..THP;GUN125..H..IDN;GUN135..THP..6FC..(L,S)..(ARL,LA,PH,VN);GUN135..THP..6F..(L,S)..(ARL,GEN,LA,VN);GGN125,GUN122,125,136,TGN120,121,126,136..THP..202108-202207
FRONT AIR CONDITIONER-AUTO
TOYOTA STOP & START SYSTEM-WITH&FRONT AIR CONDITIONER-MANUAL
87130DBLOWER ASSY
FRONT AIR CONDITIONER-MANUAL
TOYOTA STOP & START SYSTEM-WITH&FRONT AIR CONDITIONER-MANUAL
main87130-0K581iGUN126..THP..(L,S)..LA;GUN126..THP..6F..H..LA;GUN126..LHD..6F..S..GEN;GUN122,125,135,TGN120,121,126,136..LHD..THP..(L,S)..(GCC,GEN,LA,VN)202108-202207
HEATER CONTROL PANEL-MANUAL AIR CONDITIONER&FRONT AIR CONDITIONER-MANUAL
main87130-0K581iGUN126..THP..(L,S)..LA;GUN126..THP..6F..H..LA;GUN126..LHD..6F..S..GEN;GUN122,125,135,TGN120,121,126,136..LHD..THP..(L,S)..(GCC,GEN,LA,VN)202108-202207
FRONT AIR CONDITIONER-MANUAL
main87130-0K581iGUN126..THP..(L,S)..LA;GUN126..THP..6F..H..LA;GUN126..LHD..6F..S..GEN;GUN122,125,135,TGN120,121,126,136..LHD..THP..(L,S)..(GCC,GEN,LA,VN)202108-202207
FRONT AIR CONDITIONER-MANUAL(DOP - PLANT INSTALL)
ASIA COLD COUNTRY SPEC&FRONT AIR CONDITIONER-MANUAL
FRONT AIR CONDITIONER-AUTO
FRONT AIR CONDITIONER-AUTO
MLM ADVENTURE PACKAGE&SEAT COVER MATERIAL-NATURAL LEATHER
GR SPORT&SEAT COVER MATERIAL-SUEDE & LEATHER(FOR GR SPORT)
FRONT AIR CONDITIONER-AUTO
FRONT AIR CONDITIONER-AUTO&SEAT COVER MATERIAL-SUEDE & LEATHER(FOR GR SPORT)
87130KDAMPER SERVO SUB-ASSY, BLOWER, NO.1
FRONT AIR CONDITIONER-AUTO
FRONT AIR CONDITIONER-AUTO
87130MSCREW(FOR BLOWER)
main90068-00042iGUN126..RHD..THP..S;GUN126..THP..(L,S)..LA;GUN126..THP..6F..H..LA;GUN126,135..LHD..6F..S..(GEN,PH);GUN135..THP..(L,S)..(ARL,GEN,LA,TH,VN);GUN120,121,122,125,136,TGN202108-202207
HEATER CONTROL PANEL-MANUAL AIR CONDITIONER&FRONT AIR CONDITIONER-MANUAL
main90068-00042iGUN126..RHD..THP..S;GUN126..THP..(L,S)..LA;GUN126..THP..6F..H..LA;GUN126,135..LHD..6F..S..(GEN,PH);GUN135..THP..(L,S)..(ARL,GEN,LA,TH,VN);GUN120,121,122,125,136,TGN202108-202207
ASIA COLD COUNTRY SPEC&FRONT AIR CONDITIONER-MANUAL
main90068-00042iGUN126..RHD..THP..S;GUN126..THP..(L,S)..LA;GUN126..THP..6F..H..LA;GUN126,135..LHD..6F..S..(GEN,PH);GUN135..THP..(L,S)..(ARL,GEN,LA,TH,VN);GUN120,121,122,125,136,TGN202108-202207
FRONT AIR CONDITIONER-MANUAL
main90068-00042iGUN126..RHD..THP..S;GUN126..THP..(L,S)..LA;GUN126..THP..6F..H..LA;GUN126,135..LHD..6F..S..(GEN,PH);GUN135..THP..(L,S)..(ARL,GEN,LA,TH,VN);GUN120,121,122,125,136,TGN202108-202207
FRONT AIR CONDITIONER-MANUAL(DOP - PLANT INSTALL)
main90068-00042iGUN126..RHD..THP..S;GUN126..THP..(L,S)..LA;GUN126..THP..6F..H..LA;GUN126,135..LHD..6F..S..(GEN,PH);GUN135..THP..(L,S)..(ARL,GEN,LA,TH,VN);GUN120,121,122,125,136,TGN202108-202207
FRONT AIR CONDITIONER-AUTO
FRONT AIR CONDITIONER-AUTO
FRONT AIR CONDITIONER-AUTO&SEAT COVER MATERIAL-SUEDE & LEATHER(FOR GR SPORT)
87139CFILTER, CLEAN AIR
POLLEN FILTER,OE PART
POLLEN FILTER
main87139-0K070iGGN125,GUN122,125,126,13#,TGN120,121,126,136..THP..(ARL,GCC,GEN,LA,TWN,VN)202108-202301
POLLEN FILTER,OE PART
POLLEN FILTER,OE PART
POLLEN FILTER,OE PART
POLLEN FILTER
DEODORANT FILTER
87165CCONTROL, BLOWER MOTOR
main87165-0K060iGUN126..6F..PH;GUN135..H..(PH,TH);GUN126..RHD..THP..H;GUN126..THP..6FC..H..(LA,PH,VN);GUN126,135..LHD..6FC..S..(GEN,PH);GUN125,136,TGN126..THP..H..(ARL,GEN,IDN,LA)202108-202210
FRONT AIR CONDITIONER-AUTO
87417APACKING, AIR DUCT
87710GQUICK HEATER ASSY
88501EVAPORATOR SUB-ASSY, COOLER, NO.1
MLM ADVENTURE PACKAGE&SEAT COVER MATERIAL-NATURAL LEATHER
main88501-0K320iTGN121..5F..H;TGN121..6FC..(H,L);GUN122,125..RHD..THP;GUN122,125,TGN126..H..GCC;GUN126..RHD..6FC..(ARL,GEN);GUN126,TGN121..RHD..THP..MTM;GUN126..LHD..H..(GCC,GEN,TW202108-202207
GR SPORT&SEAT COVER MATERIAL-SUEDE & LEATHER(FOR GR SPORT)
main88501-0K320iTGN121..5F..H;TGN121..6FC..(H,L);GUN122,125..RHD..THP;GUN122,125,TGN126..H..GCC;GUN126..RHD..6FC..(ARL,GEN);GUN126,TGN121..RHD..THP..MTM;GUN126..LHD..H..(GCC,GEN,TW202108-202207
TOYOTA STOP & START SYSTEM-WITHOUT
TOYOTA STOP & START SYSTEM-WITH
main88501-0K390iGUN126..LHD..S..GEN;GUN126,135..THP..(LA,PH,VN);GUN125,136,TGN126..LHD..THP..H..(GEN,LA);GUN122,125,TGN120,121,126,136..LHD..THP..(L,S)202108-202207
HEATER CONTROL PANEL-MANUAL AIR CONDITIONER&FRONT AIR CONDITIONER-MANUAL
88501GO-RING, COOLER EVAPORATOR NO.1(SUCTION)
ID=10.2,OD=15.0
main90069-38042iGUN126..6F..H..SA;GGN125,GUN125,136..H..SA;GUN126..6FC..H..(GHA,KEN,SA)202109-202303
ID=13.4,OD=18.27
ID=13.4,OD=18.2
88501KO-RING, COOLER EVAPORATOR NO.1(LIQUID)
ID=13.4,OD=18.2
main90069-38041iGUN126..6F..H..SA;GGN125,GUN125,136..H..SA;GUN126..6FC..H..(GHA,KEN,SA)202109-202303
ID=10.8,OD=15.47
ID=10.8,OD=15.6
88515VALVE, COOLER EXPANSION
TOYOTA STOP & START SYSTEM-WITHOUT
TOYOTA STOP & START SYSTEM-WITH
88515FBOLT(FOR COOLER EXPANSION VALVE)
88539JHOSE, DRAIN COOLER
88548BCASE, AIR FILTER
88625THERMISTOR, COOLER, NO.1
main88620-0K010iGUN125..KEN;GUN125,135..(H,S)..SA;GUN125,135..LHD..L..SA;GGN125,GUN122,126,136,LAN125,TGN121,126,136..GHA,KEN,MMR,SA202108-202303
TOYOTA STOP & START SYSTEM-WITHOUT
TOYOTA STOP & START SYSTEM-WITH
88650NAMPLIFIER ASSY, AIR CONDITIONER
FRONT AIR CONDITIONER-MANUAL
main88650-0K400iTGN121..THP..(L,S);GUN126..RHD..S..GEN;GUN126..THP..6F..H..LA;GUN126..THP..(L,S)..LA;GUN126,135..LHD..6F..S..(GEN,PH);GUN135..THP..(L,S)..(GEN,LA,TH,VN);GUN120,121,202108-202207
FRONT AIR CONDITIONER-MANUAL(DOP - PLANT INSTALL)
main88650-0K400iTGN121..THP..(L,S);GUN126..RHD..S..GEN;GUN126..THP..6F..H..LA;GUN126..THP..(L,S)..LA;GUN126,135..LHD..6F..S..(GEN,PH);GUN135..THP..(L,S)..(GEN,LA,TH,VN);GUN120,121,202108-202207
FRONT AIR CONDITIONER-MANUAL(DOP - DEALERSHIP INSTALL)
FRONT AIR CONDITIONER-AUTO
main88650-0K780iGUN136..S..BZAG;GUN126..AGTP..H..LA;GUN125..AGTP..S..LA;GUN126..6FC..S..BZAG;GUN126,135..AGTP..6F..S..LA202111-202210
FRONT AIR CONDITIONER-AUTO
SEAT HEATER-WITHOUT & WITH(SEAT VENTILATION)
TOYOTA STOP & START SYSTEM-WITH
TOYOTA STOP & START SYSTEM-WITH&FRONT AIR CONDITIONER-MANUAL
ASIA COLD COUNTRY SPEC
ASIA COLD COUNTRY SPEC&FRONT AIR CONDITIONER-MANUAL
88894GCONNECTOR, DRAIN HOSE
8719387101
main87193-87101
9011906951
main90119-06951
90119T0404
main90119-T0404
90159T0005
main90159-T0005
90159T0014
main90159-T0014
90178T0065
main90178-T0065
9017906323
main90179-06323
9167380616
main91673-80616
36 parts on this diagram · 8 diagrams in section