E
EPC Data

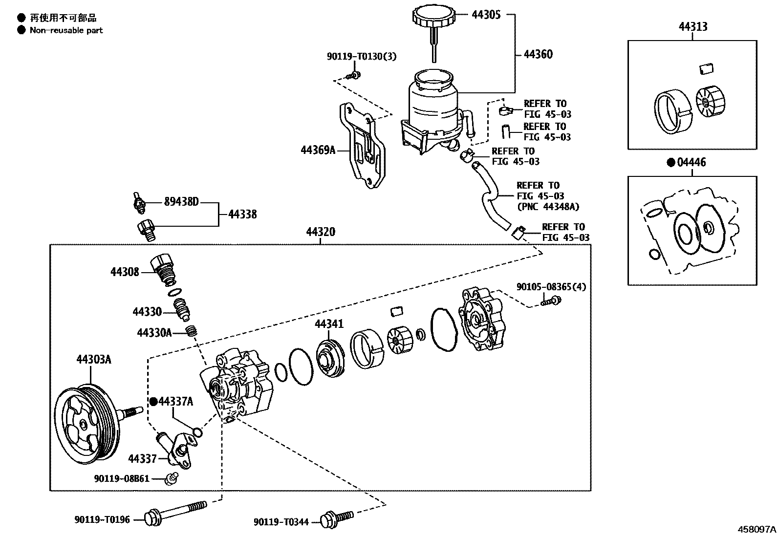
VANE PUMP & RESERVOIR (POWER STEERING)

Parts diagram
04446GASKET KIT, POWER STEERING PUMP
main04446-06110i202108-202301
main04446-06130i202108-202207
main04446-0B030i202109-202301
44303ASHAFT SUB-ASSY, W/PULLEY
main44303-06040i202108-202301
main44303-0K030i202108-202301
44305CAP SUB-ASSY, VANE PUMP OIL RESERVOIR
main44305-0K030i202108-202301
main44305-22061i202108-202210
main44305-32040i202108-202210
44308UNION SUB-ASSY, PRESSURE PORT
main44308-0K010i202108-202301
main44308-0K040i202108-202210
main44308-0K050i202108-202208
main44308-0K060i202109-202301
main44308-0K100i202108-202301
44313ROTOR, VANE PUMP
main44313-09010i202108-202209
main44313-09030i202108-202207
main44313-09040i202109-202301
main44313-09060i202108-202210
44320PUMP ASSY, VANE
main44310-0K010i202108-202207
main44310-0K080i202108-202207
main44310-0K100i202108-202301
main44310-0K120i202108-202207
main44310-0K130i202108-202301
main44310-0K142i202108-202210
main44320-0K020i202109-202301
44330VALVE ASSY, FLOW CONTROL
main44330-04010i202109-202301
MARK A
main44330-04020i202109-202301
MARK B
main44330-04030i202109-202301
MARK C
main44330-04040i202109-202301
MARK D
main44330-04050i202109-202301
MARK E
main44330-04060i202109-202301
MARK F
main44330-0K130i202108-202301
MARK A
main44330-0K140i202108-202210
MARK B
main44330-0K150i202108-202210
MARK C
main44330-0K160i202108-202301
MARK D
main44330-0K170i202108-202210
MARK E
main44330-0K180i202108-202207
MARK F
main44330-0K250i202108-202301
MARK A
main44330-0K260i202108-202208
MARK B
main44330-0K270i202108-202301
MARK C
main44330-0K280i202108-202208
MARK D
main44330-0K290i202108-202207
MARK E,VSC-WITHOUT
main44330-0K300i202108-202207
MARK F,VSC-WITHOUT
main44330-0K330i202108-202207
MARK C
main44330-0K340i202108-202209
MARK D
main44330-0K350i202108-202207
MARK E
main44330-0K360i202108-202207
MARK F
main44330-25010i202108-202207
MARK A
main44330-25020i202108-202301
MARK B
main44330-25030i202108-202210
MARK C
main44330-25040i202108-202301
MARK D
main44330-25050i202108-202210
MARK E
main44330-25060i202108-202210
MARK F
44330ASPRING, COMPRESSION(FOR FLOW CONTROL VALVE)
main90080-50247i202109-202301
main90501-14173i202108-202301
main90501-T0001i202108-202301
44337UNION, POWER STEERING SUCTION PORT
main44337-0K020i202109-202301
main44337-0K040i202108-202209
main44337-0K050i202108-202210
44337ARING, O(FOR POWER STEERING SUCTION PORT)
main90080-30049i202109-202301
main90080-30093i202108-202303
main90301-15025i202108-202210
44338UNION, PRESSURE PORT
main44338-71010i202108-202207
44341PLATE, VANE PUMP SIDE, FRONT
main44341-06010i202108-202209
main44341-60040i202108-202207
44360RESERVOIR ASSY, VANE PUMP OIL
main44360-0K050i202108-202207
main44360-0K060i202109-202301
main44360-0K070i202108-202301
44369ABRACKET, OIL RESERVOIR, NO.1
main44390-0K010i202108-202301
main44390-0K020i202109-202301
main44390-0K030i202108-202301
4503
89438DSWITCH, POWER STEERING OIL PRESSURE
main89438-71010i202108-202207
9010508365
9011908B61
90119T0130
90119T0196
90119T0344

21 parts on this diagram · 5 diagrams in section

VANE PUMP & RESERVOIR (POWER STEERING) — Toyota Parts Diagram with OEM Numbers & Prices | EPC Data