E
EPC Data

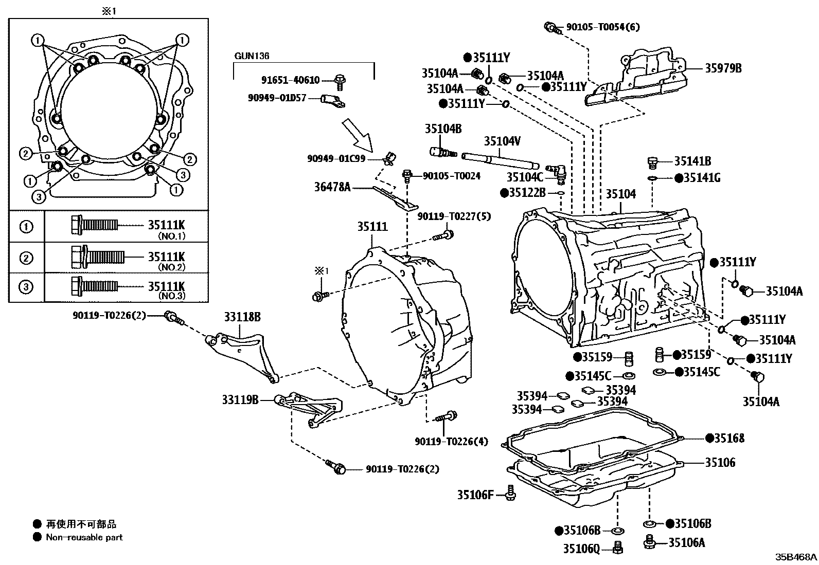
TRANSMISSION CASE & OIL PAN (ATM)

Parts diagram
33118BPLATE, STIFFENER, RH(ATM)
main33118-0K030i202308-202407
main33118-0K040i202402-202410
33119BPLATE, STIFFENER, LH(ATM)
main33119-0K020i202308-202407
main33119-0K040i202402-202410
35104CASE SUB-ASSY, AUTOMATIC TRANSMISSION
main35104-0K010i202308-202407
TYPE B:REFER 35-01
main35104-71020i202312-202407
TYPE A:REFER 35-01
35104APLUG, AUTOMATIC TRANSMISSION CASE
main90341-08001×6i202308-202407
TYPE A:REFER 35-01; TYPE B:REFER 35-01
35104BPLUG, BREATHER, NO.1 (ATM)
main90930-03211i202308-202407
(J),TYPE B:REF.35-01; TYPE A:REFER 35-01
main90930-T3004i202308-202407
(L),TYPE B:REF.35-01
35104CPLUG, BREATHER, NO.2 (ATM)
main90930-03220i202308-202407
(J),TYPE B:REF.35-01; TYPE A:REFER 35-01
main90930-T3006i202308-202407
(L),TYPE B:REF.35-01
35104VHOSE (FOR BREATHER PLUG)
main90447-11078i202308-202407
TYPE B:REFER 35-01
main90447-11080i202308-202407
TYPE A:REFER 35-01; TYPE B:REFER 35-01
main90447-11081i202308-202410
TYPE A:REFER 35-01
35106PAN SUB-ASSY, AUTOMATIC TRANSMISSION OIL
main35106-0K010i202308-202407
TYPE B:REFER 35-01
main35106-71050i202308-202407
TOYOTA STOP & START SYSTEM-WITH,TYPE A:REFER 35-01; TYPE A:REFER 35-01
35106APLUG SUB-ASSY, DRAIN (ATM)
main90341-10011i202308-202407
TYPE A:REFER 35-01; TYPE B:REFER 35-01
35106BGASKET, DRAIN PLUG (ATM)
main35178-30010×2i202308-202407
TYPE A:REFER 35-01; TYPE B:REFER 35-01
35106FBOLT (FOR AUTOMATIC TRANSMISSION OIL PAN)
main90119-06A02×10i202308-202407
TYPE A:REFER 35-01; TYPE B:REFER 35-01
35106QPLUG (FOR AUTOMATIC TRANSMISSION OIL PAN)
main90341-10021i202308-202407
TYPE A:REFER 35-01; TYPE B:REFER 35-01
35111HOUSING, AUTOMATIC TRANSMISSION
main35111-0K010i202308-202407
TYPE B:REFER 35-01
main35111-0K020i202308-202407
TYPE B:REFER 35-01
main35111-71030i202308-202407
TOYOTA STOP & START SYSTEM-WITH,TYPE A:REFER 35-01; TYPE A:REFER 35-01
35111KBOLT (FOR TRANSMISSION HOUSING & CASE SETTING)
main90119-08C62i202308-202407
*8-1.25PX30-23.5; *8-1.25PX30-23.5,TOYOTA STOP & START SYSTEM-WITH
main90119-10232×8i202308-202407
*10-1.5PX35-30,T/P A:REF.35-01,NO.1; *10-1.5PX35-30,T/P B:REF.35-01,NO.1
main90119-10947×2i202308-202407
*10-1.50PX35-29.3,T/P A:REF.35-01,NO.3; *10-1.50PX35-29.3,T/P B:REF.35-01,NO.3
main90119-12378×2i202308-202407
*12-1.75PX38-30,T/P A:REF.35-01,NO.2; *12-1.75PX38-30,T/P B:REF.35-01,NO.2
35111YRING, O (FOR AUTOMATIC TRANSMISSION CASE)
main90301-06196×6i202308-202410
TYPE A:REFER 35-01
main90301-T0067×6i202308-202407
TYPE B:REFER 35-01
35122BRING, O (FOR AUTOMATIC TRANSAXLE BREATHER TUBE UNION)
main90301-08015i202308-202407
TOYOTA STOP & START SYSTEM-WITH,TYPE A:REFER 35-01; TYPE A:REFER 35-01
main90301-T0070i202308-202407
(L),TYPE B:REF.35-01; TOYOTA STOP & START SYSTEM-WITH,TYPE B:REFER 35-01; TYPE B:REFER 35-01
35141BPLUG (FOR AUTOMATIC TRANSMISSION CASE)
main90341-14011i202308-202407
TYPE A:REFER 35-01; TYPE B:REFER 35-01
35141GRING, O (FOR AUTOMATIC TRANSMISSION CASE)
main90301-11030i202308-202407
TOYOTA STOP & START SYSTEM-WITH,TYPE A:REFER 35-01; TYPE A:REFER 35-01
main90301-T0069i202308-202407
TYPE B:REFER 35-01
35145CGASKET, TRANSAXLE CASE
main35145-60020×2i202308-202407
TYPE A:REFER 35-01; TYPE B:REFER 35-01
35159GASKET, BRAKE DRUM
main35159-0K010×2i202308-202407
TYPE B:REFER 35-01
main35159-71010×2i202402-202410
35168GASKET, AUTOMATIC TRANSMISSION OIL PAN
main35168-0K010i202308-202407
(L),TYPE B:REF.35-01
main35168-71010i202308-202407
(J),TYPE B:REF.35-01; TYPE A:REFER 35-01
35394MAGNET, OIL CLEANER (FOR TRANSMISSION)
main35394-30011×4i202308-202407
TYPE A:REFER 35-01; TYPE B:REFER 35-01
35979BINSULATOR, TRANSMISSION, RH
main35979-0K010i202308-202407
36478ABRACKET, TRANSMISSION BREATHER
main36478-0K040i202308-202407
main36478-0K060i202308-202410
90105T0024
90105T0054
90119T0226
90119T0227
9094901C99
9094901D57
9165140610

31 parts on this diagram · 2 diagrams in section

TRANSMISSION CASE & OIL PAN (ATM) — Toyota Parts Diagram with OEM Numbers & Prices | EPC Data