E
EPC Data

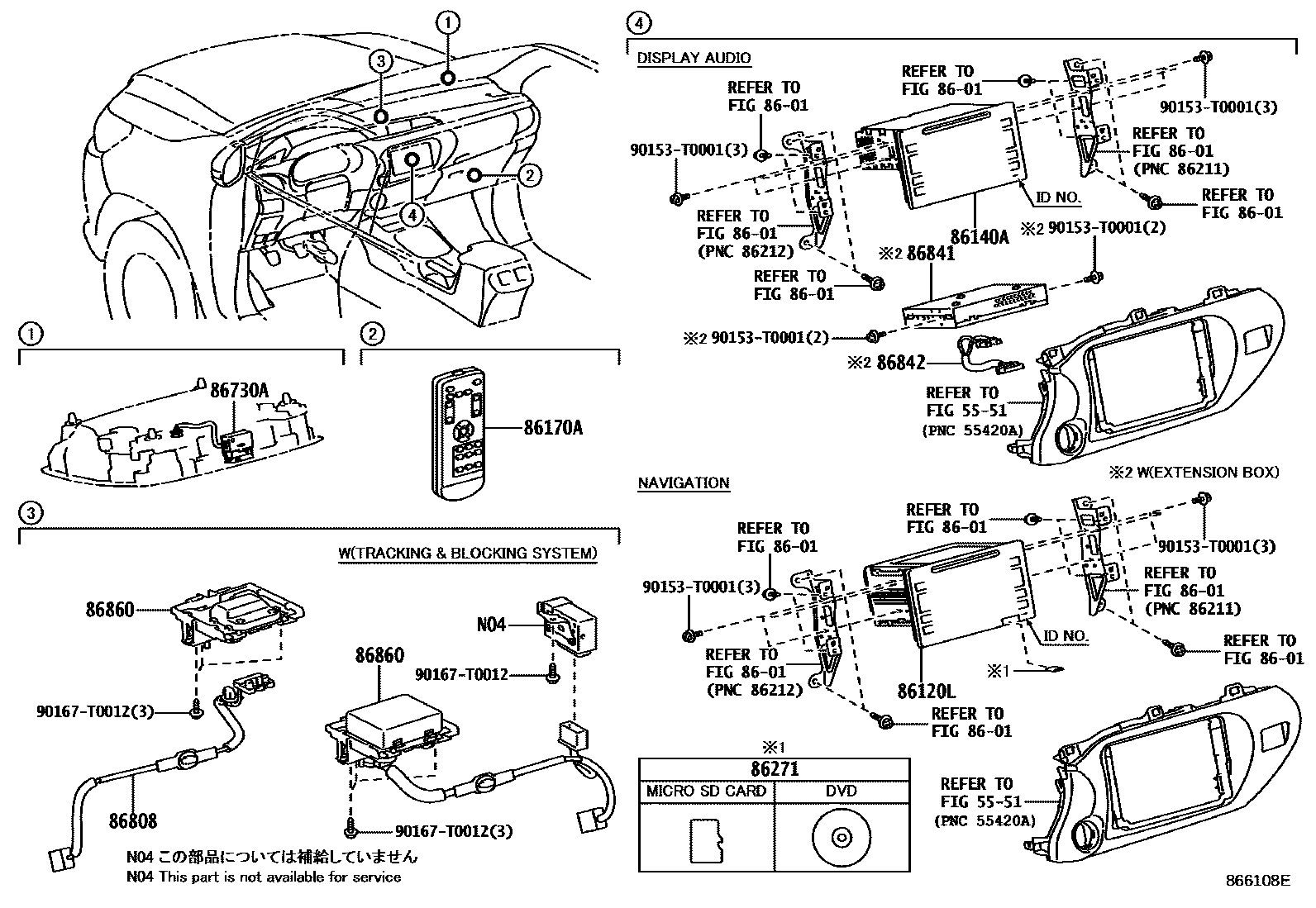
NAVIGATION & FRONT MONITOR DISPLAY

Parts diagram
5551INSTRUMENT PANEL & GLOVE COMPARTMENT
8601RADIO RECEIVER & AMPLIFIER & CONDENSER
86120LRECEIVER ASSY, NAVIGATION
main86804-0K070i201511-201610
PIONEER,ID=P10775; PIONEER,ID=P10775,AUDIO-AVN & DVD & *BT & DIGITAL TV
main86804-0K071i201610-201907
PIONEER,ID=P10775; PIONEER,ID=P10775,AUDIO-AVN & DVD & *BT & DIGITAL TV
main86804-0K080i201505-202005
FUJITSU TEN,ID100409; FUJITSU TEN,ID100409,AUDIO-*DA & CD & *BT & ENTUNE
main86804-0K110i201511-201610
PIONEER,ID=P10776; PIONEER,ID=P10776,AUDIO-AVN & DVD & *BT & DIGITAL TV
main86804-0K111i201610-201907
PIONEER,ID=P10776; PIONEER,ID=P10776,AUDIO-AVN & DVD & *BT & DIGITAL TV
main86804-0K060supersedes 86804-0K061i201505-201610
PIONEER,ID=P10774; PIONEER,ID=P10774,AUDIO-AVN & DVD & *BT; PIONEER,ID=P10774,AUDIO-WITHOUT & WITH(AUDIO LESS COVER)
main86804-0K061i201610-201912
PIONEER,ID=P10774,AUDIO-WITHOUT & WITH(AUDIO LESS COVER)
main86804-0K090i201505-201905
PANASONIC,ID=510040,AUDIO-AVN & DVD & *BT
main86804-0K100i201601-201906
PANASONIC,ID=510041,AUDIO-AVN & DVD & *BT & RDS & DAB
86140ARECEIVER ASSY, RADIO & DISPLAY
main86140-0K200i201505-202005
FUJITSU TEN,ID100405; FUJITSU TEN,ID100405,AUDIO-*DA & CD & *BT & ENTUNE
main86140-0K570i201505-201905
FUJITSU TEN,ID100402
main86140-0K610i201511-201610
PIONEER,ID=P10773; PIONEER,ID=P10773,AUDIO-AVN & DVD & *BT & DIGITAL TV
main86140-0K611i201610-201907
PIONEER,ID=P10773; PIONEER,ID=P10773,AUDIO-*DA(10KHZ) & DVD & *BT; PIONEER,ID=P10773,AUDIO-AVN & DVD & *BT & DIGITAL TV
main86140-0KB50i201601-202006
PIONEER,ID=P10968; PIONEER,ID=P10968,EXPORT FROM SOUTH AFRICA&AUDIO-*DA & DVD & *BT
main86140-0KB51i202007-202102
PIONEER,ID=P10968
main86140-0KD50i201511-201612
PIONEER,ID=P11127; PIONEER,ID=P11127,AUDIO-*DA(10KHZ) & DVD & *BT; PIONEER,ID=P11127,AUDIO-AVN & DVD & *BT & DIGITAL TV
main86140-0KD51i201701-201901
PIONEER,ID=P11127; PIONEER,ID=P11127,AUDIO-*DA(10KHZ) & DVD & *BT; PIONEER,ID=P11127,AUDIO-AVN & DVD & *BT & DIGITAL TV
main86140-0KD52i201901-201907
PIONEER,ID=P11127; PIONEER,ID=P11127,AUDIO-*DA(10KHZ) & DVD & *BT; PIONEER,ID=P11127,AUDIO-AVN & DVD & *BT & DIGITAL TV
main86140-0KM20i201907-202010
PIONEER; PIONEER,AUDIO-8INCH *DA & *BT; PIONEER,AUDIO-AVN & DVD & *BT & DIGITAL TV
main86140-0KM40i201907-202010
PIONEER; PIONEER,AUDIO-8INCH AVN & *BT & DIGITAL TV
main86140-0K140supersedes 86140-0K620i201708-202005
FUJITSU TEN,ID100401,ASEAN GENERAL SPEC&AUDIO-*DA & CD & *BT & 4SPEAKER; FUJITSU TEN,ID100401,OCEANIA GENERAL SPEC&AUDIO-*DA & CD & *BT & 4SPEAKER
main86140-0K550i201505-202005
PIONEER,ID=P10781,ASEAN GENERAL SPEC&AUDIO-*DA & DVD & *BT; PIONEER,ID=P10781,AUDIO-*DA & DVD & *BT
main86140-0K580i201708-201805
PIONEER,ID=P10794,STEERING SWITCH-WITH(AUDIO & TELEPHONE)&AUDIO-*DA & DVD & *BT
main86140-0K581i201806-202005
PIONEER,ID=P10794,AUDIO-*DA & DVD & *BT
main86140-0K590i201601-201906
PIONEER,ID=P10783; PIONEER,ID=P10783,AUDIO-AVN & CD & *BT & 6SPEAKER; PIONEER,ID=P10783,AUDIO-WITHOUT & WITH(AUDIO LESS COVER); PIONEER,ID=P10783,AUDIO-WITHOUT&WITH(AUDIO LESS COVER)&6SPEAKER; PIONEER,ID=P10783,EXPORT FROM SOUTH AFRICA&AUDIO-AVN & CD & *BT & 6SPEAKER; PIONEER,ID=P10783,EXPORT FROM SOUTH AFRICA&AUDIO-WITHOUT&WITH(AUDIO LESS COVER)&6SPEAKER; PIONEER,ID=P10783,KENYA SPEC&AUDIO-AVN & CD & *BT & 6SPEAKER; PIONEER,ID=P10783,KENYA SPEC&AUDIO-WITHOUT&WITH(AUDIO LESS COVER)&6SPEAKER
main86140-0K600i201601-201707
PIONEER,ID=P10784,AUDIO-*DA & DVD & *BT
main86140-0K601i201708-202009
PIONEER,ID=P10784,AUDIO-*DA & DVD & *BT
main86140-0K612i201901-201905
PIONEER,ID=P10773,AUDIO-*DA(10KHZ) & DVD & *BT
main86140-0K620supersedes 86140-0K621i201505-201902
FUJITSU TEN,ID100403; FUJITSU TEN,ID100403,AUDIO-WITHOUT & WITH(AUDIO LESS COVER)
main86140-0K621i201903-201912
DENSO TEN,ID100403,AUDIO-WITHOUT & WITH(AUDIO LESS COVER)
main86140-0K670i201505-201608
PIONEER,ID=P10772,BRUNEI SPEC&AUDIO-*DA & DVD & *BT
main86140-0K671i201608-202005
PIONEER,ID=P10772,AUDIO-*DA & DVD & *BT; PIONEER,ID=P10772,BRUNEI SPEC&AUDIO-*DA & DVD & *BT
main86140-0K680i201505-202005
PIONEER,ID=P10785,CS AMERICA SPEC&AUDIO-*DA(10KHZ) & DVD & *BT
main86140-0KD20i201806-202005
FUJITSU TEN,ID100585,AUDIO-*DA & DVD & *BT
main86140-0KM30supersedes 86140-71020i201906-202009
PIONEER,AUDIO-8INCH AVN & *BT & RDS & DAB
main86140-71020i201906-202009
DENSO TEN; DENSO TEN,AUDIO-8INCH *DA & *BT & RDS & DAB; DENSO TEN,AUDIO-AVN & CD & *BT & 6SPEAKER; DENSO TEN,AUDIO-WITHOUT&WITH(AUDIO LESS COVER)&6SPEAKER; DENSO TEN,EXPORT FROM SOUTH AFRICA&AUDIO-AVN & CD & *BT & 6SPEAKER; DENSO TEN,EXPORT FROM SOUTH AFRICA&AUDIO-WITHOUT&WITH(AUDIO LESS COVER)&6SPEAKER; DENSO TEN,KENYA SPEC&AUDIO-AVN & CD & *BT & 6SPEAKER; DENSO TEN,KENYA SPEC&AUDIO-WITHOUT&WITH(AUDIO LESS COVER)&6SPEAKER
86170ASWITCH & VOLUME ASSY
main86170-0K020i201806-202005
AUDIO-*DA & DVD & *BT
86271DISC, DISC PLAYER
main86271-0E171i201505-201507
main86271-0E172i201508-201608
main86271-0E173i201609-201710
main86271-0E174i201710-201809
AUDIO-AVN & CD & *BT & DAB & ENTUNE
main86271-0E175i201810-201909
AUDIO-AVN & CD & *BT & DAB & ENTUNE
main86271-0E176i201910-202005
AUDIO-AVN & CD & *BT & DAB & ENTUNE
main86271-33122i201511-201708
AUDIO-AVN & DVD & *BT & DIGITAL TV
main86271-33123i201709-201808
AUDIO-AVN & DVD & *BT & DIGITAL TV
main86271-33124i201808-201907
AUDIO-AVN & DVD & *BT & DIGITAL TV; BRAZIL SPEC
main86271-33232i201511-201708
AUDIO-AVN & DVD & *BT & DIGITAL TV
main86271-33233i201709-201808
AUDIO-AVN & DVD & *BT & DIGITAL TV
main86271-33234i201808-201907
AUDIO-AVN & DVD & *BT & DIGITAL TV
main86807-11072i201908-202010
AUDIO-8INCH AVN & *BT & DIGITAL TV; BRAZIL SPEC
main86807-33011i201908-202010
AUDIO-8INCH AVN & *BT & DIGITAL TV
main86271-60382i201505-201708
AUDIO-AVN & DVD & *BT; AUDIO-WITHOUT & WITH(AUDIO LESS COVER)
main86271-60383supersedes 86271-60385i201709-201808
AUDIO-AVN & DVD & *BT; AUDIO-WITHOUT & WITH(AUDIO LESS COVER)
main86271-60384supersedes 86271-60385i201808-201907
AUDIO-AVN & DVD & *BT; AUDIO-WITHOUT & WITH(AUDIO LESS COVER)
main86271-60385i201908-201912
AUDIO-WITHOUT & WITH(AUDIO LESS COVER)
main86271-60401i201505-201507
AUDIO-AVN & DVD & *BT
main86271-60402i201508-201608
AUDIO-AVN & DVD & *BT
main86271-60403i201609-201707
AUDIO-AVN & DVD & *BT
main86271-60404i201708-201807
AUDIO-AVN & DVD & *BT
main86271-60405i201808-201905
AUDIO-AVN & DVD & *BT
main86271-60406i201908-202005
AUDIO-AVN & DVD & *BT
main86271-60412i201601-201608
AUDIO-AVN & DVD & *BT & RDS & DAB
main86271-60413i201609-201708
AUDIO-AVN & DVD & *BT & RDS & DAB
main86271-60414i201709-201807
AUDIO-AVN & DVD & *BT & RDS & DAB
main86271-60415i201808-201906
AUDIO-AVN & DVD & *BT & RDS & DAB
main86807-11063i201908-202009
AUDIO-8INCH AVN & *BT & RDS & DAB
86730AMICROPHONE ASSY, TELEPHONE
main86730-20060i201505-202102
AUDIO-AM/FM & CD & *BT & 4SPEAKER
main86730-60050i201505-202010
AUDIO-AM/FM(10KHZ) & CD & *BT & 4SPEAKER; FRONT PERSONAL LAMP-WITH(BULB TYPE) & WITH(ROOF CONSOLE BOX)&AUDIO-AM/FM(10KHZ) &CD & *BT & 4SPEAKER
86808CORD SUB-ASSY, NAVIGATION ANTENNA, NO.1
main86808-0K050i201505-201801
ASEAN GENERAL SPEC&AUDIO-AM/FM & CD & *BT & 4SPEAKER; AUDIO-*DA & CD & *BT & 4SPEAKER; AUDIO-*DA & CD & *BT & ENTUNE; AUDIO-AVN & DVD & *BT; AUDIO-WITHOUT & WITH(AUDIO LESS COVER)
main86808-0K051i201905-202005
main86808-0K180i201511-201711
ANTI-THEFT SYSTEM-WITH(*IM & SIREN); ANTI-THEFT SYSTEM-WITH(*IM & SIREN)&AUDIO-AVN & DVD & *BT & DIGITAL TV; ANTI-THEFT SYSTEM-WITH(IMMOBILIZER & SECURITY HORN)&AUDIO-AVN & DVD & *BT & DIGITAL TV; AUDIO-AVN & DVD & *BT & DIGITAL TV
main86808-0K181i201711-202006
main86808-0K230i201601-201711
AUDIO-AVN & DVD & *BT & RDS & DAB
main86808-0K231i201906-202002
AUDIO-WITHOUT & WITH(AUDIO LESS COVER); EXPORT FROM SOUTH AFRICA&AUDIO-*DA & DVD & *BT
86841COMPUTER, NAVIGATION
main86840-0K130i201907-201908
AUDIO-8INCH AVN & *BT & DIGITAL TV; BRAZIL SPEC
main86840-0K131i201908-202010
AUDIO-8INCH AVN & *BT & DIGITAL TV; BRAZIL SPEC
main86840-0K140i201907-201908
AUDIO-8INCH AVN & *BT & DIGITAL TV
main86840-0K141i201908-202010
AUDIO-8INCH AVN & *BT & DIGITAL TV
main86840-0K150i201906-201907
AUDIO-8INCH AVN & *BT & RDS & DAB
main86840-0K151i201908-202009
AUDIO-8INCH AVN & *BT & RDS & DAB
86842WIRE, NAVIGATION, NO.1
main86842-33150i201907-202010
AUDIO-8INCH AVN & *BT & DIGITAL TV
86860ANTENNA ASSY, NAVIGATION
main86860-0K040supersedes 86880-0K040i201505-202010
main86880-0K020i201511-201808
ANTI-THEFT SYSTEM-WITH(*IM & SIREN); ANTI-THEFT SYSTEM-WITH(IMMOBILIZER & SECURITY HORN); ANTI-THEFT SYSTEM-WITH(IMMOBILIZER)
main86880-0K040i201511-201808
AUDIO-AVN & DVD & *BT & DIGITAL TV
90153T0001
90167T0012

13 parts on this diagram · 1 diagram in section

NAVIGATION & FRONT MONITOR DISPLAY — Toyota Parts Diagram with OEM Numbers & Prices | EPC Data