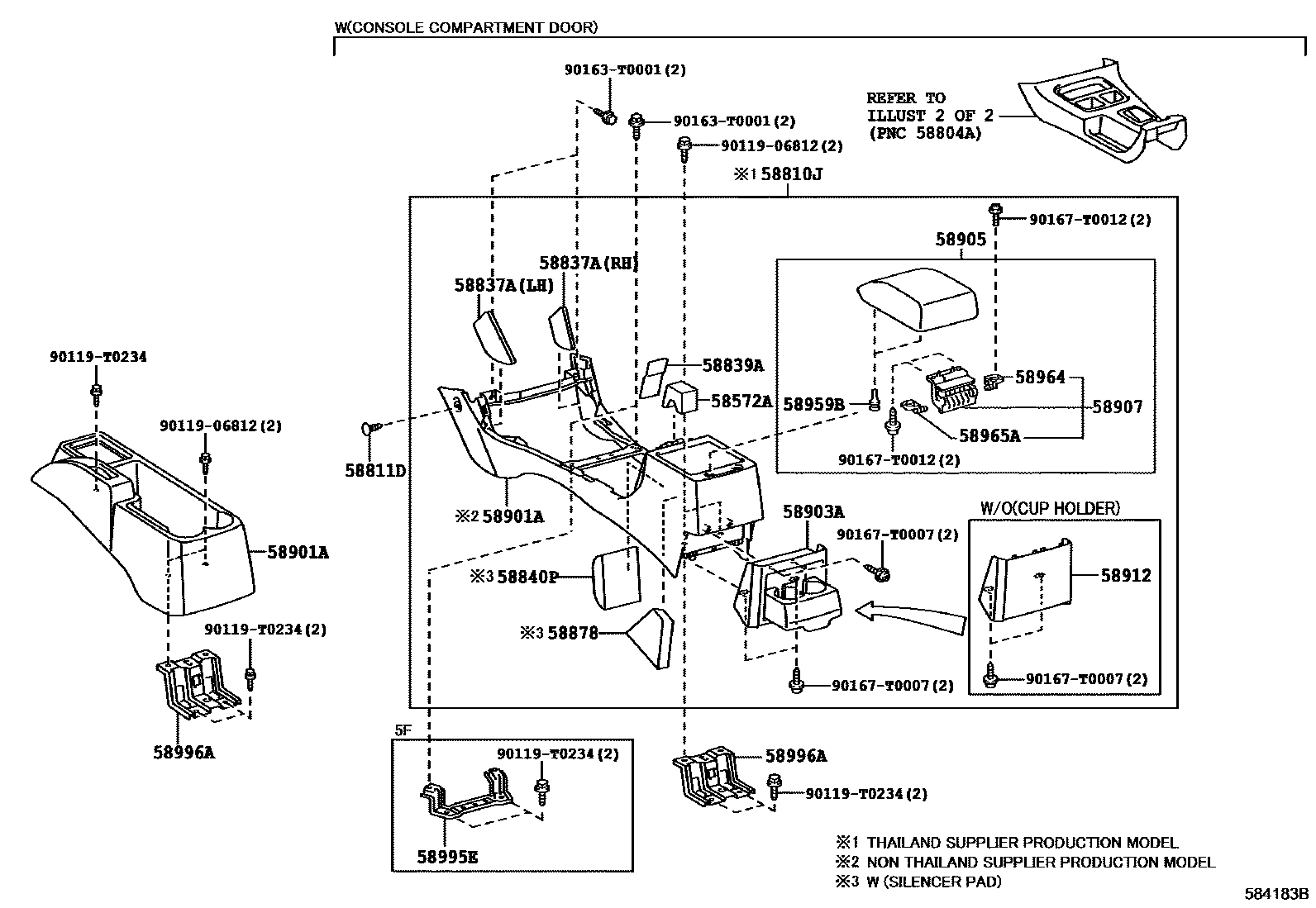
CONSOLE BOX & BRACKET

58572ACUSHION, CONSOLE BOX
FRONT SEAT-PASSENGER SEAT(FOR ONE PERSON)
58810JBOX ASSY, CONSOLE
main58810-0K011-B1supersedes 58810-0K011-B1iTGN16..SR..TH;KUN25..DLX..IDN;KUN26..RHD..DCB..5F..GEN;GGN15,25,KUN36..DCB..5F..(ARL,GEN)201107-201405
MD.GRAY,TRIM1#
BLACK,TRIM2#
SAND BEIGE,TRIM4#
MD.GRAY,TRIM10
DK.GRAY,TRIM11
main58810-0K031-C0iGGN25..5FC..SR..ARL;KUN26..RHD..DCB..4FC..(GEN,TH);GGN15,KUN16,25,TGN16,26..DCB..(4FC,5FC)..(ARL,GEN,IDN)201308-201405
BLACK,TRIM2#
SAND BEIGE,TRIM4#
MD.GRAY,TRIM1#
BLACK,TRIM2#
SAND BEIGE,TRIM4#
MD.GRAY,TRIM1#
DK.GRAY,TRIM11
main58810-0K070-C0iKUN16,26..DCB..5F..(ARL,TH);KUN15,25,36..DCB..5F..SR..TH;KUN35..RHD..DCB..5F..(GEN,TH)201308-201405
BLACK,TRIM2#
MD.GRAY,TRIM1#
BLACK,TRIM2#
MD.GRAY,TRIM1#
BLACK,TRIM2#
SAND BEIGE,TRIM4#
MD.GRAY,TRIM1#
FRONT SEAT-PASSENGER SEAT(FOR ONE PERSON),BLACK,TRIM2#
SAND BEIGE,TRIM4#
MD.GRAY,TRIM1#
FRONT SEAT-PASSENGER SEAT(FOR ONE PERSON),BLACK,TRIM2#
MD.GRAY,TRIM1#
DK.GRAY,TRIM11
BLACK,TRIM2#
SAND BEIGE,TRIM4#
MD.GRAY,TRIM1#
BLACK,TRIM2#
SAND BEIGE,TRIM4#
MD.GRAY,TRIM1#
BLACK,TRIM2#
main58810-0K370-B0supersedes 58810-0K070-B1iKUN25..DLX..IDN;TGN16..RHD..DCB..5F;KUN26,36..RHD..DCB..5F..GEN201406-201504
MD.GRAY,TRIM1#
BLACK,TRIM2#
main58810-0K370-E0supersedes 58810-0K400-E0iTGN16..SR..TH;KUN25..DLX..IDN;KUN26,36..RHD..DCB..5F..GEN201406-201504
SAND BEIGE,TRIM4#
MD.GRAY,TRIM1#
BLACK,TRIM2#
main58810-0K400-B0iKUN16,26..DCB..5F..(ARL,TH);KUN15,25,36..DCB..5F..SR..TH;KUN35..RHD..DCB..5F..(GEN,TH)201406-201504
MD.GRAY,TRIM1#
main58810-0K400-C0iKUN16,26..DCB..5F..(ARL,TH);KUN15,25,36..DCB..5F..SR..TH;KUN35..RHD..DCB..5F..(GEN,TH)201406-201504
BLACK,TRIM2#
main58810-0K420-B0iKUN26..(SCB,SMT,XTR)..5F..(ARL,TH);KUN15,16,25,3#..(SMT,XTR)..5F..(ARL,TH)201406-201504
MD.GRAY,TRIM1#
BLACK,TRIM2#
main58810-0K430-B0iKUN26..RHD..DCB..4FC..(GEN,TH);GGN15,25,KUN16,25,TGN16,26..DCB..(4FC,5FC)..(ARL,GEN)201406-201504
MD.GRAY,TRIM1#
main58810-0K430-C0iKUN26..RHD..DCB..4FC..(GEN,TH);GGN15,25,KUN16,25,TGN16,26..DCB..(4FC,5FC)..(ARL,GEN,IDN)201406-201504
BLACK,TRIM2#
SAND BEIGE,TRIM4#
MD.GRAY,TRIM1#
BLACK,TRIM2#
MD.GRAY,TRIM1#
BLACK,TRIM2#
SAND BEIGE,TRIM4#
MD.GRAY,TRIM1#
BLACK,TRIM2#
SAND BEIGE,TRIM4#
MD.GRAY,TRIM1#
FRONT SEAT-PASSENGER SEAT(FOR ONE PERSON),BLACK,TRIM2#
SAND BEIGE,TRIM4#
MD.GRAY,TRIM1#
FRONT SEAT-PASSENGER SEAT(FOR ONE PERSON),BLACK,TRIM2#
MD.GRAY,TRIM1#
BLACK,TRIM2#
SAND BEIGE,TRIM4#
MD.GRAY,TRIM1#
BLACK,TRIM2#
THAI SPEC(EURO 3 REGULATION),DK.GRAY,TRIM11
KAZAKHSTAN SPEC&FRONT SEAT-PASSENGER SEAT(FOR ONE PERSON),MD.GRAY,TRIM1#
KAZAKHSTAN SPEC&FRONT SEAT-PASSENGER SEAT(FOR ONE PERSON),BLACK,TRIM2#
CHILE SPEC(EURO 4 REGULATION),MD.GRAY,TRIM1#
CHILE SPEC(EURO 4 REGULATION)&CONSOLE BOX-WITH(DOOR & REAR CUP HOLDER),BLACK,TRIM2#
FRONT SEAT-PASSENGER SEAT(FOR ONE PERSON),MD.GRAY,TRIM1#
FRONT SEAT-PASSENGER SEAT(FOR ONE PERSON),BLACK,TRIM2#
CHILE SPEC(EURO 4 REGULATION),MD.GRAY,TRIM1#
CHILE SPEC(EURO 4 REGULATION),BLACK,TRIM2#
COLOMBIA SPEC,MD.GRAY,TRIM1#
COLOMBIA SPEC,BLACK,TRIM2#
KAZAKHSTAN SPEC,MD.GRAY,TRIM1#
KAZAKHSTAN SPEC&FRONT SEAT-PASSENGER SEAT(FOR ONE PERSON),BLACK,TRIM2#
FRONT SEAT-PASSENGER SEAT(FOR ONE PERSON),MD.GRAY,TRIM1#
FRONT SEAT-PASSENGER SEAT(FOR ONE PERSON),BLACK,TRIM2#
58811DCLIP(FOR CONSOLE BOX)
DK.GRAY,TRIM1#
main90467-T0002-C0×2supersedes 90467-T0002-C0iKUN26..4FC..TH;TGN16..RHD..DCB;GGN25..5FC..SR..ARL;KUN25..DCB..(IDN,MA);KUN16,26,36,TGN26..RHD..(GEN,MA);GGN15,KUN25..DCB..(4FC,5FC)..(ARL,GEN)201308-201601
BLACK,TRIM2#,*299
SAND BEIGE,TRIM4#
ASH BROWN,TRIM1#
BLACK,TRIM2#,*306
ASH BROWN,TRIM1#,*306
58837APAD, CONSOLE BOX SILENCER, NO.2
FRONT SEAT-PASSENGER SEAT(FOR ONE PERSON),RH
CHILE SPEC(EURO 4 REGULATION)&TIRE & DISC WHEEL-265/70R16 7J,LH
58839ACOVER, CONSOLE BOX HOLE
MD.GRAY,TRIM1#
DK.GRAY,TRIM11
main58839-0K010-C0supersedes 58839-0K010-C0iKUN26,36..DLX..DCR..LA;KUN26,TGN36..(4FC,5FC)..DLX..LA201308-201406
EXPORT FROM ARGENTINA&CONSOLE BOX-WITH(DOOR & REAR CUP HOLDER),BLACK,TRIM2#
main58839-0K010-E1iKUN35..LHD..SR;KUN25,35..IDN,TH;KUN25..RHD..4FC..DLX;KUN16,36,TGN26..RHD..(DCB,SMT)..(GEN,TH);KUN15,26,TGN16..(DCB,SMT)..SR..(GEN,PHL,TH)201107-201609
SAND BEIGE,TRIM4#
58840PPAD, CONSOLE BOX SILENCER, NO.3
main58859-0K010supersedes 58859-0K010iKUN26..ARL;KUN26..5F..SR..IART;KUN35..DCB..DLX..GEN;KUN15..SMT..DLX..HDCR;KUN26,36..5F..DCR..LA;KUN16..(DCB,XTR)..(5F,5FC);KUN26,3#..5FC..(CO,GEN,LA,TH)201107-201510
58878PAD, CONSOLE BOX SILENCER, NO.4
main58878-0K010supersedes 58878-0K010iKUN26..ARL;KUN26..5F..SR..IART;KUN35..DCB..DLX..GEN;KUN15..SMT..DLX..HDCR;KUN26,36..5F..DCR..LA;KUN16..(DCB,XTR)..(5F,5FC);KUN26,3#..5FC..(CO,GEN,LA,TH)201107-201510
58901ABOX SUB-ASSY, CONSOLE, REAR
MD.GRAY,TRIM1#
BLACK,TRIM2#
main58901-0K020-B1iKUN25,TGN26..THDCB..DLX;KUN15,25,TGN26..DCB..DLX..(CO,LA,PHL);KUN26,35,TGN36..LHD..(DCB,THDCB)..5F..DLX..(HDCR,HTWC,HTWCF,IART)..(CO,GEN,LA)201107-201510
MD.GRAY,TRIM1#
main58901-0K020-C0iKUN25,TGN26..THDCB..DLX;KUN15,25,TGN26..DCB..DLX..(CO,LA,PHL);KUN26,35,TGN36..LHD..(DCB,THDCB)..5F..DLX..(HDCR,HTWC,HTWCF,IART)..(CO,GEN,LA)201308-201504
BLACK,TRIM2#
main58911-0K010-B1supersedes 58911-0K010-B1iKUN25..5F..PKN;KUN35..DCB..DLX..SA;TGN36..SCB..HTWC..LA;KUN25..LHD..5F..DLX..SA;KUN15,LAN15,25,35,TGN15,26..5F..DLX..SA201108-201405
MD.GRAY,TRIM1#
EXPORT FROM ARGENTINA&CONSOLE BOX-WITH(DOOR & REAR CUP HOLDER),BLACK,TRIM2#
main58911-0K020-B1iKUN26..RHD..SADCB..4FC;GGN25,35,KUN2#,36..RHD..(4FC,5FC)..(MA,PKN,SA)201108-201406
MD.GRAY,TRIM1#
BLACK,TRIM2#
SAND BEIGE,TRIM4#
main58911-0K050-B1iKUN26..LHD..SADCB..4FC;GGN25,KUN2#,TGN26,36..LHD..(4FC,5FC)..(ANCOM,CO,LA,SA)201110-201405
MD.GRAY,TRIM1#
BLACK,TRIM2#
main58911-0K130-B0iKUN25..RHD..SCB..SA;KUN26..5F..SR..IART;KUN35..(SCB,XTR)..CBU;TGN26..DCB..DLX..ANCOM;KUN25..RHD..DCB..5F..(MA,SA);KUN26..(SADCB,SCB)..5F..(GEN,LA);KUN26,36,TGN16..5201406
MD.GRAY,TRIM1#
main58911-0K130-C0iKUN26..SADCB..5F;KUN25..DCB..5F..MA;TGN26..SR..HTWC..(CO,LA);KUN26,36,TGN36..5F..SR..LA201406-201601
BLACK,TRIM2#
MD.GRAY,TRIM1#
BLACK,TRIM2#
main58911-0K160-B0iKUN26..LHD..SADCB..4FC;GGN25,KUN2#,TGN26,36..LHD..(4FC,5FC)..(ANCOM,CO,LA,SA)201406
MD.GRAY,TRIM1#
BLACK,TRIM2#
58903APANEL SUB-ASSY, CONSOLE REAR END
MD.GRAY,TRIM1#
DK.GRAY,TRIM11
main58903-0K010-C0supersedes 58903-0K010-C0iGGN25..5FC..SR..ARL;KUN26..(5F,5FC)..SR..LA;KUN16,35..DCB..(ARL,GEN,PHL,TH);KUN26..4FC..(CO,GEN,LA,MA,PHL,TH);KUN25,TGN16..DCB..(ARL,IDN,MA,TH);GGN15,KUN25,TGN26..D201308-201601
BLACK,TRIM2#
SAND BEIGE,TRIM4#
58905DOOR SUB-ASSY, CONSOLE COMPARTMENT
MD.GRAY,TRIM10
DK.GRAY,TRIM11
main58905-0K010-C0supersedes 58905-0K010-C0iKUN26,36..DLX..DCR..LA;KUN26,TGN36..(4FC,5FC)..DLX..LA201308-201406
EXPORT FROM ARGENTINA&CONSOLE BOX-WITH(DOOR & REAR CUP HOLDER),BLACK,TRIM2#
SAND BEIGE,TRIM4#
58907HINGE SUB-ASSY, CONSOLE COMPARTMENT DOOR
TIRE & DISC WHEEL-265/70R16 7J
58912BOX, REAR CONSOLE, NO.2
MD.GRAY,TRIM1#
DK.GRAY,TRIM11
BLACK,TRIM2#
SAND BEIGE,TRIM4#
58959BCUSHION, CONSOLE COMPARTMENT DOOR
main90541-04079×2iTGN15..SA;KUN15..SCB..TH;KUN25..LHD..SA;TGN16..SCB..SR;KUN35..DCB..DLX..SA;TGN16..DCB..5F..(ARL,GCC);KUN25..(DCB,SCB)..(GCC,GEN);KUN15,LAN15,25,35,TGN11,26..(DCB,SC201107-201109
CHILE SPEC(EURO 4 REGULATION)&TIRE & DISC WHEEL-265/70R16 7J
(L)
58964STOPPER, CONSOLE COMPARTMENT DOOR, NO.1
FRONT SEAT-PASSENGER SEAT(FOR ONE PERSON),(L)
TIRE & DISC WHEEL-265/70R16 7J,(J)
sub58964-0K020
58965ASTOPPER, CONSOLE COMPARTMENT DOOR, NO.2
FRONT SEAT-PASSENGER SEAT(FOR ONE PERSON),(L)
58995EBRACKET, CONSOLE BOX MOUNTING, NO.1
main58995-0K010supersedes 58995-0K010iKUN26..SCB..LA;KUN25,35,TGN36..SCB..(HDCR,HTWCF)..LA..CBU201310
58996ABRACKET, CONSOLE BOX MOUNTING, NO.2
FRONT SEAT-PASSENGER SEAT(FOR ONE PERSON)
9011906812
main90119-06812
90119T0234
main90119-T0234
90163T0001
main90163-T0001
90167T0007
main90167-T0007
90167T0012
main90167-T0012
22 parts on this diagram · 3 diagrams in section