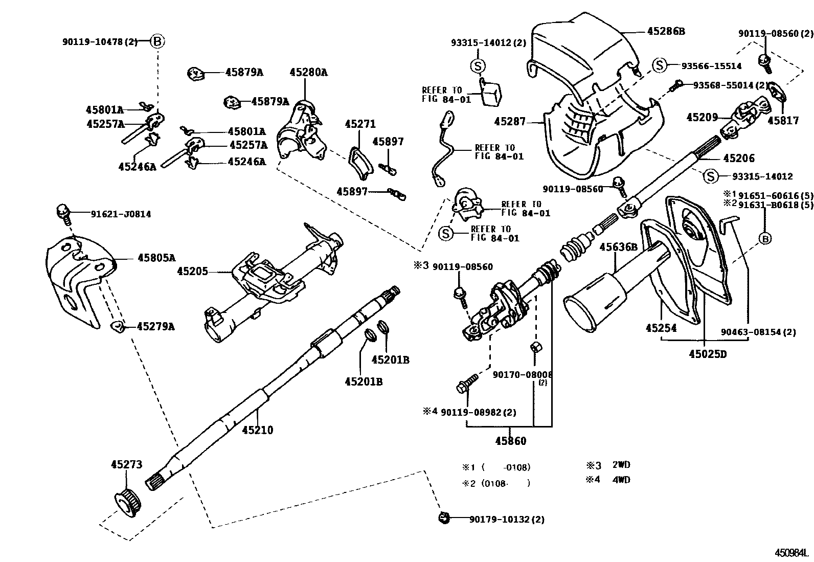
STEERING COLUMN & SHAFT

45025DCOVER SUB-ASSY, STEERING COLUMN HOLE, NO.1
45201BRING, SHAFT SNAP(FOR STEERING MAIN SHAFT)
T=1.20,LOWER
main90520-17269iLN147,167..IV3;KZN165..(DCB,SCB)..ARL;LN167..(DCB,THDCB)..DLX..ARL;LN172,RZN149,154,VZN167,172..ARL;LN147,152..(DCB,THDCB,THXTR,XTR)..ARL..CBU200108-200502
T=1.20,UPPER
45205TUBE SUB-ASSY, STEERING COLUMN
W(KEY REMIND WARNING)
W(TILT STEERING)
main45205-35270iRZN149..SCB..GCC;RZN149,168..DLX..(CO,GCC);LN141,146,166,RZN142,144,147,148,169..CO,GCC200108
W(TILT STEERING)
45206YOKE SUB-ASSY, STEERING SLIDING W/SHAFT
main45206-35070iKZN165,190,LN166,191,RZN168,193;LN167,RZN169..(DCB,SCB)..(CBR,DSL,EFI)..(ARL,GCC,GEN)199708-200108
45209YOKE SUB-ASSY, STEERING SLIDING
main45209-35110iLN147,167..IV3;KZN165..(DCB,SCB)..ARL;LN167..(DCB,THDCB)..DLX..ARL;LN172,RZN149,154,VZN167,172..ARL;LN147,152..(DCB,THDCB,THXTR,XTR)..ARL..CBU200108-200502
45210SHAFT ASSY, STEERING MAIN
main45210-02060iKDN165,190..IV1;LN167..THDCB..SR;LN167..THSCB..CBU;KZN165,RZN147,169,174..THDCB,THSCB,THXTR200109-200208
45246AGUIDE, STEERING ENERGY ABSORBING PLATE
45254SHIELD, STEERING COLUMN HOLE
main45254-35150iKZN165..TH;LN167..SR..ARL;KDN165,190..IV1;KZN165..THDCB,THSCB;RZN147,169,174..ARL;LN167..(SCB,THSCB)..ARL..CBU200108-200208
45257APLATE, STEERING COLUMN ENERGY ABSORBING
45271CLAMP, STEERING COLUMN, UPPER
45273BUSH, STEERING MAIN SHAFT
45279AATTACHMENT, STEERING COLUMN TUBE, LWR
45280ABRACKET ASSY, STEERING COLUMN, UPPER
main45280-12321iLN145..DCB..IV3;RZN147..DCB..GEN;LN145,166..LHD..GEN;RZN147..LHD..SCB..GEN;LN171,191,RZN142,149,154,169,193..MTM..DLX..GEN199708-200108
45286BCOVER, STEERING COLUMN, UPR
BLACK,TRIM1#
ILLUMINATION PACKAGE & PLATING PACKAGE & W(TILT STEERING),BLACK,TRIM1#; W(TILT STEERING),BLACK,TRIM1#
W/O(ILLUMINATION PACKAGE),BLACK,TRIM1#
main45286-35460-C0iLN147..IV3;KZN165..SR..ARL;RZN149..DCB..CO;LN145..RHD..GEN..CBU;RZN147,149,154,169..ARL;KZN165..(DCB,THSCB)..IV3;LN147,RZN148,168..(DCB,THDCB)..(ARL,CO);LN16#,172,RZN174,VZN167,172..ARL,GEN,MA,SA;KZN165,LN152..(THDCB,THSCB,THXTR,XTR)..DLX..CBU200108-200511
W(TILT STEERING),BLACK,TRIM1#
45287COVER, STEERING COLUMN, LWR
BLACK,TRIM1#; ILLUMINATION PACKAGE & PLATING PACKAGE,BLACK,TRIM1#
BLACK,TRIM1#
BLACK,TRIM1#
main45287-35350-C0iLN141,146,166,RZN142,144,147,149,169..GCC; LN145..DCB..IV3;RZN147..DCB..GEN;LN145,166..LHD..GEN;RZN147..LHD..SCB..GEN;LN171,191,RZN142,149,154,169,193..MTM..DLX..GEN199708-200108
W(TILT STEERING),BLACK,TRIM1#; W(TILT STEERING),BLACK,TRIM1#,3#
45636BPROTECTOR, INTERMEDIATE LINK JOINT
45801APIN SUB-ASSY, STEERING ENERGY ABSORBING
45805ASUPPORT SUB-ASSY, TILT STEERING
main45803-35010iLN167..SR..ARL;KZN165..THDCB..SR;RZN147,169,174..ARL;LN167..(SCB,THSCB)..ARL..CBU200108-200208
main45805-35020iRZN149..DCB..SR..GCC; RZN149..SCB..GCC;RZN148,149..DCB..DLX..(CO,GCC);LN141,146,166,RZN142,144,147,16#..(CO,GCC)..CBU200108
W(TILT STEERING)
45817STOPPER, STEERING SHAFT THRUST
45860SHAFT ASSY, STEERING INTERMEDIATE, NO.2
main45860-35180iLN145..DCB..GEN;RZN149..CBR..GEN;LN150,152..MTM..SR;RZN148..DLX..GEN..CBU;LN140,141,146,155,157,RZN142,147,YN140;LN145,RZN144,154..(SCB,XTR)..DLX..(CBR,DSL);LN145,RZN149..LHD..DLX..(CBR,DSL)..(GCC,TH)199708-200507
main45860-35190iLN145..LHD..IV3;LN155,RZN142..LHD;LN145..LHD..DLX..TH;RZN147..ARL,GCC,GEN;RZN149..DLX..(ARL,GCC);LN140,141,145,146,RZN144,148,154..DLX..(ARL,GCC,GEN,SA)..CBU; LN147..IV3;LN152..ARL..CBU;LN145,RZN144,148,149..SR;KDN145,15#,RZN148,149..CO,TH;LN145,147..RHD..(DCB,THDCB)..(ARL,TH)200108-200507
W(POWER STEERING)
W(POWER STEERING)
main45860-35200iRZN194..SCB;RZN169..CBR..GEN;LN166,171,19#,RZN168,193..DLX..(DSL,EFI)..(GEN,SA)199708-200511
main45860-35210iRZN169..GCC,GEN;RZN169..SR..ARL;RZN169..SCB..SR;RZN169..(THDCB,THSCB)..DLX;LN16#,172,192,RZN168..ARL,CO,MA,SA;LN166,RZN168,194..DCB..SR..(GEN,SA); RZN194..SCB;RZN169..DCB..SA;RZN169..(DCB,SCB)..DLX..(ARL,SA);LN166,171,191,RZN168,174,193..DLX..(ARL,GCC,GEN)200108-200507
W(POWER STEERING)
W(POWER STEERING)
45879ACAPSULE, BREAK AWAY
45897BOLT, STEERING LOCK SET
8401SWITCH & RELAY & COMPUTER
9011908560
main90119-08560
9011908982
main90119-08982
9011910478
main90119-10478
9017008008
main90170-08008
9017910132
main90179-10132
9046308154
main90463-08154
91621J0814
main91621-J0814
91631B0618
main91631-B0618
9165160616
main91651-60616
9331514012
main93315-14012
9356615514
main93566-15514
9356855014
main93568-55014
35 parts on this diagram · 2 diagrams in section