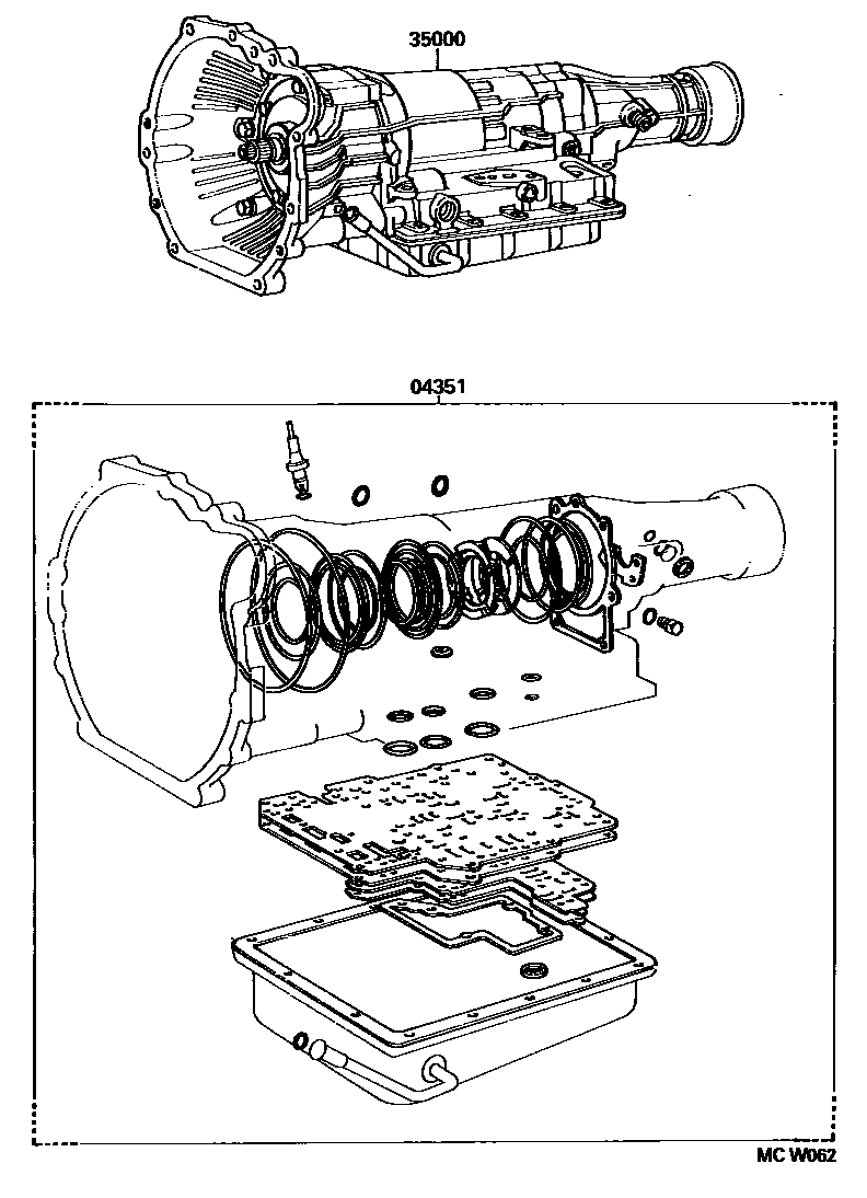
TRANSAXLE OR TRANSMISSION ASSY & GASKET KIT (ATM)

04351GASKET KIT, AUTOMATIC TRANSMISSION OVERHAUL
35000TRANSMISSION ASSY, AUTOMATIC
W(185R14C TIRE)
W(185R14C TIRE)
2 parts on this diagram · 1 diagram in section

2 parts on this diagram · 1 diagram in section