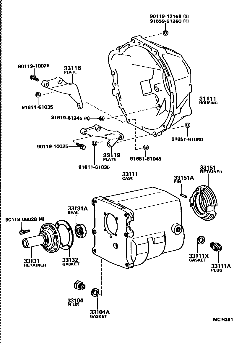
CLUTCH HOUSING & TRANSMISSION CASE (MTM)

31111HOUSING, CLUTCH
PHILLIPINES SPEC
33104PLUG SUB-ASSY, DRAIN(MTM)
33104AGASKET, DRAIN PLUG(MTM)
main90430-18008iYN80..4F;YN85..4F..TH;YN85..ARL,GEN;LN8#,90,RN125,8#,90,YN81,86,87,92..MTM198808-199305
33111CASE, MANUAL TRANSMISSION
33111APLUG, MANUAL TRANSMISSION CASE
33111XGASKET, TRANSMISSION CASE PLUG
33118PLATE, STIFFENER, RH(MTM)
33119PLATE, STIFFENER, LH(MTM)
33131RETAINER, BEARING, FRONT(MTM)
33131ASEAL, OIL(FOR TRANSMISSION FRONT BEARING RETAINER)
33132GASKET, FRONT BEARING RETAINER(MTM)
33151RETAINER, OUTPUT SHAFT REAR BEARING(MTM)
33151APIN, SLOTTED SPRING(FOR OUTPUT SHAFT REAR BEARING RETAINER)
9011906028
main90119-06028
9011910025
main90119-10025
9011912168
main90119-12168
9161161035
main91611-61035
9161961245
main91619-61245
9165161045
main91651-61045
9165161060
main91651-61060
9165961260
main91659-61260
21 parts on this diagram · 8 diagrams in section