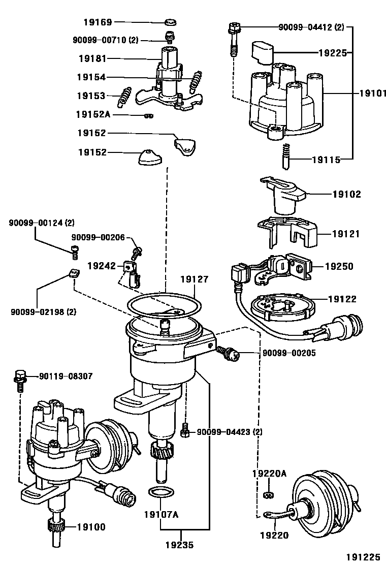
DISTRIBUTOR

19100DISTRIBUTOR ASSY
19101CAP SUB-ASSY, DISTRIBUTOR
19102ROTOR SUB-ASSY, DISTRIBUTOR
19107ARING, O, DISTRIBUTOR HOUSING
19115PIECE, DISTRIBUTOR CAP, CENTER
19121COVER, DUST PROOF
NO.1
NO.2
19122PLATE, STATIONARY, DISTRIBUTOR
19127PACKING, DUST PROOF
NO.1
NO.2
19152WEIGHT, GOVERNOR
19152ARING, SNAP(FOR GOVERNOR WEIGHT)
19153SPRING, GOVERNOR, A
19154SPRING, GOVERNOR, B
19169STOPPER, CAM GREASE
19181ROTOR, DISTRIBUTOR, SIGNAL
19220ADVANCER ASSY, VACUUM, DISTRIBUTOR
19220ARING, SNAP(FOR DISTRIBUTOR VACUUM ADVANCER)
19225CAP, RUBBER
19235HOUSING, DISTRIBUTOR
19242CLAMP, CORD
NO.1
NO.2
NO.1
19250GENERATOR ASSY, SIGNAL
9009900124
main90099-00124
9009900205
main90099-00205
9009900206
main90099-00206
9009900710
main90099-00710
9009902198
main90099-02198
9009904412
main90099-04412
9009904423
main90099-04423
9011908307
main90119-08307
28 parts on this diagram · 8 diagrams in section