E
EPC Data

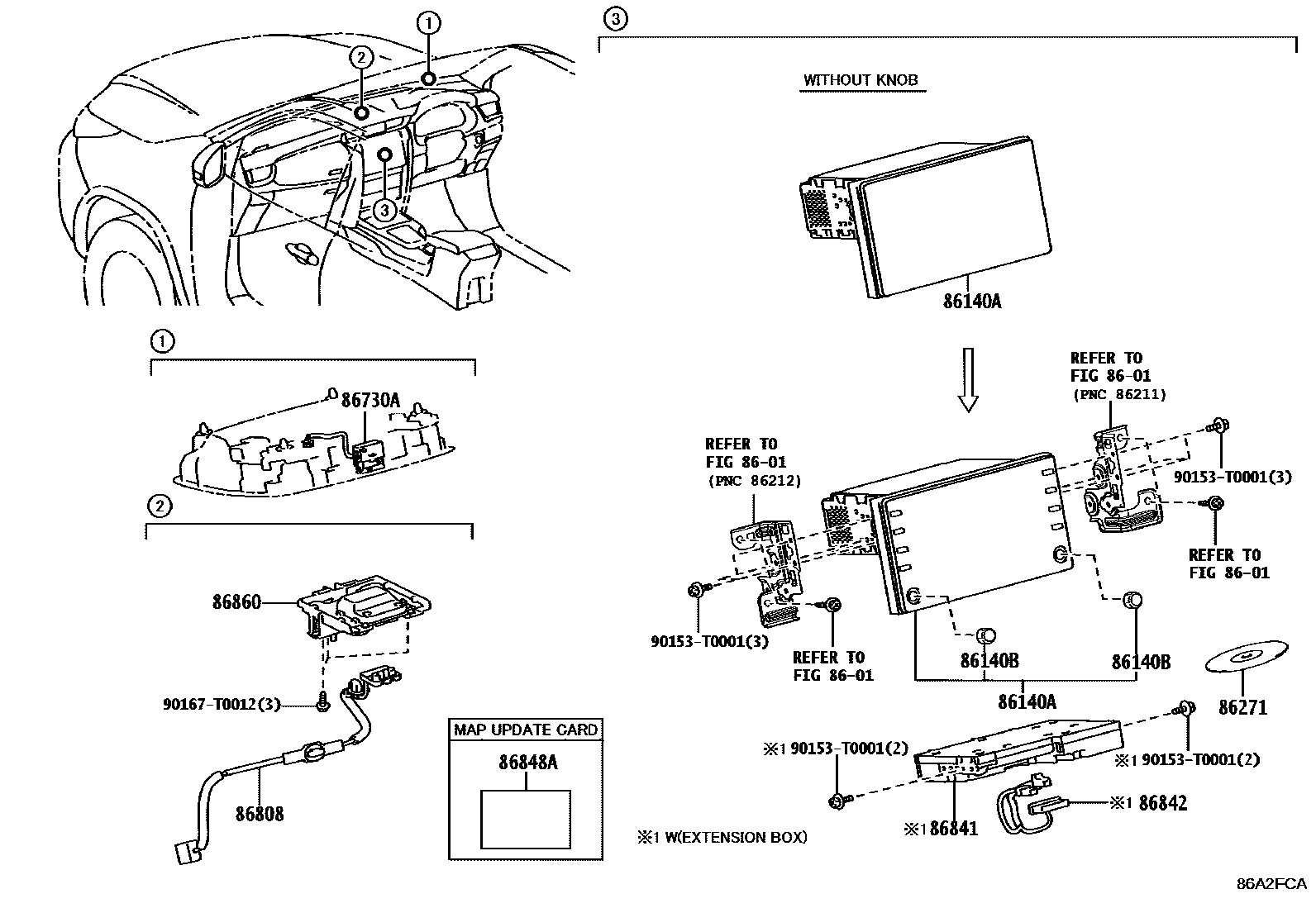
NAVIGATION & FRONT MONITOR DISPLAY

Parts diagram
8601RADIO RECEIVER & AMPLIFIER & CONDENSER
86140ARECEIVER ASSY, RADIO & DISPLAY
main86140-0KF93i202408
DENSO TEN
main86140-0KG00i202409
PANASONIC; PANASONIC,AUDIO-ACCESSORY DISPLAY AUDIO(9INCH)&BACK MONITOR-WITH(*PVM); PANASONIC,AUDIO-ACCESSORY DISPLAY AUDIO(9INCH)&BACK MONITOR-WITHOUT; PANASONIC,AUDIO-ACCESSORY DISPLAY AUDIO(9INCH)&SPEAKER-11SPEAKER & JBL&BACK MONITOR-WITH(*PVM); PANASONIC,AUDIO-ACCESSORY DISPLAY AUDIO(9INCH)&SPEAKER-11SPEAKER & JBL&BACK MONITOR-WITHOUT; PANASONIC,AUDIO-WITHOUT & WITH(AUDIO LESS COVER)&BACK MONITOR-WITHOUT
main86140-0KG41supersedes 86140-0KN41i202409
DENSO TEN; DENSO TEN,AUDIO-*DA(8INCH) & *BT&BACK MONITOR-WITH; DENSO TEN,GCC SPEC EURO4 2018MY; DENSO TEN,GCC SPEC EURO4 2022MY
main86140-0KG50supersedes 86140-0KN30i202408
DENSO TEN; DENSO TEN,GCC SPEC EURO4 2018MY; DENSO TEN,GCC SPEC EURO4 2022MY
main86140-0KG90i202409
PANASONIC; PANASONIC,ASEAN GENERAL SPEC; PANASONIC,BRUNEI SPEC
main86140-0KJ10i202408
PANASONIC; PANASONIC,GR SPORT & ACCESSORY&STEERING WHEEL-GR SPORT(LEATHER)&AUDIO-ACCESSORY DISPLAY AUDIO(9INCH); PANASONIC,MLM BASIC PACKAGE&AUDIO-ACCESSORY DISPLAY AUDIO(9INCH)&CLEARANCE & BACKSONAR-WITH&BACK MONITOR-WITH(ACCESSORY BACK MONITOR & *PVM); PANASONIC,MLM BASIC PACKAGE&FRONT BUMPER-PAINTED(MLM)&AUDIO-ACCESSORY DISPLAY AUDIO(9INCH)&CLEARANCE & BACK SONAR-WITH; PANASONIC,MLM PACKAGE & ACCESSORY&STEERING WHEEL-MLM(LEATHER & WOOD LIKE)&AUDIO-ACCESSORY DISPLAY AUDIO(9INCH); PANASONIC,MLM PACKAGE & ACCESSORY&STEERING WHEEL-MLM(LEATHER & WOOD LIKE)&AUDIO-ACCESSORY DISPLAY AUDIO(9INCH)&BACK MONITOR-WITH(ACCESSORY BACK MONITOR & *PVM)
main86140-0KJ43i202409
DENSO TEN
main86140-0KJ70i202408
DENSO TEN
main86140-0KK21i202409
PIONEER; PIONEER,CENTRAL AND SOUTH AMERICA SPEC&AUDIO-*DA(8INCH) & *BT
main86140-0KM00i202408
PIONEER; PIONEER,AUDIO-AVN(8INCH) & *BT & DAB & ENTUNE
main86140-0KT23i202501
DENSO TEN
main86140-0KZ32i202411
DENSO TEN
main86140-F0020i202409
PANASONIC; PANASONIC,AUDIO-ACCESSORY DISPLAY AUDIO(9INCH)&BACK MONITOR-WITH(*PVM); PANASONIC,MLM PACKAGE & ACCESSORY&AUDIO-ACCESSORY DISPLAY AUDIO(9INCH)
main86140-F0080i202411
DENSO TEN; DENSO TEN,EXPORT FROM SA&AUDIO-*DA(8INCH) & *BT
main86140-0KC00i202411
DENSO TEN; DENSO TEN,AUDIO-*DA(8INCH) & *BT & DAB; DENSO TEN,AUDIO-*DA(8INCH) & *BT & DAB&BACK MONITOR-WITH
main86140-0KG10i202408
PANASONIC; PANASONIC,MLM PACKAGE & ACCESSORY&STEERING WHEEL-MLM(LEATHER & WOOD LIKE)&AUDIO-ACCESSORY DISPLAY AUDIO(9INCH)&BACK MONITOR-WITH(ACCESSORY BACK MONITOR & *PVM); PANASONIC,MLM PACKAGE & ACCESSORY&STEERING WHEEL-MLM(LEATHER & WOOD LIKE)&AUDIO-ACCESSORY DISPLAY AUDIO(9INCH)&SPEAKER-11SPEAKER & JBL&BACK MONITOR-WITH(ACCESSORY BACK MONITOR & *PVM)
main86140-0KG62i202409
DENSO TEN; DENSO TEN,AUDIO-WITHOUT; DENSO TEN,AUDIO-WITHOUT & WITH(AUDIO LESS COVER)
main86140-0KJ31i202409
DENSO TEN; DENSO TEN,AUDIO-WITHOUT & WITH(AUDIO LESS COVER)&BACK MONITOR-WITHOUT; DENSO TEN,AUDIO-WITHOUT&BACK MONITOR-WITHOUT; DENSO TEN,NEPAL,SRI LANKA SPEC(EURO 4 REGULATION)
main86140-0KK10i202411
PIONEER; PIONEER,AUDIO-*DA(8INCH) & *BT; PIONEER,AUDIO-AUDIO (IN LINE ACCESSORY); PIONEER,BRAZIL SPEC&AUDIO-AUDIO (IN LINE ACCESSORY); PIONEER,SPEAKER-11SPEAKER & JBL&AUDIO-AUDIO (IN LINE ACCESSORY)
main86140-0KL61i202409
PIONEER,AUDIO-AVN(8INCH) & *BT
main86140-0KL71i202409
PIONEER,AUDIO-AVN(8INCH) & *BT
main86140-0KL80i202408
PIONEER,AUDIO-AVN(8INCH) & *BT
main86140-0KN30i202408
DENSO TEN; DENSO TEN,SAUDI ARABIA SPEC&AUDIO-*DA(8INCH) & *BT & DAB; DENSO TEN,UAE SPEC; DENSO TEN,UAE SPEC&AUDIO-*DA(8INCH) & *BT & DAB
main86140-0KN41i202409
DENSO TEN; DENSO TEN,SAUDI ARABIA SPEC&AUDIO-*DA(8INCH) & *BT & DAB; DENSO TEN,UAE SPEC&AUDIO-*DA(8INCH) & *BT & DAB; DENSO TEN,UAE SPEC&BACK MONITOR-WITH
main86140-0KR20i202408
PIONEER,SAUDI ARABIA SPEC&AUDIO-AVN(8INCH) & *BT & DAB
main86140-0KR31i202409
PIONEER,SAUDI ARABIA SPEC&AUDIO-AVN(8INCH) & *BT & DAB
main86140-0KR50i202409
PIONEER; PIONEER,AUDIO-ACCESSORY DISPLAY AUDIO(9INCH)&BACK MONITOR-WITH(*PVM); PIONEER,AUDIO-ACCESSORY DISPLAY AUDIO(9INCH)&SPEAKER-11SPEAKER & JBL&BACK MONITOR-WITH(*PVM); PIONEER,AUDIO-AVN(8INCH) & *BT; PIONEER,AUDIO-AVN(8INCH) & *BT&BACK MONITOR-WITH; PIONEER,AUDIO-AVN(8INCH) & *BT&BACK MONITOR-WITH(*PVM)
main86140-0KU30i202408
PIONEER,SPEAKER-11SPEAKER & JBL
main86140-0KV72supersedes 86140-F0332i202408
DENSO TEN,AUDIO-*DA(FOR EMERGING MARKET); DENSO TEN,BACK MONITOR-WITH; DENSO TEN,GCC SPEC EURO4 2018MY&BACK MONITOR-WITH; DENSO TEN,GCC SPEC EURO4 2022MY&BACK MONITOR-WITH
main86140-0KX10i202411
PIONEER,BRAZIL SPEC
main86140-0KX33i202409
DENSO TEN,AUDIO-*DA(FOR EMERGING MARKET); DENSO TEN,BACK MONITOR-WITH; DENSO TEN,GCC SPEC EURO4 2018MY&BACK MONITOR-WITH; DENSO TEN,GCC SPEC EURO4 2022MY&BACK MONITOR-WITH
main86140-0KX80i202409
PANASONIC; PANASONIC,AUDIO-ACCESSORY DISPLAY AUDIO(9INCH)&BACK MONITOR-WITH(*PVM); PANASONIC,SPEAKER-11SPEAKER & JBL
main86140-0KX91i202409
PIONEER,AUDIO-AVN(8INCH) & *BT&SPEAKER-11SPEAKER & JBL
main86140-0KY04i202411
DENSO TEN,EXPORT FROM SA&AUDIO-*DA(FOR EMERGING MARKET)
main86140-0KZ70i202411
PIONEER,AUDIO-*DA(8INCH) & *BT&SPEAKER-11SPEAKER & JBL; PIONEER,SPEAKER-11SPEAKER & JBL
main86140-F0011i202409
PIONEER,BRUNEI SPEC&AUDIO-AVN(8INCH) & *BT
main86140-F0030supersedes 86140-0KR50i202409
PIONEER,AUDIO-AVN(8INCH) & *BT; PIONEER,SPEAKER-11SPEAKER & JBL
main86140-F0180i202411
DENSO TEN,EXPORT FROM SA&AUDIO-*DA(8INCH) & *BT&SPEAKER-11SPEAKER & JBL
main86140-F0190supersedes 86140-0KC00i202411
DENSO TEN,SPEAKER-11SPEAKER & JBL
main86140-F0312supersedes 86140-F0332i202408
DENSO TEN; DENSO TEN,AUDIO-*DA(FOR EMERGING MARKET)&BACK MONITOR-WITHOUT; DENSO TEN,GCC SPEC EURO4 2018MY; DENSO TEN,GCC SPEC EURO4 2022MY
main86140-F0323supersedes 86140-F0343i202409
DENSO TEN; DENSO TEN,AUDIO-*DA(FOR EMERGING MARKET)&BACK MONITOR-WITHOUT; DENSO TEN,GCC SPEC EURO4 2018MY; DENSO TEN,GCC SPEC EURO4 2022MY
main86140-F0332i202408
DENSO TEN; DENSO TEN,SAUDI ARABIA SPEC; DENSO TEN,SAUDI ARABIA SPEC&AUDIO-*DA(FOR EMERGING MARKET) & DAB&BACK MONITOR-WITHOUT; DENSO TEN,UAE SPEC; DENSO TEN,UAE SPEC&AUDIO-*DA(FOR EMERGING MARKET) & DAB&BACK MONITOR-WITHOUT
main86140-F0343i202409
DENSO TEN; DENSO TEN,SAUDI ARABIA SPEC&AUDIO-*DA(FOR EMERGING MARKET) & DAB; DENSO TEN,SAUDI ARABIA SPEC&AUDIO-*DA(FOR EMERGING MARKET) & DAB&BACK MONITOR-WITHOUT; DENSO TEN,UAE SPEC&AUDIO-*DA(FOR EMERGING MARKET) & DAB; DENSO TEN,UAE SPEC&AUDIO-*DA(FOR EMERGING MARKET) & DAB&BACK MONITOR-WITHOUT
main86140-F0372i202408
DENSO TEN,BACK MONITOR-WITH; DENSO TEN,SAUDI ARABIA SPEC&AUDIO-*DA(FOR EMERGING MARKET) & DAB; DENSO TEN,SAUDI ARABIA SPEC&BACK MONITOR-WITH; DENSO TEN,UAE SPEC&AUDIO-*DA(FOR EMERGING MARKET) & DAB; DENSO TEN,UAE SPEC&BACK MONITOR-WITH
main86140-YY330i202411
HARMAN,AUDIO-AUDIO (IN LINE ACCESSORY)
main86140-YY340i202411
HARMAN,SPEAKER-11SPEAKER & JBL&AUDIO-AUDIO (IN LINE ACCESSORY)
main86140-YY390i202409
PANASONIC,AUDIO-ACCESSORY DISPLAY AUDIO(9INCH)&BACK MONITOR-WITH(*PVM); PANASONIC,AUDIO-ACCESSORY DISPLAY AUDIO(9INCH)&SPEAKER-11SPEAKER & JBL&BACK MONITOR-WITH(*PVM)
main86140-YY600i202408
PANASONIC,MLM BASIC PACKAGE&AUDIO-ACCESSORY DISPLAY AUDIO(9INCH)&BACK MONITOR-WITH(ACCESSORY BACK MONITOR & *PVM); PANASONIC,MLM BASIC PACKAGE&FRONT BUMPER-PAINTED(MLM)&AUDIO-ACCESSORY DISPLAY AUDIO(9INCH); PANASONIC,MLM PACKAGE & ACCESSORY&BACK MONITOR-WITH(ACCESSORY BACK MONITOR & *PVM)
main86140-YY610i202408
PANASONIC,GR SPORT & ACCESSORY&AUDIO-ACCESSORY DISPLAY AUDIO(9INCH); PANASONIC,MLM PACKAGE & ACCESSORY&AUDIO-ACCESSORY DISPLAY AUDIO(9INCH)
main86140-YY620i202409
PANASONIC,AUDIO-ACCESSORY DISPLAY AUDIO(9INCH); PANASONIC,AUDIO-ACCESSORY DISPLAY AUDIO(9INCH)&BACK MONITOR-WITHOUT
main86140-YY630i202409
PANASONIC,AUDIO-ACCESSORY DISPLAY AUDIO(9INCH)&SPEAKER-11SPEAKER & JBL; PANASONIC,AUDIO-ACCESSORY DISPLAY AUDIO(9INCH)&SPEAKER-11SPEAKER & JBL&BACK MONITOR-WITHOUT; PANASONIC,MLM PACKAGE & ACCESSORY&AUDIO-ACCESSORY DISPLAY AUDIO(9INCH)
main86140-YY700i202409
PANASONIC,AUDIO-ACCESSORY DISPLAY AUDIO(9INCH)&BACK MONITOR-WITH(*PVM)
main86140-YY730supersedes 86140-0KR50i202409
PANASONIC,MLM PACKAGE&AUDIO-ACCESSORY DISPLAY AUDIO(9INCH)&BACK MONITOR-WITH(*PVM)
main86140-YY740i202409
PANASONIC,MLM PACKAGE&AUDIO-ACCESSORY DISPLAY AUDIO(9INCH)&BACK MONITOR-WITH(*PVM); PANASONIC,MLM PACKAGE&AUDIO-ACCESSORY DISPLAY AUDIO(9INCH)&SPEAKER-11SPEAKER & JBL&BACK MONITOR-WITH(*PVM)
86140BKNOB, RADIO & DISPLAY RECEIVER SWITCH
main90011-25322×2i202408
AUDIO-AVN(8INCH) & *BT; AUDIO-AVN(8INCH) & *BT & DAB & ENTUNE; SAUDI ARABIA SPEC&AUDIO-AVN(8INCH) & *BT & DAB
main90011-25324×2i202408
main90011-25326×2i202408
GR SPORT & ACCESSORY&STEERING WHEEL-GR SPORT(LEATHER)&AUDIO-ACCESSORY DISPLAY AUDIO(9INCH); MLM BASIC PACKAGE&AUDIO-ACCESSORY DISPLAY AUDIO(9INCH)&CLEARANCE & BACK SONAR-WITH&BACK MONITOR-WITH(ACCESSORY BACK MONITOR & *PVM); MLM BASIC PACKAGE&FRONT BUMPER-PAINTED(MLM)&AUDIO-ACCESSORY DISPLAY AUDIO(9INCH)&CLEARANCE & BACK SONAR-WITH; MLM PACKAGE & ACCESSORY&STEERING WHEEL-MLM(LEATHER & WOOD LIKE)&AUDIO-ACCESSORY DISPLAY AUDIO(9INCH); MLM PACKAGE & ACCESSORY&STEERING WHEEL-MLM(LEATHER & WOOD LIKE)&AUDIO-ACCESSORY DISPLAY AUDIO(9INCH)&BACK MONITOR-WITH(ACCESSORY BACK MONITOR & *PVM); MLM PACKAGE & ACCESSORY&STEERING WHEEL-MLM(LEATHER & WOOD LIKE)&AUDIO-ACCESSORY DISPLAY AUDIO(9INCH)&SPEAKER-11SPEAKER & JBL&BACK MONITOR-WITH(ACCESSORY BACK MONITOR & *PVM)
main90011-25330×2i202409
AUDIO-*DA(8INCH) & *BT&BACK MONITOR-WITH; AUDIO-WITHOUT; AUDIO-WITHOUT & WITH(AUDIO LESS COVER); AUDIO-WITHOUT & WITH(AUDIO LESS COVER)&BACK MONITOR-WITHOUT; AUDIO-WITHOUT&BACK MONITOR-WITHOUT; UAE SPEC&BACK MONITOR-WITH
main90011-25334×2i202411
AUDIO-*DA(8INCH) & *BT; AUDIO-*DA(8INCH) & *BT&SPEAKER-11SPEAKER & JBL; AUDIO-AUDIO (IN LINE ACCESSORY); BRAZIL SPEC&AUDIO-AUDIO (IN LINE ACCESSORY); SPEAKER-11SPEAKER & JBL&AUDIO-AUDIO (IN LINE ACCESSORY)
86271DISC, DISC PLAYER
main86807-11047i202409
AUDIO-AVN(8INCH) & *BT & DAB & ENTUNE
main86807-11017i202409
AUDIO-ACCESSORY DISPLAY AUDIO(9INCH); AUDIO-AVN(8INCH) & *BT; BRUNEI SPEC&AUDIO-AVN(8INCH) & *BT
main86807-11038i202408
AUDIO-AVN(8INCH) & *BT; SAUDI ARABIA SPEC&AUDIO-AVN(8INCH) & *BT & DAB
86730AMICROPHONE ASSY, TELEPHONE
main86730-20060i202408
AUDIO-ACCESSORY DISPLAY AUDIO(9INCH); GR SPORT & ACCESSORY&AUDIO-ACCESSORY DISPLAY AUDIO(9INCH); MLM PACKAGE & ACCESSORY&AUDIO-ACCESSORY DISPLAY AUDIO(9INCH)
main86730-60050i202408
MLM PACKAGE & ACCESSORY&AUDIO-ACCESSORY DISPLAY AUDIO(9INCH)
main86730-71030i202409
AUDIO-*DA(8INCH) & *BT; AUDIO-*DA(FOR EMERGING MARKET); AUDIO-*DA(FOR EMERGING MARKET) & DAB; AUDIO-ACCESSORY DISPLAY AUDIO(9INCH); AUDIO-AVN(8INCH) & *BT; AUDIO-WITHOUT; AUDIO-WITHOUT & WITH(AUDIO LESS COVER); UAE SPEC
main86730-71040i202409
AUDIO-WITHOUT; AUDIO-WITHOUT & WITH(AUDIO LESS COVER)
main86730-71050i202411
AUDIO-*DA(FOR EMERGING MARKET)
main86730-71060i202408
AUDIO-*DA(FOR EMERGING MARKET); AUDIO-*DA(FOR EMERGING MARKET) & DAB
86808CORD SUB-ASSY, NAVIGATION ANTENNA, NO.1
main86808-0K051i202408
AUDIO-ACCESSORY DISPLAY AUDIO(9INCH); GR SPORT & ACCESSORY; MLM PACKAGE & ACCESSORY
main86808-0K181i202411
AUDIO-*DA(8INCH) & *BT; AUDIO-AUDIO (IN LINE ACCESSORY)
main86808-0K231i202409
AUDIO-ACCESSORY DISPLAY AUDIO(9INCH); AUDIO-AVN(8INCH) & *BT; AUDIO-WITHOUT; AUDIO-WITHOUT & WITH(AUDIO LESS COVER)
main86808-0K330i202409
main86808-0K350i202408
FRONT PERSONAL LAMP-WITH(BULB TYPE) & WITH(ROOF CONSOLE BOX)
86841COMPUTER, NAVIGATION
main86840-0K194i202408-202409
AUDIO-AVN(8INCH) & *BT & DAB & ENTUNE
main86840-0K195i202410
AUDIO-AVN(8INCH) & *BT & DAB & ENTUNE
main86840-02064i202409-202410
AUDIO-ACCESSORY DISPLAY AUDIO(9INCH); AUDIO-AVN(8INCH) & *BT
main86840-02065i202410
AUDIO-ACCESSORY DISPLAY AUDIO(9INCH); AUDIO-AVN(8INCH) & *BT
main86840-0K165i202409
AUDIO-AVN(8INCH) & *BT; BRUNEI SPEC&AUDIO-AVN(8INCH) & *BT
main86840-0K175i202409
AUDIO-AVN(8INCH) & *BT; SAUDI ARABIA SPEC&AUDIO-AVN(8INCH) & *BT & DAB
main86840-0K184i202408-202409
AUDIO-AVN(8INCH) & *BT; SAUDI ARABIA SPEC&AUDIO-AVN(8INCH) & *BT & DAB
main86840-0K185i202409
AUDIO-AVN(8INCH) & *BT; SAUDI ARABIA SPEC&AUDIO-AVN(8INCH) & *BT & DAB
86842WIRE, NAVIGATION, NO.1
main86842-33150i202408
AUDIO-AVN(8INCH) & *BT; AUDIO-AVN(8INCH) & *BT & DAB; AUDIO-AVN(8INCH) & *BT & DAB & ENTUNE
86848ACARD, SERIAL NUMBER MAP UPDATE
main86848-33040i202408
AUDIO-AVN(8INCH) & *BT & DAB & ENTUNE
main86848-33060i202408
AUDIO-AVN(8INCH) & *BT; SAUDI ARABIA SPEC&AUDIO-AVN(8INCH) & *BT & DAB
main86848-33070i202409
AUDIO-ACCESSORY DISPLAY AUDIO(9INCH); AUDIO-AVN(8INCH) & *BT; BRUNEI SPEC&AUDIO-AVN(8INCH) & *BT
86860ANTENNA ASSY, NAVIGATION
main86860-0K040i202408
AUDIO-ACCESSORY DISPLAY AUDIO(9INCH); GR SPORT & ACCESSORY; MLM PACKAGE & ACCESSORY
main86880-0K070i202408
FRONT PERSONAL LAMP-WITH(BULB TYPE) & WITH(ROOF CONSOLE BOX)
main86860-YY060i202411
DATA COMMUNICATION MODULE-WITH (L-DCM(ACCESSORY))
90153T0001
90167T0012

12 parts on this diagram · 1 diagram in section

NAVIGATION & FRONT MONITOR DISPLAY — Toyota Parts Diagram with OEM Numbers & Prices | EPC Data