E
EPC Data

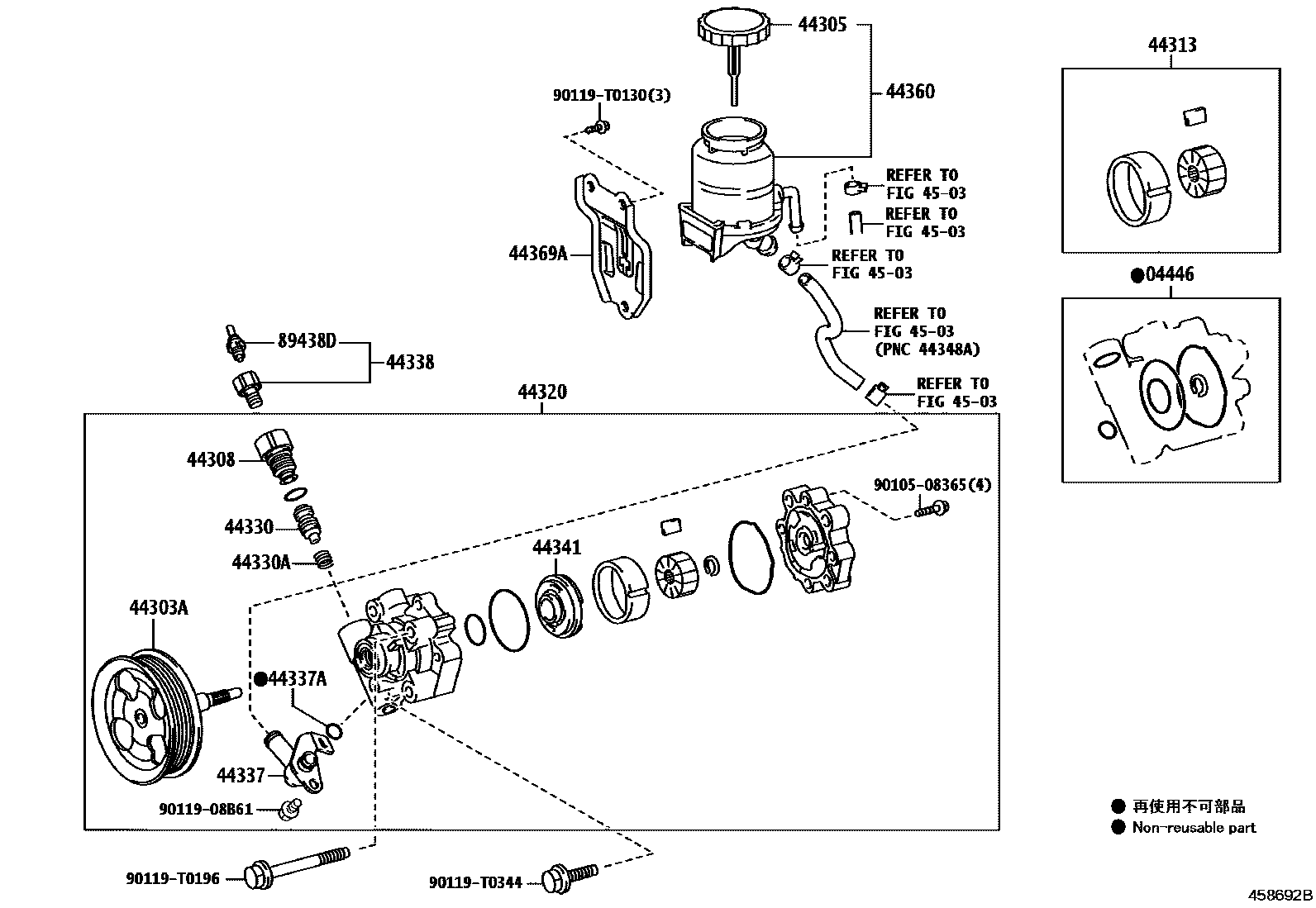
VANE PUMP & RESERVOIR (POWER STEERING)

Parts diagram
04446GASKET KIT, POWER STEERING PUMP
main04446-06110i202308-202408
main04446-06130i202308
44303ASHAFT SUB-ASSY, W/PULLEY
main44303-06040i202308-202412
main44303-0K020i202402-202409
main44303-0K030i202308-202407
44305CAP SUB-ASSY, VANE PUMP OIL RESERVOIR
main44305-0K030i202308-202407
main44305-22061i202308
main44305-32040i202308-202410
44308UNION SUB-ASSY, PRESSURE PORT
main44308-0K040i202308-202407
main44308-0K100i202308
44313ROTOR, VANE PUMP
main44313-09010i202308-202412
main44313-09030i202308-202410
main44313-09060i202308-202410
44320PUMP ASSY, VANE
main44310-0K080i202308-202407
main44310-0K100i202308-202408
main44310-0K142i202308-202412
main44310-0K150i202402-202409
44330VALVE ASSY, FLOW CONTROL
main44330-0K130i202308-202410
MARK A
main44330-0K140i202308-202407
MARK B
main44330-0K150i202308-202409
MARK C
main44330-0K160i202308-202409
MARK D
main44330-0K170i202308-202408
MARK E
main44330-0K180i202308-202409
MARK F
main44330-0K330i202308-202407
MARK C
main44330-0K340i202308
MARK D
main44330-0K350i202308-202408
MARK E
main44330-0K360i202308
MARK F
main44330-25010i202308
MARK A
main44330-25020i202308-202407
MARK B
main44330-25030i202308-202408
MARK C
main44330-25040i202308-202407
MARK D
main44330-25050i202308-202408
MARK E
main44330-25060i202308-202407
MARK F
44330ASPRING, COMPRESSION(FOR FLOW CONTROL VALVE)
main90501-14173i202308-202407
main90501-T0001i202308
44337UNION, POWER STEERING SUCTION PORT
main44337-0K040i202308-202412
main44337-0K050i202308-202410
main44337-0K060i202402-202410
44337ARING, O(FOR POWER STEERING SUCTION PORT)
main90080-30093i202308-202409
main90301-15025i202308-202410
44338UNION, PRESSURE PORT
main44338-71010i202308-202407
44341PLATE, VANE PUMP SIDE, FRONT
main44341-06010i202308
main44341-60040i202308-202410
44360RESERVOIR ASSY, VANE PUMP OIL
main44360-0K050i202308-202412
main44360-0K070i202308-202410
main44360-0K090i202402-202410
44369ABRACKET, OIL RESERVOIR, NO.1
main44390-0K010i202308-202407
main44390-0K030i202308
main44390-0K050i202402-202409
main44390-0K060i202310-202409
4503
89438DSWITCH, POWER STEERING OIL PRESSURE
main89438-71010i202308-202407
9010508365
9011908B61
90119T0130
90119T0196
90119T0344

21 parts on this diagram · 4 diagrams in section

VANE PUMP & RESERVOIR (POWER STEERING) — Toyota Parts Diagram with OEM Numbers & Prices | EPC Data