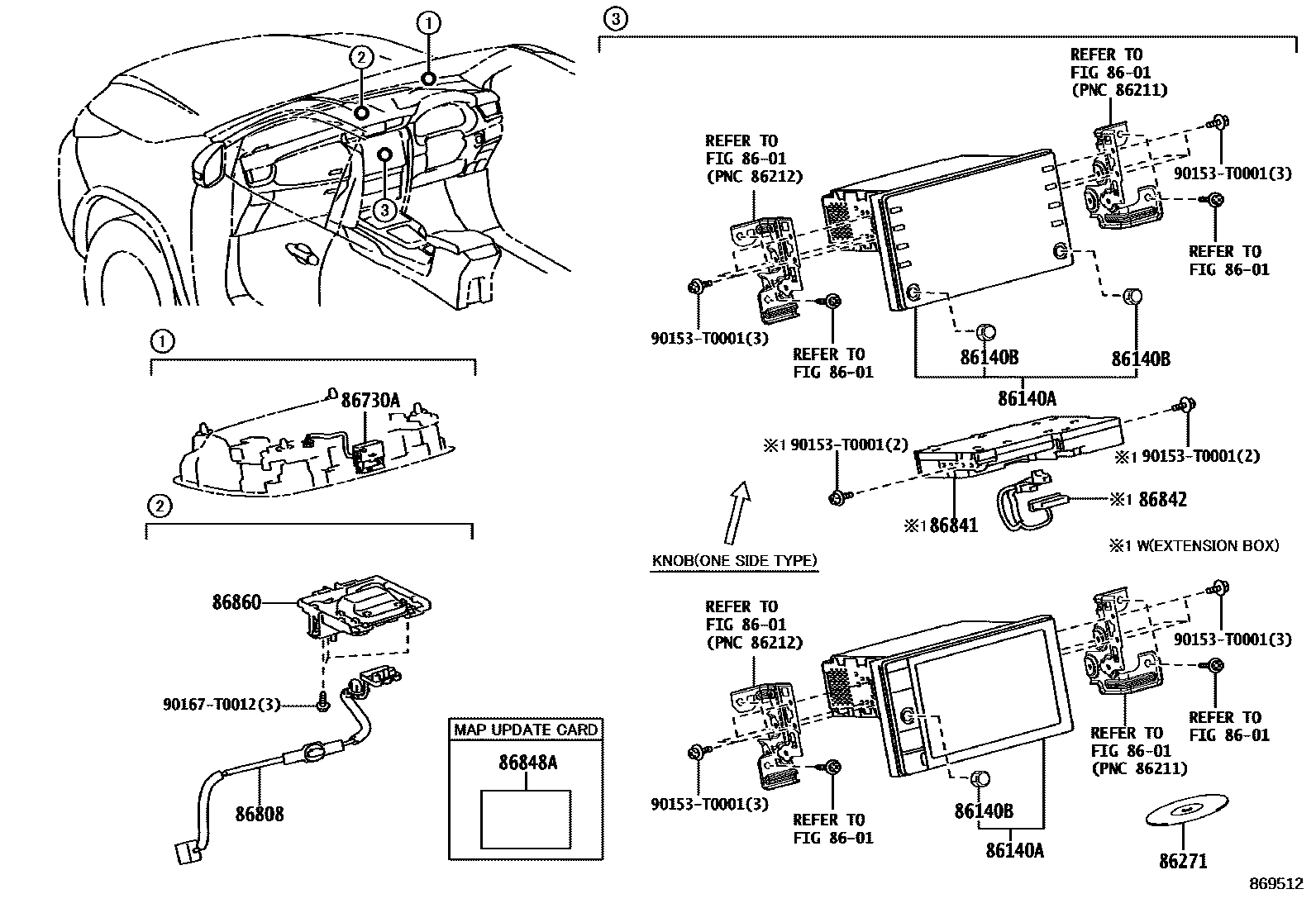
NAVIGATION & FRONT MONITOR DISPLAY

8601RADIO RECEIVER & AMPLIFIER & CONDENSER
86140ARECEIVER ASSY, RADIO & DISPLAY
DENSO TEN
DENSO TEN
DENSO TEN
main86140-0KG00supersedes 86140-0KG21iGUN156..LHD..IDNP..GEN; GUN156..PH; GUN165..S..PH;GUN156..IDNP..VN;GUN166,TGN156..LHD..H202209-202308
PANASONIC; PANASONIC,ASEAN GENERAL SPEC; PANASONIC,SPEAKER-6SPEAKER
main86140-0KG41supersedes 86140-0KY71iGUN155..IDNP..H..GCC;GGN155,GUN156,TGN156..IDNP..(H,S)..GCC; TGN156..IDNP..L..GCC;GUN155,165,TGN166..IDNP..(L,S)..GCC; TGN156..IDNP..L..GCC;GUN155,TGN166..IDNP..(L,S)..GCC202209-202308
DENSO TEN; DENSO TEN,AUDIO-*DA(8INCH) & *BT; DENSO TEN,AUDIO-*DA(8INCH) & *BT&BACK MONITOR-WITH
DENSO TEN
main86140-0KG90iGUN156,TGN166..RHD..GEN; GUN156..RHD..GEN; GUN165..RHD..GEN; TGN166..GEN202209-202308
PANASONIC; PANASONIC,ASEAN GENERAL SPEC; PANASONIC,BRUNEI SPEC; PANASONIC,SINGAPORE SPEC
PANASONIC
DENSO TEN; DENSO TEN,NEPAL,SRI LANKA SPEC(EURO 4 REGULATION)
DENSO TEN; DENSO TEN,OCEANIA GENERAL SPEC; DENSO TEN,OCEANIA(EURO 5)
DENSO TEN
DENSO TEN
PIONEER
DENSO TEN; DENSO TEN,SPEAKER-6SPEAKER
DENSO TEN
PIONEER,AUDIO-*DA(8INCH DISPLAY); PIONEER,BRAZIL SPEC&AUDIO-*DA(8INCH DISPLAY)
DENSO TEN; DENSO TEN,AUDIO-*DA(8INCH) & *BT & DAB&BACK MONITOR-WITH
PANASONIC,ASEAN GENERAL SPEC; PANASONIC,CAMBODIA SPEC
DENSO TEN,ASEAN GENERAL SPEC&AUDIO-WITHOUT & WITH(AUDIO LESS COVER)&BACK MONITOR-WITHOUT; DENSO TEN,ASEAN GENERAL SPEC&AUDIO-WITHOUT&BACK MONITOR-WITHOUT; DENSO TEN,AUDIO-WITHOUT & WITH(AUDIO LESS COVER)&BACK MONITOR-WITHOUT; DENSO TEN,AUDIO-WITHOUT&BACK MONITOR-WITHOUT; DENSO TEN,OCEANIA GENERAL SPEC&AUDIO-WITHOUT & WITH(AUDIO LESS COVER)&BACK MONITOR-WITHOUT; DENSO TEN,OCEANIA GENERAL SPEC&AUDIO-WITHOUT&BACK MONITOR-WITHOUT
DENSO TEN,ASEAN GENERAL SPEC&MLM PACKAGE & ACCESSORY&STEERING WHEEL-MLM(LEATHER &WOOD LIKE)&AUDIO-ACCESSORY DISPLAY AUDIO(9INCH)&BACK MONITOR-WITH(ACCESSORY BACK MONITOR & *PVM); DENSO TEN,ASEAN GENERAL SPEC&MLM PACKAGE & ACCESSORY&STEERING WHEEL-MLM(LEATHER &WOOD LIKE)&AUDIO-ACCESSORY DISPLAY AUDIO(9INCH)&SPEAKER-11SPEAKER & JBL&BACK MONITOR-WITH(ACCESSORY BACK MONITOR & *PVM); DENSO TEN,CAMBODIA SPEC&MLM PACKAGE & ACCESSORY&STEERING WHEEL-MLM(LEATHER & WOODLIKE)&AUDIO-ACCESSORY DISPLAY AUDIO(9INCH)&BACK MONITOR-WITH(ACCESSORY BACK MONITOR & *PVM); DENSO TEN,CAMBODIA SPEC&MLM PACKAGE & ACCESSORY&STEERING WHEEL-MLM(LEATHER & WOODLIKE)&AUDIO-ACCESSORY DISPLAY AUDIO(9INCH)&SPEAKER-11SPEAKER & JBL&BACK MONITOR-WITH(ACCESSORY BACK MONITOR & *PVM); DENSO TEN,MLM PACKAGE & ACCESSORY&STEERING WHEEL-MLM(LEATHER & WOOD LIKE)&AUDIO-ACCESSORY DISPLAY AUDIO(9INCH)&BACK MONITOR-WITH(ACCESSORY BACK MONITOR & *PVM); DENSO TEN,MLM PACKAGE & ACCESSORY&STEERING WHEEL-MLM(LEATHER & WOOD LIKE)&AUDIO-ACCESSORY DISPLAY AUDIO(9INCH)&SPEAKER-11SPEAKER & JBL&BACK MONITOR-WITH(ACCESSORY BACK MONITOR & *PVM)
DENSO TEN,OCEANIA GENERAL SPEC
main86140-0KK10iGGN155,GUN165..H..LA;GUN156..6FC..H..BZAGT; GUN156..6FC..H..BZAGT; TGN166..S..LA;GGN155,GUN165..LA;GUN156,TGN156..6FC..(H,S)..BZAGT202211-202305
PIONEER,AUDIO- ILA; PIONEER,AUDIO-WITHOUT & WITH(AUDIO LESS COVER)&BACK MONITOR-WITHOUT; PIONEER,BRAZIL SPEC&AUDIO- ILA; PIONEER,BRAZIL SPEC&AUDIO-WITHOUT & WITH(AUDIO LESS COVER)&BACK MONITOR-WITHOUT; PIONEER,BRAZIL SPEC&SPEAKER-11SPEAKER & JBL&AUDIO- ILA; PIONEER,SPEAKER-11SPEAKER & JBL&AUDIO- ILA
PIONEER,CENTRAL AND SOUTH AMERICA SPEC; PIONEER,CENTRAL AND SOUTH AMERICA SPEC&AUDIO-*DA(8INCH) & *BT
PIONEER,CENTRAL AND SOUTH AMERICA SPEC; PIONEER,CENTRAL AND SOUTH AMERICA SPEC&AUDIO-*DA(8INCH) & *BT
PIONEER,AUDIO-AVN(8INCH) & *BT; PIONEER,AUDIO-AVN(8INCH) & *BT&BACK MONITOR-WITH; PIONEER,AUDIO-AVN(8INCH) & *BT&BACK MONITOR-WITH(*PVM)
PIONEER,AUDIO-AVN(8INCH) & *BT; PIONEER,AUDIO-AVN(8INCH) & *BT&BACK MONITOR-WITH; PIONEER,AUDIO-AVN(8INCH) & *BT&BACK MONITOR-WITH(*PVM)
PIONEER,AUDIO-AVN(8INCH) & *BT
PIONEER,AUDIO-AVN(8INCH) & *BT
PIONEER,AUDIO-AVN(8INCH) & *BT
DENSO TEN,UAE SPEC; DENSO TEN,UAE SPEC&AUDIO-*DA(8INCH) & *BT & DAB
DENSO TEN,UAE SPEC&AUDIO-*DA(8INCH) & *BT & DAB; DENSO TEN,UAE SPEC&AUDIO-*DA(8INCH) & *BT & DAB&BACK MONITOR-WITH
PIONEER; PIONEER,AUDIO-AVN(8INCH) & *BT; PIONEER,AUDIO-AVN(8INCH) & *BT&BACK MONITOR-WITH; PIONEER,AUDIO-AVN(8INCH) & *BT&BACK MONITOR-WITH(*PVM); PIONEER,AUDIO-AVN(8INCH) & *BT&SPEAKER-6SPEAKER
PIONEER,SPEAKER-11SPEAKER & JBL
DENSO TEN,AUDIO-WITHOUT & WITH(AUDIO LESS COVER)
PIONEER,AUDIO- ILA
PANASONIC; PANASONIC,SPEAKER-11SPEAKER & JBL
PIONEER,AUDIO-AVN(8INCH) & *BT&SPEAKER-11SPEAKER & JBL
PIONEER,AUDIO-AVN(8INCH) & *BT&SPEAKER-11SPEAKER & JBL
DENSO TEN,EXPORT FROM SA&AUDIO-*DA(FOR EMERGING MARKET)
DENSO TEN; DENSO TEN,AUDIO-*DA(FOR EMERGING MARKET)&BACK MONITOR-WITHOUT
main86140-0KY71iGGN155..IDNP..S; TGN156..IDNP..L..GCC;GUN155,165,TGN166..IDNP..(L,S)..GCC202209-202308
DENSO TEN; DENSO TEN,AUDIO-*DA(FOR EMERGING MARKET)&BACK MONITOR-WITHOUT
DENSO TEN,UAE SPEC&AUDIO-*DA(FOR EMERGING MARKET) & DAB
DENSO TEN,UAE SPEC&AUDIO-*DA(FOR EMERGING MARKET) & DAB
main86140-0KZ70iGGN155,GUN165..H..LA;GUN156..6FC..H..BZAGT; GUN156,TGN166..H..LA; GUN156..6F..BZAGT202211-202310
PIONEER; PIONEER,AUDIO-*DA(8INCH) & *BT&SPEAKER-11SPEAKER & JBL; PIONEER,SPEAKER-11SPEAKER & JBL
PIONEER,BRAZIL SPEC&SPEAKER-11SPEAKER & JBL
PIONEER,BRUNEI SPEC&AUDIO-AVN(8INCH) & *BT
PIONEER,BRUNEI SPEC&AUDIO-AVN(8INCH) & *BT
PANASONIC,ASEAN GENERAL SPEC&SPEAKER-11SPEAKER & JBL; PANASONIC,CAMBODIA SPEC&SPEAKER-11SPEAKER & JBL
PIONEER,AUDIO-AVN(8INCH) & *BT; PIONEER,SPEAKER-11SPEAKER & JBL
DENSO TEN,SPEAKER-11SPEAKER & JBL
main86140-F0091supersedes 86140-0KV10iGUN155,165..L..SA; GUN156..6F..SA;GUN15#,LAN155,TGN156..LHD..(5F,6FC)..SA; GUN156..RHD..6FC..SA202301-202311
DENSO TEN,AUDIO-*DA(FOR EMERGING MARKET); DENSO TEN,EXPORT FROM SA&AUDIO-*DA(FOR EMERGING MARKET); DENSO TEN,EXPORT FROM SA&AUDIO-*DA(FOR EMERGING MARKET)&BACK MONITOR-WITH
main86140-F0092iGUN155,165..L..SA; GUN156..6F..SA;GUN15#,LAN155,TGN156..LHD..(5F,6FC); GUN156..RHD..6FC..SA202312-202401
DENSO TEN,AUDIO-*DA(FOR EMERGING MARKET); DENSO TEN,EXPORT FROM SA&AUDIO-*DA(FOR EMERGING MARKET); DENSO TEN,EXPORT FROM SA&AUDIO-*DA(FOR EMERGING MARKET)&BACK MONITOR-WITH
DENSO TEN,AUDIO-*DA(FOR EMERGING MARKET); DENSO TEN,BACK MONITOR-WITH
DENSO TEN,EXPORT FROM SA&AUDIO-*DA(8INCH) & *BT&SPEAKER-11SPEAKER & JBL
DENSO TEN,SPEAKER-11SPEAKER & JBL
PANASONIC,MLM PACKAGE & ACCESSORY&AUDIO-ACCESSORY DISPLAY AUDIO(9INCH)&SPEAKER-11SPEAKER & JBL&BACK MONITOR-WITH(ACCESSORY BACK MONITOR & *PVM)
PANASONIC,GR SPORT & ACCESSORY&AUDIO-ACCESSORY DISPLAY AUDIO(9INCH)&SPEAKER-11SPEAKER & JBL; PANASONIC,MLM PACKAGE & ACCESSORY&AUDIO-ACCESSORY DISPLAY AUDIO(9INCH)&SPEAKER-11SPEAKER & JBL
PANASONIC,MLM PACKAGE & ACCESSORY&AUDIO-ACCESSORY DISPLAY AUDIO(9INCH)&BACK MONITOR-WITH(ACCESSORY BACK MONITOR & *PVM)
PANASONIC,MLM PACKAGE & ACCESSORY&AUDIO-ACCESSORY DISPLAY AUDIO(9INCH)&BACK MONITOR-WITH(ACCESSORY BACK MONITOR & *PVM)
HARMAN,AUDIO- ILA
HARMAN,AUDIO- ILA; HARMAN,SPEAKER-11SPEAKER & JBL&AUDIO- ILA
86140BKNOB, RADIO & DISPLAY RECEIVER SWITCH
main90011-25322×2supersedes 90011-25326iGGN155..THP..H; GUN156..(H,S)..ARL; GUN156..THP..L202208-202307
AUDIO-AVN(8INCH) & *BT; AUDIO-AVN(8INCH) & *BT & DAB & ENTUNE
ASEAN GENERAL SPEC; ASEAN GENERAL SPEC&SPEAKER-11SPEAKER & JBL; CAMBODIA SPEC; CAMBODIA SPEC&SPEAKER-11SPEAKER & JBL
main90011-25330×2iGUN155..IDNP..S..GCC;TGN156..IDNP..L..GCC; GUN165..LHD..GEN;GGN155..IDNP..GCC;GUN156..IDNP..(ARL,GCC,GEN);TGN156..IDNP..(H,S)..(GCC,GEN);GUN155,TGN166..IDNP..H..(GCC,GEN); TGN156..IDNP..L..GCC;GUN155,165,TGN166..IDNP..(L,S)..GCC; TGN156..IDNP..L..GCC;GUN155,TGN166..IDNP..(L,S)..GCC202209-202308
AUDIO-*DA(8INCH) & *BT; AUDIO-*DA(8INCH) & *BT&BACK MONITOR-WITH; UAE SPEC&AUDIO-*DA(8INCH) & *BT & DAB&BACK MONITOR-WITH
main90011-25331×2iGUN156,TGN166..RHD..GEN; GUN156..IDNP..GEN; GUN165..S..PH;GUN165..RHD..GEN;GUN156,166,TGN156..IDNP..(PH,VN); TGN156..VN; TGN166..GEN202209-202303
ASEAN GENERAL SPEC; AUDIO-WITHOUT & WITH(AUDIO LESS COVER)&BACK MONITOR-WITHOUT; BRUNEI SPEC; SINGAPORE SPEC
main90011-25325iGUN155,165..L..SA; GUN156..6F..SA;GUN15#,LAN155,TGN156..LHD..(5F,6FC)..SA202208-202401
AUDIO-*DA(FOR EMERGING MARKET)
AUDIO-WITHOUT & WITH(AUDIO LESS COVER)
main90011-25334×2iGGN155,GUN165..H..LA;GUN156..6FC..H..BZAGT; GUN156..6FC..H..BZAGT; TGN166..S..LA;GGN155,GUN165..LA;GUN156,TGN156..BZAGT202211-202305
AUDIO- ILA; AUDIO-WITHOUT & WITH(AUDIO LESS COVER)&BACK MONITOR-WITHOUT; BRAZIL SPEC&AUDIO- ILA; BRAZIL SPEC&AUDIO-WITHOUT & WITH(AUDIO LESS COVER)&BACK MONITOR-WITHOUT; BRAZIL SPEC&SPEAKER-11SPEAKER & JBL&AUDIO- ILA; SPEAKER-11SPEAKER & JBL&AUDIO- ILA
86271DISC, DISC PLAYER
AUDIO-AVN(8INCH) & *BT; BRUNEI SPEC&AUDIO-AVN(8INCH) & *BT
AUDIO-AVN(8INCH) & *BT & DAB & ENTUNE
AUDIO-AVN(8INCH) & *BT & DAB & ENTUNE
AUDIO-AVN(8INCH) & *BT
AUDIO-AVN(8INCH) & *BT
86730AMICROPHONE ASSY, TELEPHONE
main86730-60050iTGN166..THP;TGN166..S..LA;GUN165..LHD..(AGTP,THP,VNP)..6FC..(H,L);GGN155,GUN155,LAN155..LHD..(AGTP,EPTP,SAP,THP);GUN156,TGN156..LHD..(AGTP,SAP,THP,VNP)..(BZAGT,GCC,GEN,SA,VN)202208-202403
main86730-71030iGUN15#,TGN156..LHD..IDNP..6FC;GUN165,TGN166..LHD..IDNP..(GCC,GEN);GGN155,GUN16#..IDNP..(H,S)..(GCC,PH); GUN165,TGN166..IDNP..S..VN202209-202308
AUDIO-AVN(8INCH) & *BT
AUDIO-WITHOUT; AUDIO-WITHOUT & WITH(AUDIO LESS COVER)
86808CORD SUB-ASSY, NAVIGATION ANTENNA, NO.1
main86808-0K181iGUN156,166,TGN166..(6F,6FC)..LA; TGN166..S..LA;GGN155,GUN165..LA;GUN156,TGN156..BZAGT202211-202310
AUDIO- ILA; AUDIO-*DA(8INCH) & *BT
AUDIO-AVN(8INCH) & *BT
FRONT PERSONAL LAMP-WITH(BULB TYPE) & WITH(ROOF CONSOLE BOX)
86841COMPUTER, NAVIGATION
AUDIO-AVN(8INCH) & *BT
AUDIO-AVN(8INCH) & *BT
AUDIO-AVN(8INCH) & *BT & DAB & ENTUNE
AUDIO-AVN(8INCH) & *BT & DAB & ENTUNE
AUDIO-AVN(8INCH) & *BT; BRUNEI SPEC&AUDIO-AVN(8INCH) & *BT
AUDIO-AVN(8INCH) & *BT; BRUNEI SPEC&AUDIO-AVN(8INCH) & *BT
AUDIO-AVN(8INCH) & *BT
AUDIO-AVN(8INCH) & *BT
AUDIO-AVN(8INCH) & *BT
AUDIO-AVN(8INCH) & *BT
86842WIRE, NAVIGATION, NO.1
AUDIO-AVN(8INCH) & *BT
86848ACARD, SERIAL NUMBER MAP UPDATE
AUDIO-AVN(8INCH) & *BT & DAB & ENTUNE
AUDIO-AVN(8INCH) & *BT; BRUNEI SPEC&AUDIO-AVN(8INCH) & *BT
AUDIO-AVN(8INCH) & *BT
86860ANTENNA ASSY, NAVIGATION
FRONT PERSONAL LAMP-WITH(BULB TYPE) & WITH(ROOF CONSOLE BOX)
90153T0001
main90153-T0001
90167T0012
main90167-T0012
12 parts on this diagram · 1 diagram in section