E
EPC Data

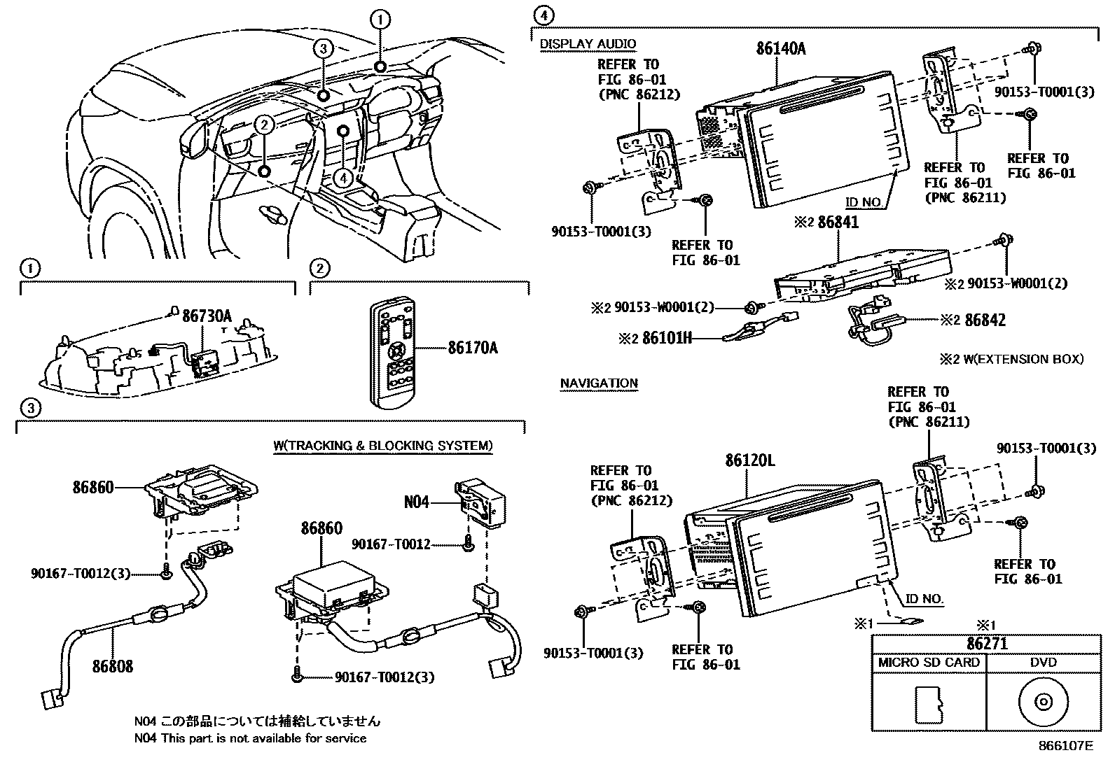
NAVIGATION & FRONT MONITOR DISPLAY

Parts diagram
8601RADIO RECEIVER & AMPLIFIER & CONDENSER
86101HCORD SUB-ASSY, ANTENNA
main86705-02070i201708-201905
RUSSIA & UKRAINE SPEC&EMV & NAVIGATION SYSTEM-*DA & EXTENSION BOX
86120LRECEIVER ASSY, NAVIGATION
main86804-0K140i201512-201610
PIONEER,ID=P10779
main86804-0K141i201610-201907
PIONEER; PIONEER,AUDIO-AVN & DVD & *BT & DIGITAL TV
main86804-0K160i201512-201610
PIONEER,ID=P10780; PIONEER,ID=P10780,AUDIO-AVN & DVD & *BT & DIGITAL TV
main86804-0K161i201610-201907
PIONEER; PIONEER,AUDIO-AVN & DVD & *BT & DIGITAL TV
main86804-0K120i201507-201610
PIONEER,ID=P10777; PIONEER,ID=P10777,AUDIO-AVN & DVD & *BT; PIONEER,ID=P10777,AUDIO-WITHOUT; PIONEER,ID=P10777,AUDIO-WITHOUT & WITH(AUDIO LESS COVER)
main86804-0K121i201610-202005
PIONEER,ID=P10777; PIONEER,ID=P10777,AUDIO-AVN & DVD & *BT
main86804-0K130i201601-201610
PIONEER,ID=P10778,AUDIO-AVN & DVD & *BT
main86804-0K131i201610-201806
PIONEER,AUDIO-AVN & DVD & *BT
main86804-0K150i201610-202002
FUJITSU TEN,ID100410,AUDIO-WITHOUT & WITH(AUDIO LESS COVER); FUJITSU TEN,ID100410,EXPORT FROM INDIA; FUJITSU TEN,ID100410,EXPORT FROM INDIA&AUDIO-*DA & DVD & *BT
main86804-0K170i201708-202005
FUJITSU TEN,ID100411,AUDIO-AVN & CD & *BT & DAB & ENTUNE
main86804-0K180i201601-202007
PANASONIC,ID=510042,AUDIO-AVN & DVD & *BT
main86804-0K190i201603-201906
PANASONIC,ID=510044,AUDIO-AVN & DVD & *BT & RDS & DAB
main86804-0K200i201601-201905
PANASONIC,ID=510043,AUDIO-AVN & DVD & *BT
main86804-0K210supersedes 86804-0K120i201507-201610
PIONEER,ID=P10796,ACCESSORY TYPE 1 PACKAGE; PIONEER,ID=P10796,ACCESSORY TYPE 2 PACKAGE
main86804-0K211supersedes 86804-0K121i201610-202005
PIONEER,ID=P10796,ACCESSORY TYPE 1 PACKAGE; PIONEER,ID=P10796,ACCESSORY TYPE 2 PACKAGE
main86804-0K270supersedes 86804-0K170i201708-202005
FUJITSU TEN,ID100747,SPEAKER-11SPEAKER & JBL
main86804-0K280i201710-201907
PIONEER,ID=P11612,REAR ALL SBR & ELEGANT PACKAGE
main86804-0K290i201710-201907
PIONEER,ID=P11611,REAR ALL SBR & ELEGANT PACKAGE
86140ARECEIVER ASSY, RADIO & DISPLAY
main86140-0KA30i201512-201612
PIONEER,ID=P10791; PIONEER,ID=P10791,AUDIO-*DA(10KHZ) & DVD & *BT; PIONEER,ID=P10791,AUDIO-AVN & DVD & *BT & DIGITAL TV
main86140-0KA31i201701-201808
PIONEER,ID=P10791; PIONEER,ID=P10791,AUDIO-*DA(10KHZ) & DVD & *BT; PIONEER,ID=P10791,AUDIO-AVN & DVD & *BT & DIGITAL TV
main86140-0KA32i201808-201812
PIONEER,ID=P10791; PIONEER,ID=P10791,AUDIO-*DA(10KHZ) & DVD & *BT; PIONEER,ID=P10791,AUDIO-AVN & DVD & *BT & DIGITAL TV
main86140-0KA41supersedes 86140-0KA40i201708-202009
PIONEER,ID=P10792; PIONEER,ID=P10792,AUDIO-WITHOUT & WITH(AUDIO LESS COVER)
main86140-0KA70i201507-202005
FUJITSU TEN,ID100408
main86140-0KB70i201708-202005
FUJITSU TEN,ID100587; FUJITSU TEN,ID100587,AUDIO-*DA & CD & *BT & RDS & DAB
main86140-0KB90i201907-202010
PIONEER; PIONEER,AUDIO-8INCH *DA & *BT; PIONEER,AUDIO-AVN & DVD & *BT & DIGITAL TV
main86140-0KD00i201603-202009
PIONEER,ID=P11107; PIONEER,ID=P11107,AUDIO-WITHOUT & WITH(AUDIO LESS COVER)
main86140-0KD60i201512-201612
PIONEER,ID=P11128; PIONEER,ID=P11128,AUDIO-*DA(10KHZ) & DVD & *BT
main86140-0KD61i201701-201808
PIONEER,ID=P11128; PIONEER,ID=P11128,AUDIO-*DA(10KHZ) & DVD & *BT
main86140-0KD62i201808-201812
PIONEER,ID=P11128; PIONEER,ID=P11128,AUDIO-*DA(10KHZ) & DVD & *BT
main86140-0KD63i201901-201907
PIONEER,ID=P11128; PIONEER,ID=P11128,AUDIO-*DA(10KHZ) & DVD & *BT; PIONEER,ID=P11128,AUDIO-AVN & DVD & *BT & DIGITAL TV
main86140-0K320i201610-202012
FUJITSU TEN,EXPORT FROM INDIA&AUDIO-*DA & DVD & *BT
main86140-0K640i201601-201806
PIONEER,ID=P10787,AUDIO-*DA & DVD & *BT
main86140-0K641i201910-202007
PIONEER,ID=P10787,ASEAN GENERAL SPEC&AUDIO-*DA & DVD & *BT; PIONEER,ID=P10787,AUDIO-*DA & DVD & *BT; PIONEER,ID=P10787,CAMBODIA SPEC&AUDIO-*DA & DVD & *BT
main86140-0K650i201601-201909
PIONEER,ID=P10788,AUDIO-*DA & DVD & *BT
main86140-0K651i201910-202007
PIONEER,ID=P10788,AUDIO-*DA & DVD & *BT
main86140-0K660i201708-202007
FUJITSU TEN,ID100406,ASEAN GENERAL SPEC&AUDIO-*DA & CD & *BT & 4SPEAKER; FUJITSU TEN,ID100406,OCEANIA GENERAL SPEC&AUDIO-*DA & CD & *BT & 4SPEAKER
main86140-0K720i201806-202005
PIONEER,ID=P11794,ASEAN GENERAL SPEC&AUDIO-*DA & DVD & *BT
main86140-0K860i201601-202007
FUJITSU TEN,ID100407,AUDIO-*DA & CD & *BT & 4SPEAKER
main86140-0K870i201601-201806
PIONEER,ID=P10789,AUDIO-*DA(10KHZ) & DVD & *BT
main86140-0KA00i201601-201907
PIONEER,ID=P10790,CS AMERICA SPEC&AUDIO-*DA(10KHZ) & DVD & *BT
main86140-0KA01i201908-202007
PIONEER,ID=P10790,CS AMERICA SPEC&AUDIO-*DA(10KHZ) & DVD & *BT
main86140-0KA40i201603-201707
PIONEER,ID=P10792; PIONEER,ID=P10792,AUDIO-*DA & DVD & *BT; PIONEER,ID=P10792,AUDIO-WITHOUT & WITH(AUDIO LESS COVER)
main86140-0KA50i201603-201906
PIONEER,ID=P10793; PIONEER,ID=P10793,AUDIO-WITHOUT & WITH(AUDIO LESS COVER)
main86140-0KA60i201601-201905
PIONEER,ID=P10782,AUDIO-*DA & DVD & *BT
main86140-0KA80i201507-201912
PIONEER,ID=P10795,AUDIO-WITHOUT; PIONEER,ID=P10795,AUDIO-WITHOUT & WITH(AUDIO LESS COVER)
main86140-0KA90i201601-201907
PIONEER,ID=P10786,BRUNEI SPEC&AUDIO-*DA & DVD & *BT
main86140-0KA91i201908-202007
PIONEER,ID=P10786,ASEAN GENERAL SPEC&AUDIO-*DA & DVD & *BT; PIONEER,ID=P10786,BRUNEI SPEC&AUDIO-*DA & DVD & *BT
main86140-0KB60i201603-201709
PIONEER,ID=P10969; PIONEER,ID=P10969,AUDIO-WITHOUT & WITH(AUDIO LESS COVER)
main86140-0KB61i202007-202009
PIONEER,ID=P10969,EXPORT FROM SOUTH AFRICA&AUDIO-*DA & DVD & *BT
main86140-0KC10i201907-202010
PIONEER; PIONEER,AUDIO-8INCH AVN & *BT & DIGITAL TV
main86140-0KC20supersedes 86140-0KC10i201907-202010
PIONEER,SPEAKER-11SPEAKER & JBL
main86140-0KC30supersedes 86140-71010i201906-202009
PIONEER,AUDIO-8INCH AVN & *BT & RDS & DAB
main86140-0KD40i201601-202007
FUJITSU TEN,ID100586,AUDIO-*DA & DVD & *BT
main86140-71010i201906-202009
DENSO TEN; DENSO TEN,SPEAKER-6SPEAKER&AUDIO-8INCH *DA & *BT & RDS & DAB
86170ASWITCH & VOLUME ASSY
main86170-0K010i201610-202002
AUDIO-WITHOUT & WITH(AUDIO LESS COVER)
main86170-0K020i201601-202007
AUDIO-*DA & DVD & *BT
86271DISC, DISC PLAYER
main86271-0E171i201507-201508
main86271-0E172i201508-201608
main86271-0E173i201609-201710
main86271-0E174i201710-201809
AUDIO-AVN & CD & *BT & DAB & ENTUNE
main86271-0E175i201810-201909
AUDIO-AVN & CD & *BT & DAB & ENTUNE
main86271-0E176i201910-202005
AUDIO-AVN & CD & *BT & DAB & ENTUNE
main86271-33122i201512-201708
main86271-33123i201709-201808
AUDIO-AVN & DVD & *BT & DIGITAL TV
main86271-33124i201808-201907
AUDIO-AVN & DVD & *BT & DIGITAL TV
main86271-33232i201512-201708
AUDIO-AVN & DVD & *BT & DIGITAL TV
main86271-33233i201709-201808
AUDIO-AVN & DVD & *BT & DIGITAL TV
main86271-33234i201808-201907
AUDIO-AVN & DVD & *BT & DIGITAL TV
main86807-11072i201908-202010
AUDIO-8INCH AVN & *BT & DIGITAL TV
main86807-33011i201908-202010
AUDIO-8INCH AVN & *BT & DIGITAL TV
main86271-0K011supersedes 86271-0K015i201610-201612
AUDIO-WITHOUT & WITH(AUDIO LESS COVER)
main86271-0K012supersedes 86271-0K015i201701-201712
AUDIO-WITHOUT & WITH(AUDIO LESS COVER)
main86271-0K013supersedes 86271-0K015i201801-201812
AUDIO-WITHOUT & WITH(AUDIO LESS COVER)
main86271-0K014supersedes 86271-0K015i201901-201912
AUDIO-WITHOUT & WITH(AUDIO LESS COVER)
main86271-0K015i202001-202002
AUDIO-WITHOUT & WITH(AUDIO LESS COVER)
main86271-60382i201507-201708
AUDIO-AVN & DVD & *BT; AUDIO-WITHOUT; AUDIO-WITHOUT & WITH(AUDIO LESS COVER)
main86271-60383supersedes 86271-60385i201709-201808
AUDIO-AVN & DVD & *BT; AUDIO-WITHOUT; AUDIO-WITHOUT & WITH(AUDIO LESS COVER)
main86271-60384i201808-201907
AUDIO-AVN & DVD & *BT; AUDIO-WITHOUT; AUDIO-WITHOUT & WITH(AUDIO LESS COVER)
main86271-60385i201908-202005
AUDIO-AVN & DVD & *BT
main86271-60402i201601-201608
AUDIO-AVN & DVD & *BT
main86271-60403i201609-201707
AUDIO-AVN & DVD & *BT
main86271-60404i201708-201807
AUDIO-AVN & DVD & *BT
main86271-60405i201808-201905
AUDIO-AVN & DVD & *BT
main86271-60406i201908-202007
AUDIO-AVN & DVD & *BT
main86271-60412i201603-201608
AUDIO-AVN & DVD & *BT & RDS & DAB
main86271-60413i201609-201708
AUDIO-AVN & DVD & *BT & RDS & DAB
main86271-60414i201709-201807
AUDIO-AVN & DVD & *BT & RDS & DAB
main86271-60415i201808-201906
AUDIO-AVN & DVD & *BT & RDS & DAB
main86807-11063i201908-202009
AUDIO-8INCH AVN & *BT & RDS & DAB
86730AMICROPHONE ASSY, TELEPHONE
main86730-20060i201507-201709
main86730-60050i201512-202101
86808CORD SUB-ASSY, NAVIGATION ANTENNA, NO.1
main86808-0K050i201507-201801
AUDIO-AVN & DVD & *BT; AUDIO-WITHOUT; AUDIO-WITHOUT & WITH(AUDIO LESS COVER)
main86808-0K051i201801-202005
AUDIO-AVN & DVD & *BT
main86808-0K180i201512-201711
ANTI-THEFT SYSTEM-WITH(*IM & SIREN & *GBS); AUDIO-AVN & DVD & *BT & DIGITAL TV
main86808-0K181i201808-202010
main86808-0K230supersedes 86808-0K231i201610-201711
AUDIO-WITHOUT & WITH(AUDIO LESS COVER); EXPORT FROM INDIA; EXPORT FROM INDIA&AUDIO-*DA & DVD & *BT
main86808-0K231i201906-202002
AUDIO-WITHOUT & WITH(AUDIO LESS COVER); EXPORT FROM SOUTH AFRICA&AUDIO-*DA & DVD & *BT
main86808-0K251i201905-202005
EMV & NAVIGATION SYSTEM-*DA & EXTENSION BOX
86841COMPUTER, NAVIGATION
main86840-0K130i201907-201908
AUDIO-8INCH AVN & *BT & DIGITAL TV
main86840-0K131i201908-202010
AUDIO-8INCH AVN & *BT & DIGITAL TV
main86840-0K140i201907-201908
AUDIO-8INCH AVN & *BT & DIGITAL TV
main86840-0K141i201908-202010
AUDIO-8INCH AVN & *BT & DIGITAL TV
main86840-0F040i201905-202005
EMV & NAVIGATION SYSTEM-*DA & EXTENSION BOX
main86840-0K150i201906-201907
AUDIO-8INCH AVN & *BT & RDS & DAB
main86840-0K151i201908-202009
AUDIO-8INCH AVN & *BT & RDS & DAB
86842WIRE, NAVIGATION, NO.1
main86842-33150i201907-202010
AUDIO-8INCH AVN & *BT & DIGITAL TV
main86842-12010i201708-202005
EMV & NAVIGATION SYSTEM-*DA & EXTENSION BOX
86860ANTENNA ASSY, NAVIGATION
main86860-0K040supersedes 86880-0K040i201507-202012
main86880-0K020i201607-201808
ANTI-THEFT SYSTEM-WITH(IMMOBILIZER & SECURITY HORN)
main86880-0K040i201710-201808
ANTI-THEFT SYSTEM-WITH(*IM & SIREN & *GBS & TRACKING); ANTI-THEFT SYSTEM-WITH(*IM&HORN&TRACKING&BLOCKING SYSTEM)&AUDIO-AVN & DVD & *BT &DIGITAL TV
90153T0001
90153W0001
90167T0012

14 parts on this diagram · 1 diagram in section

NAVIGATION & FRONT MONITOR DISPLAY — Toyota Parts Diagram with OEM Numbers & Prices | EPC Data