E
EPC Data

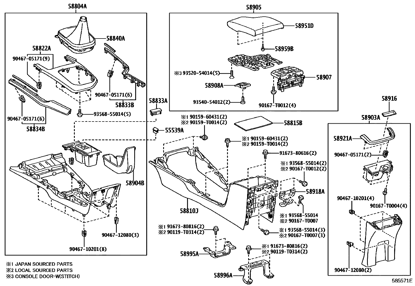
CONSOLE BOX & BRACKET

Parts diagram
55539ACOVER, SPARE SWITCH HOLE
main55539-KK030-C0i201507-202104
BLACK
58804APANEL SUB-ASSY, CONSOLE, UPPER
main58804-KK110-C4i201507-201708
BLACK/GRAY,TRIM42
main58804-KK110-C5i201507-201710
BLACK/BROWN,TRIM4#
main58804-KK110-C5i201507-201708
BLACK/BROWN,TRIM41
main58804-KK120-C2i201507-201710
BLACK,TRIM4#
main58804-KK170-C7i201603-201708
BLACK/BLACK,TRIM3#
main58804-KK170-C8i201612-201802
BLACK/GRAY,TRIM4#
main58804-KK170-C8i201507-201708
BLACK/GRAY,TRIM42
main58804-KK170-C9i201601-201710
BLACK/BROWN,TRIM4#
main58804-KK170-C9i201507-201708
BLACK/BROWN,TRIM41
main58804-KK180-C3i201507-201710
BLACK/BEIGE,TRIM4#
main58804-KK200-C4i201601-201708
BLACK/GRAY,TRIM42
main58804-KK200-C5i201601-201708
BLACK/BROWN,TRIM41
main58804-KK200-C5i201512-201710
BLACK/BROWN,TRIM4#
main58804-KK210-C2i201512-201710
BLACK/BEIGE,TRIM4#
main58804-KK240-C6i201601-201708
BLACK/GRAY,TRIM4#
main58804-KK240-C6i201601-201708
BLACK/GRAY,TRIM42
main58804-KK240-C7i201512-201710
BLACK/BROWN,TRIM4#
main58804-KK240-C7i201601-201708
BLACK/BROWN,TRIM41
main58804-KK250-C2i201512-201710
BLACK/BEIGE,TRIM4#
main58804-KK270-C0i201708-201805
BLACK/GRAY,TRIM42
main58804-KK270-C1i201708-202012
BLACK/BROWN,TRIM4#
main58804-KK270-C1i201708-201805
BLACK/BROWN,TRIM41
main58804-KK280-C0i201708-201805
BLACK,TRIM3#,4#
main58804-KK280-C0i201708-202009
BLACK,TRIM4#
main58804-KK290-C0i201708-202005
BLACK/BLACK,TRIM3#
main58804-KK290-C1i201802-202104
BLACK/GRAY,TRIM4#
main58804-KK290-C1i201708-202104
BLACK/GRAY,TRIM42
main58804-KK290-C2i201709-202012
BLACK/BROWN,TRIM4#
main58804-KK290-C2i201708-202104
BLACK/BROWN,TRIM41
main58804-KK290-C3i201808-202005
BLACK,TRIM3#
main58804-KK300-C0i201708-202012
BLACK,TRIM4#
main58804-KK300-C0i201708-202005
BLACK,TRIM3#,4#
main58804-KK310-C1i201708-201808
BLACK/GRAY,TRIM42
main58804-KK310-C2i201708-201808
BLACK/BROWN,TRIM41
main58804-KK310-C2i201710-202010
BLACK/BROWN,TRIM4#
main58804-KK320-C0i201708-202010
BLACK,TRIM4#
main58804-KK330-C0i201905-202005
BLACK/BLACK,TRIM3#
main58804-KK330-C1i201708-202005
BLACK/GRAY,TRIM42
main58804-KK330-C2i201708-202101
BLACK/BROWN,TRIM4#
main58804-KK330-C2i201708-202005
BLACK/BROWN,TRIM41
main58804-KK340-C0i201708-202101
BLACK,TRIM4#
main58804-KK360-C0i201708-201807
GRAY,TRIM42
main58804-KK360-C1i201708-201807
BROWN,TRIM4#
main58804-KK360-C1i201708-201807
BROWN,TRIM41
main58804-KK370-C0i201708-201805
BLACK/BEIGE,TRIM4#
main58804-KK380-C0i201710-202010
BLACK/BLACK,TRIM0#
main58804-KK380-C1i201708-201808
BLACK/GRAY,TRIM42
main58804-KK380-C2i201708-202010
BLACK/BROWN,TRIM4#
main58804-KK380-C2i201708-201808
BLACK/BROWN,TRIM41
main58804-KK390-C0i201708-202010
BLACK,TRIM4#
main58804-KK400-C0i201808-202007
BLACK/BEIGE,TRIM4#
main58804-KK410-C0i201808-202007
GRAY,TRIM42
main58804-KK410-C1i201808-202007
BROWN,TRIM4#
main58804-KK410-C1i201808-202007
BROWN,TRIM41
main58804-KK420-C0i201808-202008
BLACK/BEIGE,TRIM4#
main58804-KK430-C0i201808-202007
BLACK/GRAY/BEIGE/SILVER,TRIM42
main58804-KK430-C1i201808-202007
BLACK/GRAY/BEIGE/SILVER,TRIM41
main58804-KK440-C0i201808-202007
BLACK/BEIGE,TRIM4#
main58804-KK450-C0i201808-202008
BLACK/GRAY/BEIGE/SILVER,TRIM42
main58804-KK450-C0i201808-202007
BLACK/GRAY/BEIGE/SILVER,TRIM4#
main58804-KK450-C1i201808-202008
BLACK/BROWN/BEIGE/SILVER,TRIM41
58810JBOX ASSY, CONSOLE
main58810-KK110-C0i201512-202010
BLACK,TRIM3#,4#
main58810-KK110-C0i201507-202012
BLACK,TRIM4#
main58810-KK130-C0i201507-201805
BLACK,TRIM3#,4#
main58810-KK130-C0i201507-202005
BLACK,TRIM4#
main58810-KK180-C0i201507-202104
BLACK,TRIM4#
main58810-KK180-C0i201507-202005
BLACK,TRIM3#,4#
main58810-KK210-C0i201512-202010
BLACK,TRIM3#,4#
main58810-KK210-C0i201512-202010
BLACK,TRIM0#,3#,4#
main58810-KK210-C0i201512-202101
BLACK,TRIM4#
main58810-KK230-C0i201708-202005
BLACK,TRIM4#
main58810-KK250-C0i201507-202005
BLACK,TRIM4#
main58810-KK250-C0i201507-202005
BLACK,TRIM3#,4#
main58810-KK430-C1i201601-201807
BLACK/BROWN,TRIM4#
main58810-KK431-C1i201808-202007
BLACK/BROWN,TRIM4#
main58810-KK450-C2i201601-201807
BLACK/CHAMOIS,TRIM42
main58810-KK450-C3i201601-201807
BLACK/BROWN,TRIM41
main58810-KK450-C3i201601-201807
BLACK/BROWN,TRIM4#
main58810-KK451-C2i201808-202007
BLACK/CHAMOIS,TRIM42
main58810-KK451-C3i201808-202007
BLACK/BROWN,TRIM4#
main58810-KK451-C3i201808-202007
BLACK/BROWN,TRIM41
main58810-KK460-C2i201601-202008
BLACK,TRIM4#
main58810-KK480-C2i201601-202007
BLACK,TRIM4#
main58810-KK490-C2i201601-201807
BLACK/CHAMOIS,TRIM42
main58810-KK490-C3i201601-201807
BLACK/BROWN,TRIM41
main58810-KK491-C2i201808-202007
BLACK/CHAMOIS,TRIM4#
main58810-KK491-C2i201808-202008
BLACK/CHAMOIS,TRIM42
main58810-KK491-C3i201808-202008
BLACK/BROWN,TRIM41
main58810-KK500-C4i201601-201805
BLACK,TRIM4#
main58810-KK510-C2i201601-201807
BLACK/CHAMOIS,TRIM42
main58810-KK510-C3i201601-201807
BLACK/BROWN,TRIM41
main58810-KK511-C2i201808-202007
BLACK/CHAMOIS,TRIM42
main58810-KK511-C3i201808-202007
BLACK/BROWN,TRIM41
58815BCARPET, CONSOLE BOX
main58815-KK010i201507-202104
58822APANEL, CONSOLE, UPPER REAR
main58822-KK010-B1i201507-201805
GRAY,TRIM42
main58822-KK010-E1i201507-201805
BROWN,TRIM41
main58822-KK010-E1i201507-202012
BROWN,TRIM4#
main58822-KK020i201507-201710
main58822-KK050-B1i201601-202007
GRAY,TRIM42
main58822-KK050-E1i201512-202010
BROWN,TRIM4#
main58822-KK050-E1i201601-202007
BROWN,TRIM41
main58822-KK060i201512-202010
58833ACOVER, CONSOLE, UPPER
main58833-KK100i201512-202009
58833BGARNISH, CONSOLE UPPER PANEL, NO.1
main58833-KK040i201507-202012
main58833-KK050i201507-202009
main58833-KK060i201512-202010
main58833-KK070i201512-202010
main58833-KK130-B0i201603-202005
SILVER,TRIM3#
main58833-KK130-B1i201507-202104
SILVER 21SV85,TRIM4#
main58833-KK130-B1i201708-202005
SILVER 21SV85,TRIM3#,4#
main58833-KK140i201507-202012
main58833-KK150-B0i201512-202101
SILVER 21SV85,TRIM4#
main58833-KK150-B1i201905-202005
SILVER,TRIM3#
main58833-KK150-E0i201710-202010
COPPER,TRIM0#
main58833-KK160i201512-202101
58834BGARNISH, CONSOLE UPPER PANEL, NO.2
main58834-KK040i201507-202012
main58834-KK050i201507-202009
main58834-KK060i201512-202010
main58834-KK070i201512-202010
main58834-KK080-B0i201603-202005
SILVER,TRIM3#
main58834-KK080-B1i201507-202104
SILVER 21SV85,TRIM4#
main58834-KK080-B1i201708-202005
SILVER 21SV85,TRIM3#,4#
main58834-KK090i201507-202012
main58834-KK100-B0i201512-202101
SILVER 21SV85,TRIM4#
main58834-KK100-B1i201905-202005
SILVER,TRIM3#
main58834-KK100-E0i201710-202010
COPPER,TRIM0#
main58834-KK110i201512-202101
58840ACOVER ASSY, SHIFTING HOLE
main58840-KK030-C0i201507-202012
BLACK,TRIM4#
main58840-KK030-C0i201708-201805
BLACK,TRIM3#,4#
main58840-KK050-C0i201808-202007
BLACK/BEIGE,TRIM4#
main58840-KK070-C0i201512-202010
BLACK,TRIM4#
main58840-KK080-C0i201808-202008
BLACK/BEIGE,TRIM4#
58903APANEL SUB-ASSY, CONSOLE REAR END
main58903-KK030-C1i201603-202005
BLACK/SILVER,TRIM3#
main58903-KK030-C2i201507-202104
BLACK/SILVER 21SV85,TRIM4#
main58903-KK030-C2i201507-202005
BLACK/SILVER 21SV85,TRIM3#,4#
main58903-KK030-C2i201512-202010
BLACK/SILVER 21SV85,TRIM0#,4#
main58903-KK040-C1i201512-202101
BLACK,TRIM4#
main58903-KK040-C1i201512-202010
BLACK,TRIM0#,4#
main58903-KK040-C2i201905-202005
SILVER,TRIM3#
main58903-KK050-C0i201507-202005
BLACK,TRIM3#,4#
main58903-KK050-C0i201507-202101
BLACK,TRIM4#
main58903-KK060-C0i201512-202010
BLACK,TRIM4#
58904BCOVER SUB-ASSY, PARKING BRAKE HOLE
main58904-KK020-C0i201808-202007
BLACK/BEIGE,TRIM4#
main58904-KK030-C0i201808-202008
BLACK/BEIGE,TRIM4#
main58904-KK060i201710-201802
main58904-KK060-C1i201507-202104
BLACK/BEIGE,TRIM4#
main58904-KK060-C1i201708-202005
BLACK/BEIGE,TRIM3#,4#
main58904-KK060-C2i201603-202005
BLACK/CRIMSON,TRIM3#
main58904-KK070-C1i201512-202101
BLACK,TRIM4#
main58904-KK070-C1i201710-202010
BLACK,TRIM0#,4#
main58904-KK070-C2i201905-202005
BLACK/CRIMSON NO.69,TRIM3#
58905DOOR SUB-ASSY, CONSOLE COMPARTMENT
main58905-KK010-C7i201507-202012
BLACK/BLACK,TRIM4#
main58905-KK010-C7i201507-202005
BLACK/BLACK,TRIM3#,4#
main58905-KK020-C4i201512-202101
BLACK/BLACK,TRIM4#
main58905-KK030-20i201603-201806
BLACK/CRIMSON,TRIM3#
main58905-KK030-C6i201507-202104
BLACK/CHAMOIS,TRIM42
main58905-KK030-C6i201612-202104
BLACK/CHAMOIS,TRIM4#
main58905-KK030-C8i201507-202012
BLACK/BROWN,TRIM4#
main58905-KK030-C8i201507-202104
BLACK/BROWN,TRIM41
main58905-KK040-23i201710-202004
BLACK/FROMAGE,TRIM0#
main58905-KK040-C6i201601-201807
BLACK/CHAMOIS,TRIM42
main58905-KK040-C8i201512-202101
BLACK/BROWN,TRIM4#
main58905-KK040-C8i201601-201807
BLACK/BROWN,TRIM41
main58905-KK110-C2i201806-202005
BLACK/BLACK/CRIMSON,TRIM3#
main58905-KK110-C3i201806-202005
BLACK/CHAMOIS/IVORY,TRIM42
main58905-KK110-C4i201806-202005
BLACK/BROWN/BEIGE,TRIM4#
main58905-KK110-C4i201806-202005
BLACK/BROWN/BEIGE,TRIM41
main58905-KK120-C3i201806-202005
BLACK/CHAMOIS/IVORY,TRIM4#
main58905-KK120-C3i201806-202005
BLACK/CHAMOIS/IVORY,TRIM42
main58905-KK120-C4i201806-202005
BLACK/BROWN/BEIGE,TRIM41
main58905-KK120-C6i201905-202005
BLACK/CRIMSON NO.69,TRIM3#
main58905-KK130-C0i201808-202007
BLACK/CHAMOIS,TRIM42
main58905-KK130-C1i201808-202007
BLACK/BROWN,TRIM41
main58905-KK130-C1i201808-202007
BLACK/BROWN,TRIM4#
main58905-KK140-C0i201808-202007
BLACK/CHAMOIS,TRIM4#
main58905-KK140-C0i201808-202008
BLACK/CHAMOIS,TRIM42
main58905-KK140-C1i201808-202008
BLACK/BROWN,TRIM41
58907HINGE SUB-ASSY, CONSOLE COMPARTMENT DOOR
main58907-KK010-C0i201507-202010
BLACK,TRIM3#,4#
main58907-KK010-C0i201512-202010
BLACK,TRIM0#,3#,4#
main58907-KK010-C0i201507-202104
BLACK,TRIM4#
58908ALOCK SUB-ASSY, CONSOLE COMPARTMENT DOOR
main58908-KK010i201507-202104
58916MAT, BOX BOTTOM
main58916-KK010i201507-202104
58918ABRACKET, BOX SUPPORT
main58918-KK010i201507-202104
58921APANEL, REAR CONSOLE, UPPER
main58921-KK020-B0i201603-202005
SILVER,TRIM3#
main58921-KK020-B1i201507-202104
SILVER 21SV85,TRIM4#
main58921-KK020-B1i201507-202005
SILVER 21SV85,TRIM3#,4#
main58921-KK020-B1i201512-202010
SILVER 21SV85,TRIM0#,4#
main58921-KK030i201507-202101
58951DDOOR, CONSOLE COMPARTMENT, OUTER
main58951-KK010-C2i201507-202005
BLACK,TRIM3#,4#
main58951-KK010-C2i201507-202012
BLACK,TRIM4#
main58951-KK030-C3i201603-201806
BLACK/CRIMSON,TRIM3#
main58951-KK030-E3i201507-202104
CHAMOIS,TRIM42
main58951-KK030-E3i201612-202104
CHAMOIS,TRIM4#
main58951-KK030-E5i201507-202104
BROWN/BEIGE,TRIM41
main58951-KK030-E5i201507-202012
BROWN/BEIGE,TRIM4#
main58951-KK070-C1i201512-202101
BLACK,TRIM4#
main58951-KK090-A0i201710-202004
FROMAGE/WHITE NO.256,TRIM0#
main58951-KK090-E3i201601-201807
CHAMOIS,TRIM42
main58951-KK090-E5i201601-201807
BROWN,TRIM41
main58951-KK090-E5i201512-202101
BROWN,TRIM4#
main58951-KK120-C1i201806-202005
BLACK/CRIMSON,TRIM3#
main58951-KK120-E1i201806-202005
CHAMOIS/IVORY,TRIM42
main58951-KK120-E2i201806-202005
BROWN/BEIGE,TRIM4#
main58951-KK120-E2i201806-202005
BROWN/BEIGE,TRIM41
main58951-KK130-C2i201905-202005
BLACK/CRIMSON NO.69,TRIM3#
main58951-KK130-E1i201806-202005
CHAMOIS/IVORY,TRIM42
main58951-KK130-E1i201806-202005
CHAMOIS/IVORY,TRIM4#
main58951-KK130-E2i201806-202005
BROWN/BEIGE,TRIM41
main58951-KK140-E0i201808-202007
CHAMOIS/IVORY,TRIM42
main58951-KK140-E1i201808-202007
BROWN/BEIGE,TRIM41
main58951-KK140-E1i201808-202007
BROWN/BEIGE,TRIM4#
main58951-KK150-E0i201808-202007
CHAMOIS/IVORY,TRIM4#
main58951-KK150-E0i201808-202008
CHAMOIS/IVORY,TRIM42
main58951-KK150-E1i201808-202008
BROWN/BEIGE,TRIM41
58959BCUSHION, CONSOLE COMPARTMENT DOOR
main90541-T0008i201507-202104
58995ABRACKET, CONSOLE BOX MOUNTING, NO.1
main58995-KK020i201507-202012
58996ABRACKET, CONSOLE BOX MOUNTING, NO.2
main58996-KK020i201507-202104
90119T0314
9015960431
90159T0014
90167T0004
90167T0007
90167T0012
9046705171
9046710201
9046712080
9167380616
9167380816
9352054014
9354054012
9356855014

35 parts on this diagram · 8 diagrams in section

CONSOLE BOX & BRACKET — Toyota Parts Diagram with OEM Numbers & Prices | EPC Data