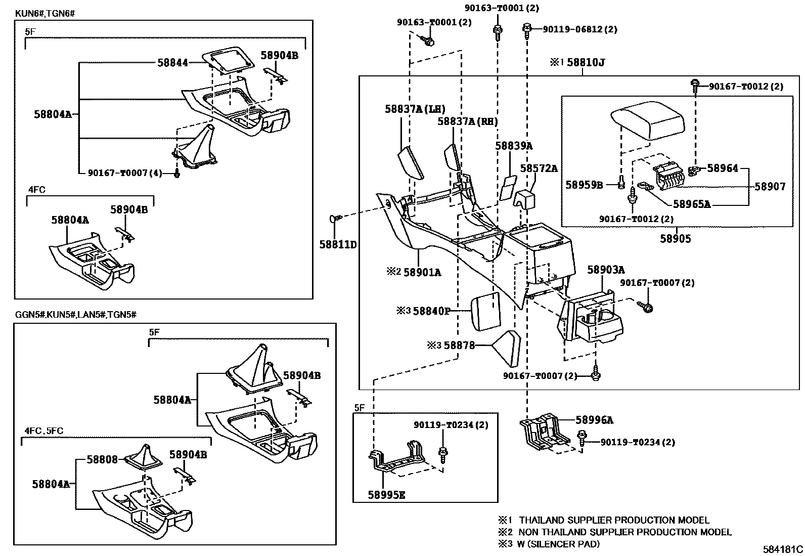
CONSOLE BOX & BRACKET

58572ACUSHION, CONSOLE BOX
58804APANEL SUB-ASSY, CONSOLE, UPPER
BLACK,TRIM4#
SAND BEIGE,TRIM40
ASH BROWN,TRIM40
BLACK,TRIM2#,40
main58804-0K051-E0iKUN51..PHL;GGN50..5FC..(ANCOM,GCC,GEN,LA);KUN51..LHD..(SASUV,THSUV)..4FC201107-201308
SAND BEIGE,TRIM40
main58804-0K051-E1supersedes 58804-0K051-E1iTGN51..LHD..4FC;GGN50,KUN51..LHD..SUVW..(4FC,5FC)..(CO,EPT,GEN)201107-201308
ASH BROWN,TRIM4#
DK.GRAY,TRIM1#
BLACK,TRIM2#,40
SAND BEIGE,TRIM40
ASH BROWN,TRIM40
BLACK,TRIM2#,40
SAND BEIGE,TRIM40
ASH BROWN,TRIM4#
DK.GRAY,TRIM1#
BLACK,TRIM2#,4#
ASH BROWN,TRIM4#
BLACK,TRIM2#,4#
ASH BROWN,TRIM40
BLACK,TRIM2#,40
SAND BEIGE,TRIM40
ASH BROWN,TRIM40
EXPORT FROM ARGENTINA,BLACK,TRIM2#,40
SAND BEIGE,TRIM40
ASH BROWN,TRIM40
ASH BROWN,TRIM4#
BLACK,TRIM2#,4#
ASH BROWN,TRIM4#
58808COVER SUB-ASSY, SHIFTING HOLE
DK.GRAY,TRIM1#
BLACK,TRIM4#
main58808-0K030-E1iGGN50,KUN51..RHD..5FC;KUN51,TGN51..RHD..(IDSUV,SASUV);KUN51,TGN51..RHD..4FC..(PKN,SA)201107-201308
ASH BROWN,TRIM4#
BLACK,TRIM4#
ASH BROWN,TRIM40
58810JBOX ASSY, CONSOLE
BLACK,TRIM2#,4#
ASH BROWN,TRIM4#
DK.GRAY,TRIM1#
BLACK,TRIM2#,40
SAND BEIGE,TRIM40
ASH BROWN,TRIM40
BLACK,TRIM2#,4#
main58810-0K041-E2iKUN51..THSUV..4FC;KUN51,60..SUVW..4FC..PHL;GGN50,TGN51,61..LHD..(SUVW,THSUV)..(4FC,5FC)..(GCC,GEN,PHL)201107-201308
ASH BROWN,TRIM40
DK.GRAY,TRIM1#
BLACK,TRIM2#,4#
ASH BROWN,TRIM4#
BLACK,TRIM2#,4#
main58810-0K130-E2iKUN60..SUVW..5F..PHL;GGN50,KUN51,TGN51,61..LHD..(SUVW,THSUV)..5F..(GCC,GEN)201107-201308
ASH BROWN,TRIM40
DK.GRAY,TRIM1#
BLACK,TRIM2#,4#
ASH BROWN,TRIM4#
BLACK,TRIM2#,4#
BLACK,TRIM2#,4#
BLACK,TRIM2#,4#
BLACK,TRIM2#,4#
main58810-0K530-C0iKUN51..LHD..IDSUV..4FC..(GEN,LA);GGN50,KUN60..IDSUV..(4FC,5FC)..(GEN,LA)201406-201510
BLACK,TRIM2#,4#
THAI SPEC(EURO 3 REGULATION),SAND BEIGE,TRIM40
THAI SPEC(EURO 3 REGULATION),BLACK,TRIM2#,40
COLOMBIA SPEC,BLACK,TRIM2#,4#
58811DCLIP(FOR CONSOLE BOX)
DK.GRAY,TRIM1#
BLACK,TRIM40,*299
main90467-T0002-E1×2supersedes 90467-T0002-E2iTGN61..SUVW..(IDN,TH);KUN51..RHD..(SASUV,SUVW)..4FC;KUN51,60..RHD..SUVW..5F..(IDN,SA);GGN50,60,KUN50,61,LAN50,TGN51..RHD..SUVW..(IDN,MA,SA)201301-201601
SAND BEIGE,TRIM40,*299
ASH BROWN,TRIM40,*299
main90467-T0025-C0×2iTGN61..IDN,TH;KUN51..RHD..(SASUV,SUVW)..(4FC,5F);GGN50,60,KUN6#,LAN50,TGN51..RHD..(IDN,IND,SA)201308-201402
BLACK,TRIM2#,*306
ASH BROWN,TRIM4#,*306
58837APAD, CONSOLE BOX SILENCER, NO.2
main58837-0K010iGGN50,60,KUN5#,6#,LAN50,TGN51,61..ANCOM,CO,EPT,GCC,GEN,IDN,IND,LA,MA,PHL,PKN,SA,TH,VN201107
RH
main58837-0K020iGGN50,60,KUN5#,6#,LAN50,TGN51,61..ANCOM,CO,EPT,GCC,GEN,IDN,IND,LA,MA,PHL,PKN,SA,TH,VN201107
LH
58839ACOVER, CONSOLE BOX HOLE
DK.GRAY,TRIM1#
main58839-0K010-C0iKUN51..RHD..SA;TGN61..4FC..HTWCF;GGN50,KUN51..GCC,PHL;KUN60,TGN61..4FC..(PHL,TH,VN);KUN51,TGN51..LHD..5F..(GEN,SA);KUN60,TGN61..5F..(LA,PHL,SA,VN);GGN50,60,KUN61,LA201308-201406
BLACK,TRIM2#,40
SAND BEIGE,TRIM40
main58839-0K010-E2supersedes 58839-0K010-E2iKUN60,TGN61..5F..(LA,VN);GGN50,KUN60,TGN51,61..IDSUV..5F..(GCC,PHL);KUN51,LAN50..LHD..(SASUV,SUVW)..5F..(GEN,SA)201107-201403
ASH BROWN,TRIM40
58840PPAD, CONSOLE BOX SILENCER, NO.3
58844BEZEL, CONSOLE BOX
DK.GRAY,TRIM1#
BLACK,TRIM2#,40
SAND BEIGE,TRIM40
ASH BROWN,TRIM4#
58878PAD, CONSOLE BOX SILENCER, NO.4
58901ABOX SUB-ASSY, CONSOLE, REAR
main58911-0K010-C0iTGN61..5F..LA;KUN51,TGN51..LHD..5F..(GEN,SA);GGN50,KUN60,LAN50..5F..SR..(GCC,PHL,SA,VN)201308-201405
BLACK,TRIM2#,40
main58911-0K010-E1iKUN60,TGN61..5F..(LA,VN);GGN50,KUN60,TGN51,61..IDSUV..5F..(GCC,PHL);KUN51,LAN50,TGN51..LHD..(SASUV,SUVW)..5F..(GEN,SA)201107-201405
SAND BEIGE,TRIM40
main58911-0K010-E2iKUN60,TGN61..5F..(LA,VN);GGN50,KUN60,TGN51,61..IDSUV..5F..(GCC,PHL);KUN51,LAN50,TGN51..LHD..(SASUV,SUVW)..5F..(GEN,SA)201107-201403
ASH BROWN,TRIM40
BLACK,TRIM2#,40
SAND BEIGE,TRIM4#
ASH BROWN,TRIM40
BLACK,TRIM2#,4#
main58911-0K050-C0iTGN61..4FC..(CO,LA,PHL,VN);GGN50,KUN51,60..(4FC,5FC)..(GCC,PHL);KUN51..LHD..(SASUV,SUVW)..4FC..(CO,GEN,LA);GGN50,TGN51..LHD..SUVW..(4FC,5FC)..(CO,LA,SA,VN)201404-201405
BLACK,TRIM4#
main58911-0K050-E2iGGN50,KUN51,60,TGN51,61..LHD..(IDSUV,SASUV)..(4FC,5FC);GGN50,60,KUN51,TGN51,61..LHD..(4FC,5FC)..(ANCOM,CO,EPT,LA,SA,VN)201107-201308
ASH BROWN,TRIM4#
BLACK,TRIM2#,4#
main58911-0K130-C0iGGN50,KUN6#,LAN50..5F..(CO,GCC,PHL,SA,VN);KUN51,TGN51,61..(SASUV,SUVW)..5F..(CO,GEN,LA,SA)201406-201611
BLACK,TRIM2#,4#
BLACK,TRIM2#,4#
BLACK,TRIM2#
main58911-0K160-C0iKUN51..IDSUV..5FC;TGN61..4FC..(CO,LA,PHL,VN);GGN50,KUN51,60..(4FC,5FC)..(GCC,PHL);GGN50,KUN51,TGN51..LHD..(SASUV,SUVW)..(4FC,5FC)..SR..(CO,GEN,LA,SA,VN)201406-201611
BLACK,TRIM2#,4#
BLACK,TRIM2#
58903APANEL SUB-ASSY, CONSOLE REAR END
DK.GRAY,TRIM1#
BLACK,TRIM2#,4#
SAND BEIGE,TRIM40
main58903-0K010-E2supersedes 58903-0K010-E2iKUN51..(4FC,5F)..TH;KUN61..4FC..(IND,TH);KUN51..LHD..SASUV..4FC;KUN51..RHD..SUVW..4FC..GEN;LAN50,TGN51,61..RHD..SUVW..(IDN,SA);KUN60,TGN51..SUVW..5F..SR..(GCC,IDN,P201107-201404
ASH BROWN,TRIM40
58904BCOVER SUB-ASSY, PARKING BRAKE HOLE
DK.GRAY,TRIM1#
BLACK,TRIM2#,4#
SAND BEIGE,TRIM40
main58904-0K010-E2supersedes 58904-0K010-E2iKUN51..RHD..SASUV;TGN51..IDSUV..IDN;GGN50,KUN5#,TGN51..RHD..(4FC,5FC)..(MA,SA)201208-201311
ASH BROWN,TRIM40
58905DOOR SUB-ASSY, CONSOLE COMPARTMENT
DK.GRAY,TRIM1#
BLACK,TRIM2#,40
SAND BEIGE,TRIM40
main58905-0K010-E2supersedes 58905-0K010-E2iLAN50..RHD;KUN51..THSUV;KUN51..LHD..SASUV..4FC;KUN51..(4FC,5F)..(PHL,TH);KUN51..RHD..SUVW..4FC..GEN;TGN51,61..SUVW..(GCC,IDN,PHL,VN);KUN60,TGN51..SUVW..5F..SR..(IDN201107-201404
ASH BROWN,TRIM40
58907HINGE SUB-ASSY, CONSOLE COMPARTMENT DOOR
(J)
58959BCUSHION, CONSOLE COMPARTMENT DOOR
(J)
main90541-T0008×2iTGN51..5F..CO;KUN51..RHD..SASUV;KUN51..LHD..5F..SA;KUN51..LHD..(IDSUV,SASUV)..5F;GGN50,KUN60,LAN50,TGN61..LHD..5F..(CO,LA,SA,VN);GGN50,KUN60,TGN51,61..LHD..IDSUV..5201109-201504
(L)
58964STOPPER, CONSOLE COMPARTMENT DOOR, NO.1
(L)
58965ASTOPPER, CONSOLE COMPARTMENT DOOR, NO.2
(L)
58995EBRACKET, CONSOLE BOX MOUNTING, NO.1
58996ABRACKET, CONSOLE BOX MOUNTING, NO.2
9011906812
main90119-06812
90119T0234
main90119-T0234
90163T0001
main90163-T0001
90167T0007
main90167-T0007
90167T0012
main90167-T0012
25 parts on this diagram · 2 diagrams in section