E
EPC Data

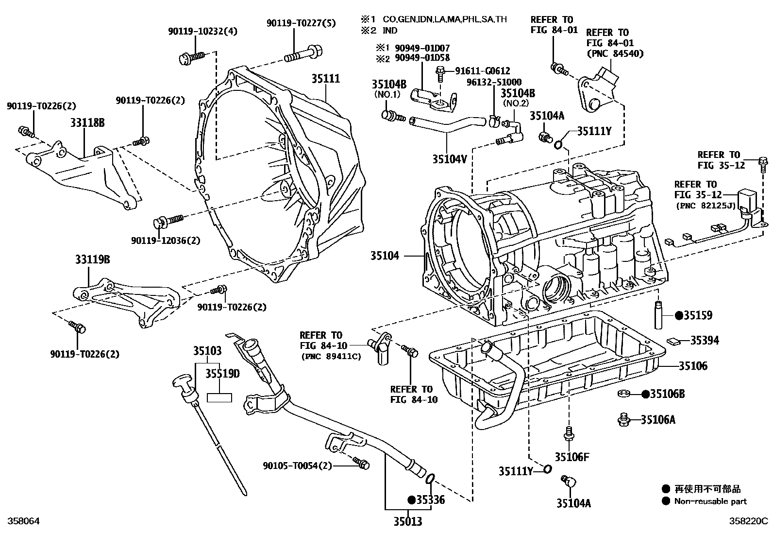
TRANSMISSION CASE & OIL PAN (ATM)

Parts diagram
33118BPLATE, STIFFENER, RH(ATM)
main33118-04020i201107-201608
33119BPLATE, STIFFENER, LH(ATM)
main33119-0K020i201107-201608
35013TUBE SUB-ASSY, TRANSMISSION OIL FILLER
main35013-0K020i201107-201609
main35013-0K030i201107-201601
main35013-0K070i201403-201703
35103GAGE SUB-ASSY, TRANSMISSION OIL LEVEL
main35103-0K020i201107-201612
main35103-0K030i201107-201601
35104CASE SUB-ASSY, AUTOMATIC TRANSMISSION
main35104-26061i201107
main35104-35022i201107
main35104-60221i201107
35104APLUG, AUTOMATIC TRANSMISSION CASE
main90341-08001×2i201107
35104BPLUG, BREATHER, NO.1 (ATM)
main90930-03098i201107
NO.2:REFER ILLUST.
main90930-03168i201107
NO.1:REFER ILLUST.
35104VHOSE (FOR BREATHER PLUG)
main90445-11118i201107
main90445-11155i201204-201608
main90445-11159i201201-201301
35106PAN SUB-ASSY, AUTOMATIC TRANSMISSION OIL
main35106-60180i201107
main35106-71010i201107
main35106-71020i201107
35106APLUG SUB-ASSY, DRAIN (ATM)
main90341-10011i201107
35106BGASKET, DRAIN PLUG (ATM)
main35178-30010×2i201107
35106FBOLT (FOR AUTOMATIC TRANSMISSION OIL PAN)
main90119-06173×20i201107
main90119-06513×19i201107
35111HOUSING, AUTOMATIC TRANSMISSION
main35111-35090i201107
main35111-60160i201204-201608
main35111-71010i201107
main35111-71020i201107
35111YRING, O (FOR AUTOMATIC TRANSMISSION CASE)
main90301-06196×2i201107
3512VALVE BODY & OIL STRAINER (ATM)
35159GASKET, BRAKE DRUM
main35159-30010i201107
main35159-60010×3i201107
35336RING, O (FOR TRANSMISSION OIL FILLER TUBE)
main90301-09173i201107-201609
35394MAGNET, OIL CLEANER (FOR TRANSMISSION)
main35394-30011×3i201107
35519DLABEL, AUTOMATIC TRANSMISSION INFORMATION
main35519-20030i201107-201609
8401SWITCH & RELAY & COMPUTER
8410OVERDRIVE & ELECTRONIC CONTROLLED TRANSMISSION
90105T0054
9011910232
9011912036
90119T0226
90119T0227
9094901D07
9094901D58
91611G0612
9613251000

30 parts on this diagram · 4 diagrams in section

TRANSMISSION CASE & OIL PAN (ATM) — Toyota Parts Diagram with OEM Numbers & Prices | EPC Data