E
EPC Data

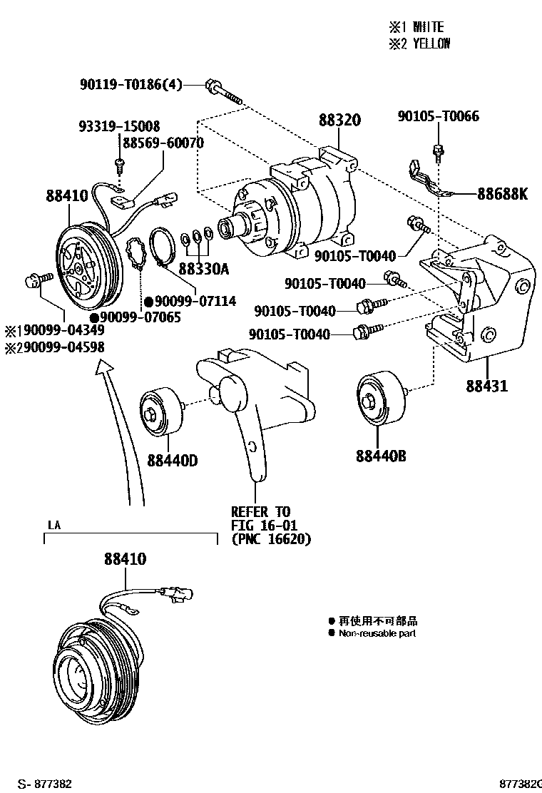
HEATING & AIR CONDITIONING - COMPRESSOR

Parts diagram
1601WATER PUMP
88320COMPRESSOR ASSY, COOLER
main88320-0K090i200501-200809
main88320-0K110i200504-200809
main88320-0K110i200808-201107
AIR CONDITIONER-AUTO COOLER DUAL
main88320-0K350i200509-200810
main88320-0K360i200509-200810
main88320-0K390i200810
main88320-0K400i200810
88330AWASHER (FOR MAGNET CLUTCH)
main88335-14020i200509-201204
main88335-30420i200501-201202
88410CLUTCH ASSY, MAGNET
main88410-0K090i200504-200809
main88410-0K100i200501-200809
main88410-0K200i200908
main88410-0K310i200509-200810
main88410-0K320i200509-200810
main88410-0K340i200708-201107
88431BRACKET, COMPRESSOR MOUNTING, NO.1
main88431-0K010i200504-200809
main88431-0K020i200501-200809
main88431-0K030i200509-200810
main88431-0K040i200509-200810
main88431-0K060i200810-201108
AIR CONDITIONER-AIR CONDITIONER DUAL
main88431-0K060i200602-200810
main88431-0K070i200810-201108
main88431-0K070i200605-200810
WITHOUT(COOLER)
main88431-0K080i200605-200810
WITHOUT(COOLER)
88440BPULLEY ASSY, IDLE
main88440-0K060i200501-201202
main88440-0K160i200509-201107
main88440-0K161i201108-201110
main88440-0K170i200509-200807
main88440-0K171i200808-201110
main88440-0K250i200810-201108
AIR CONDITIONER-AIR CONDITIONER DUAL
main88440-0K250i200602-200810
main88440-0K260i200605-200810
WITHOUT(COOLER)
main88440-0K260i200810-201108
AIR CONDITIONER-WITHOUT(COOLER)
main88440-0K270i200605-200810
WITHOUT(COOLER)
main88440-0K380i200504-201110
main88440-0K381i201111-201202
88440DPULLEY ASSY, IDLE NO.2
main88440-0K010i200501-200808
main88440-0K020i200808-201107
main88440-0K030i200810-201108
AIR CONDITIONER-AIR CONDITIONER DUAL
main88440-0K030i200602-200810
main88440-0K040i200509-200807
main88440-0K041i200808-200810
main88440-0K050i200908
main88440-0K080i200508-201109
main88440-0K280i200605-200810
88688KBRACKET, COOLER COMPRESSOR
main88688-0K090i200504-200810
main88688-0K100i200501-200808
main88688-0K110i200808-201107
main88688-0K120i200509-200810
main88688-0K130i200908
main88688-0K140i200810-201108
AIR CONDITIONER-AIR CONDITIONER DUAL
main88688-0K140i200602-200810
main88688-0K170i200508-201109
main88688-0K190i200808-201107
AIR CONDITIONER-AUTO AIR CONDITIONER DUAL
main88688-0K190i200808-201107
AIR CONDITIONER-AIR CONDITIONER DUAL
main88688-0K190i200708-200808
main88688-0K200i200602-201108
main88688-0K210i200602-200812
main88688-0K280i200810
main88688-0K610i200903
8856960070CLAMP (FOR COOLER RELAY)
9009904349
9009904598
9009907065
9009907114
90105T0040
90105T0066
90119T0186
9331915008

17 parts on this diagram · 25 diagrams in section

HEATING & AIR CONDITIONING - COMPRESSOR — Toyota Parts Diagram with OEM Numbers & Prices | EPC Data