E
EPC Data

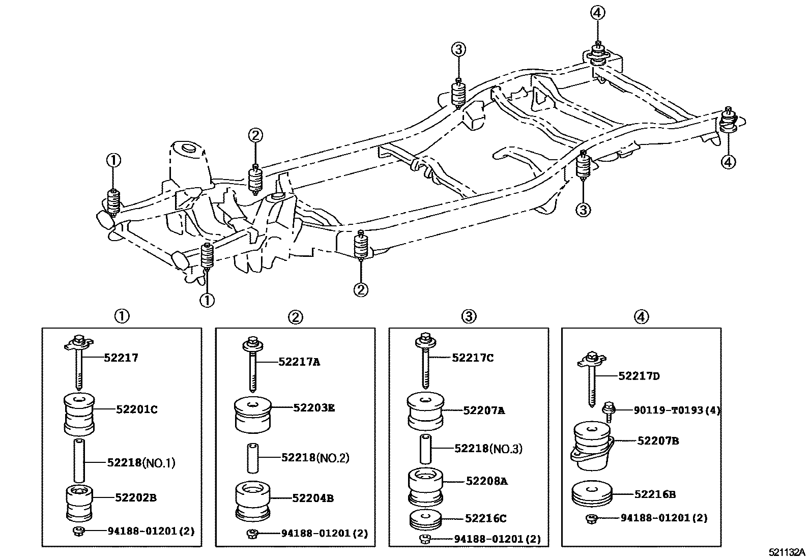
CAB MOUNTING & BODY MOUNTING

Parts diagram
52201CCUSHIION SUB-ASSY, CAB MOUNTING, NO.1 UPPER
main52201-0K010i200501-201107
main52201-0K020i200509-200903
52202BCUSHIION SUB-ASSY, CAB MOUNTING, NO.1 LOWER
main52202-0K010i200501-201107
main52202-0K020i200509-200903
52203ECUSHION SUB-ASSY, CAB MOUNTING, NO.2
main52203-0K030i200501-201107
main52203-0K040i200902
main52203-0K050i200509-200903
52204BCUSHION SUB-ASSY, CAB MOUNTING, NO.2 LOWER
main52204-0K030i200501-201107
main52204-0K040i200902
main52204-0K050i200509-200903
52207ACUSHION SUB-ASSY, CAB MOUNTING, NO.4 UPPER
main52205-0K060i200501-200912
main52205-0K070i200902
main52205-0K120i200509-200903
52207BCUSHION SUB-ASSY, CAB MOUNTING, REAR
main52207-0K010i200902-201202
main52207-0K030i200501-201201
main52207-0K040i200509-201204
52208ACUSHION SUB-ASSY, CAB MOUNTING, NO.4 LOWER
main52206-0K060i200501-200912
main52206-0K070i200902
main52206-0K120i200509-200903
52216BSTOPPER, FRONT SUSPENSION MEMBER BODY MOUNTING, REAR
main52216-0K020i200501-200903
52216CSTOPPER, CAB MOUNTING CUSHION
main52216-0K020i200501-200903
52217BOLT, BODY MOUNTING
main52217-0K010i200501-201107
52217ABOLT, BODY MOUNTING
main52217-0K020i200501-201107
52217CBOLT, BODY MOUNTING
main52217-0K020i200501-200903
52217DBOLT, BODY MOUNTING
main52217-0K050i200501-200903
RH
main52217-0K060i200501-200903
LH
52218HOLDER, BODY MOUNT BOLT SPACER, NO.1
main52218-0K010i200501-201107
NO.1
main52219-0K010i200501-201107
NO.3,NO.2
90119T0193
9418801201

16 parts on this diagram · 1 diagram in section

CAB MOUNTING & BODY MOUNTING — Toyota Parts Diagram with OEM Numbers & Prices | EPC Data