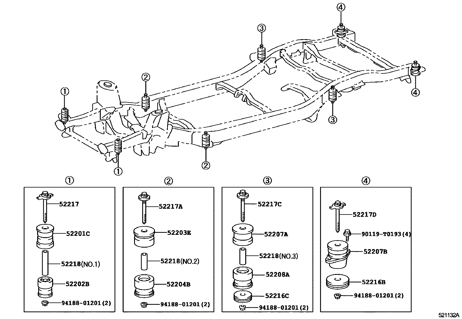
CAB MOUNTING & BODY MOUNTING

52201CCUSHIION SUB-ASSY, CAB MOUNTING, NO.1 UPPER
main52201-0K010×2iTGN51;TGN61..IDSUV..(GCC,IDN);GGN50,KUN50,61,LAN50..(5F,5FC)..(GCC,GEN,MA,SA);GGN60,KUN51,60,TGN61..(SUVW,THSUV)..(4FC,5F)..(GCC,GEN,IDN,PHL,SA,TH)200501-200810
52202BCUSHIION SUB-ASSY, CAB MOUNTING, NO.1 LOWER
main52202-0K010×2iTGN51;TGN61..IDSUV..(GCC,IDN);GGN50,KUN50,61,LAN50..(5F,5FC)..(GCC,GEN,MA,SA);GGN60,KUN51,60,TGN61..(SUVW,THSUV)..(4FC,5F)..(GCC,GEN,IDN,PHL,SA,TH)200501-200810
52203ECUSHION SUB-ASSY, CAB MOUNTING, NO.2
52204BCUSHION SUB-ASSY, CAB MOUNTING, NO.2 LOWER
main52204-0K030×2iGGN50,60,KUN50..RHD..(4FC,5FC);GGN50..(SUVW,THSUV)..(GCC,GEN);KUN51,6#,LAN50,TGN51,61..(SUVW,THSUV)..(GCC,GEN,IDN,IND,MA,PHL,SA,TH)200808
52207ACUSHION SUB-ASSY, CAB MOUNTING, NO.4 UPPER
52207BCUSHION SUB-ASSY, CAB MOUNTING, REAR
52208ACUSHION SUB-ASSY, CAB MOUNTING, NO.4 LOWER
main52206-0K060×2iGGN60..5FC..(GEN,SA);GGN50,KUN50..RHD..(4FC,5FC);GGN50..(SUVW,THSUV)..(GCC,GEN);KUN51,6#,LAN50,TGN51,61..(SUVW,THSUV)..(GCC,GEN,IDN,IND,MA,PHL,SA,TH)200808
52216BSTOPPER, FRONT SUSPENSION MEMBER BODY MOUNTING, REAR
main52216-0K020×2iTGN51..GCC,IDN,MA,SA,TH;TGN61..IDSUV..(GCC,IDN);GGN50,KUN50,61,LAN50..5F,5FC;GGN60,TGN61..(5F,5FC)..(ANCOM,LA);GGN60,KUN51,60,TGN61..(SUVW,THSUV)..(4FC,5F)..SR..(GC200501-200903
52216CSTOPPER, CAB MOUNTING CUSHION
main52216-0K020×2iTGN51..GCC,IDN,MA,SA,TH;TGN61..IDSUV..(GCC,IDN);GGN50,KUN50,61,LAN50..5F,5FC;GGN60,TGN61..(5F,5FC)..(ANCOM,LA);GGN60,KUN51,60,TGN61..(SUVW,THSUV)..(4FC,5F)..SR..(GC200501-200903
52217BOLT, BODY MOUNTING
main52217-0K010×2iTGN51..GCC,IDN,MA,SA,TH;TGN61..IDSUV..(GCC,IDN);GGN50,KUN50,61,LAN50..5F,5FC;GGN60,TGN61..(5F,5FC)..(ANCOM,LA);GGN60,KUN51,60,TGN61..(SUVW,THSUV)..(4FC,5F)..SR..(GC200501-200903
52217ABOLT, BODY MOUNTING
main52217-0K020×2iTGN51..GCC,IDN,MA,SA,TH;TGN61..IDSUV..(GCC,IDN);GGN50,KUN50,61,LAN50..5F,5FC;GGN60,TGN61..(5F,5FC)..(ANCOM,LA);GGN60,KUN51,60,TGN61..(SUVW,THSUV)..(4FC,5F)..SR..(GC200501-200903
52217CBOLT, BODY MOUNTING
main52217-0K020×2iTGN51..GCC,IDN,MA,SA,TH;TGN61..IDSUV..(GCC,IDN);GGN50,KUN50,61,LAN50..5F,5FC;GGN60,TGN61..(5F,5FC)..(ANCOM,LA);GGN60,KUN51,60,TGN61..(SUVW,THSUV)..(4FC,5F)..SR..(GC200501-200903
52217DBOLT, BODY MOUNTING
main52217-0K050iTGN51..GCC,IDN,MA,SA,TH;TGN61..IDSUV..(GCC,IDN);GGN50,KUN50,61,LAN50..5F,5FC;GGN60,TGN61..(5F,5FC)..(ANCOM,LA);GGN60,KUN51,60,TGN61..(SUVW,THSUV)..(4FC,5F)..SR..(GC200501-200903
RH
main52217-0K060iTGN51..GCC,IDN,MA,SA,TH;TGN61..IDSUV..(GCC,IDN);GGN50,KUN50,61,LAN50..5F,5FC;GGN60,TGN61..(5F,5FC)..(ANCOM,LA);GGN60,KUN51,60,TGN61..(SUVW,THSUV)..(4FC,5F)..SR..(GC200501-200903
LH
52218HOLDER, BODY MOUNT BOLT SPACER, NO.1
main52218-0K010×2iTGN51..GCC,IDN,MA,SA,TH;TGN61..IDSUV..(GCC,IDN);GGN50,KUN50,61,LAN50..5F,5FC;GGN60,TGN61..(5F,5FC)..(ANCOM,LA);GGN60,KUN51,60,TGN61..(SUVW,THSUV)..(4FC,5F)..SR..(GC200501-200903
NO.1
NO.3,NO.2
90119T0193
main90119-T0193
9418801201
main94188-01201
16 parts on this diagram · 1 diagram in section