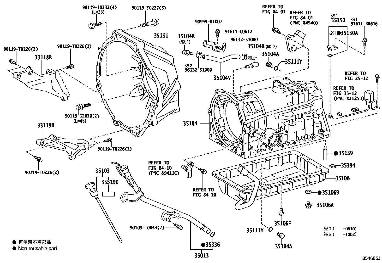
TRANSMISSION CASE & OIL PAN (ATM)

33118BPLATE, STIFFENER, RH(ATM)
33119BPLATE, STIFFENER, LH(ATM)
35013TUBE SUB-ASSY, TRANSMISSION OIL FILLER
35103GAGE SUB-ASSY, TRANSMISSION OIL LEVEL
35104CASE SUB-ASSY, AUTOMATIC TRANSMISSION
35104APLUG, AUTOMATIC TRANSMISSION CASE
35104BPLUG, BREATHER, NO.1 (ATM)
main90930-03098iTGN51..4FC;TGN61..IDSUV..4FC..(GCC,IDN);KUN51,60,TGN61..(SUVW,THSUV)..4FC200501-200810
NO.2
main90930-03168iTGN51..4FC;TGN61..IDSUV..4FC..(GCC,IDN);KUN51,60,TGN61..(SUVW,THSUV)..4FC200501-200810
NO.1
35104VHOSE (FOR BREATHER PLUG)
35106PAN SUB-ASSY, AUTOMATIC TRANSMISSION OIL
35106APLUG SUB-ASSY, DRAIN (ATM)
main90341-10011iKUN51..(SUVW,THSUV)..4FC;TGN61..IDSUV..4FC..(GCC,IDN);GGN50,TGN51..(4FC,5FC)..(ANCOM,GCC,GEN,IDN,MA,SA,TH);GGN60,KUN60,TGN61..SUVW..(4FC,5FC)..(ANCOM,GCC,IDN,PHL,TH200501-200903
35106BGASKET, DRAIN PLUG (ATM)
35106FBOLT (FOR AUTOMATIC TRANSMISSION OIL PAN)
35111HOUSING, AUTOMATIC TRANSMISSION
35111YRING, O (FOR AUTOMATIC TRANSMISSION CASE)
main90301-06196×2iTGN51..4FC;TGN61..IDSUV..4FC..(GCC,IDN);KUN51,60,TGN61..(SUVW,THSUV)..4FC200501-200810
3512
35150PLUG ASSY, TRANSMISSION CASE
35150ARING, O (FOR AUTOMATIC TRANSMISSION CASE PLUG)
35159GASKET, BRAKE DRUM
main35159-30010iTGN51..4FC;TGN61..IDSUV..4FC..(GCC,IDN);KUN51,60,TGN61..(SUVW,THSUV)..4FC200501-200810
35336RING, O (FOR TRANSMISSION OIL FILLER TUBE)
main90301-09173iTGN51..4FC..(GCC,IDN,MA);TGN61..IDSUV..4FC..(GCC,IDN);KUN51,60,TGN61..(SUVW,THSUV)..4FC200501-200810
35394MAGNET, OIL CLEANER (FOR TRANSMISSION)
main35394-30011×3iTGN51..4FC;TGN61..IDSUV..4FC..(GCC,IDN);KUN51,60,TGN61..(SUVW,THSUV)..4FC200501-200810
35519DLABEL, AUTOMATIC TRANSMISSION INFORMATION
8401
8410
90105T0054
main90105-T0054
9011910232
main90119-10232
9011912036
main90119-12036
90119T0226
main90119-T0226
90119T0227
main90119-T0227
9094901D07
main90949-01D07
91611B0616
main91611-B0616
91611G0612
main91611-G0612
9613251000
main96132-51000
32 parts on this diagram · 3 diagrams in section