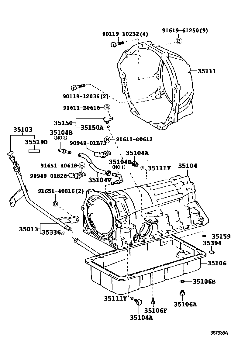
TRANSMISSION CASE & OIL PAN (ATM)

35013TUBE SUB-ASSY, TRANSMISSION OIL FILLER
35103GAGE SUB-ASSY, TRANSMISSION OIL LEVEL
35104CASE SUB-ASSY, AUTOMATIC TRANSMISSION
NO MARK
MARK A
35104APLUG, AUTOMATIC TRANSMISSION CASE
(L)
35104BPLUG, BREATHER, NO.1 (ATM)
NO.1
NO.2
NO.2
35104VHOSE (FOR BREATHER PLUG)
35106PAN SUB-ASSY, AUTOMATIC TRANSMISSION OIL
(L)
(J)
35106APLUG SUB-ASSY, DRAIN (ATM)
35106BGASKET, DRAIN PLUG (ATM)
35106FBOLT (FOR AUTOMATIC TRANSMISSION OIL PAN)
35111HOUSING, AUTOMATIC TRANSMISSION
(L)
35111YRING, O (FOR AUTOMATIC TRANSMISSION CASE)
35150PLUG ASSY, TRANSMISSION CASE
35150ARING, O (FOR AUTOMATIC TRANSMISSION CASE PLUG)
35159GASKET, BRAKE DRUM
(L)
(J)
35336RING, O (FOR TRANSMISSION OIL FILLER TUBE)
35394MAGNET, OIL CLEANER (FOR TRANSMISSION)
35519DLABEL, AUTOMATIC TRANSMISSION INFORMATION
9011910232
main90119-10232
9011912036
main90119-12036
9094901826
main90949-01826
9094901B73
main90949-01B73
91611B0616
main91611-B0616
91611G0612
main91611-G0612
9161961250
main91619-61250
9165140610
main91651-40610
9165140816
main91651-40816
27 parts on this diagram · 4 diagrams in section