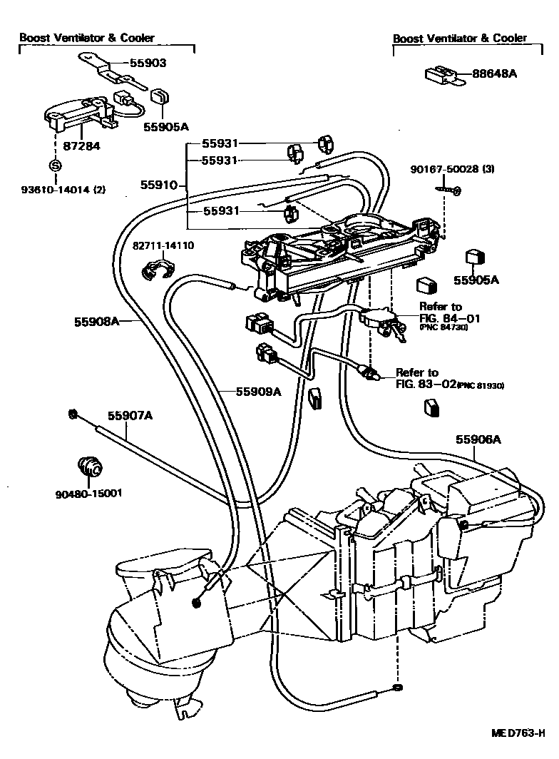
HEATING & AIR CONDITIONING - CONTROL & AIR DUCT

55903LEVER SUB-ASSY, HEATER CONTROL
W/*BV & COOLER
55905AKNOB, HEATER CONTROL
BLACK
CHROME PLATED
BLACK
55906ACABLE SUB-ASSY, DEFROSTER DAMPER CONTROL
55907ACABLE SUB-ASSY, WATER VALVE CONTROL
main55907-89115iRN58..SR5;LN50,51,55,56,60,61,65,RN67,YN50,51,55,56,57,58,60,63,65,67..RHD198308-199807
55908ACABLE SUB-ASSY, AIR INLET DAMPER CONTROL
55909ACABLE SUB-ASSY, AIRMIX DAMPER CONTROL
55910CONTROL ASSY, HEATER OR BOOST VENTILATOR
W/HEATER
W/HEATER
BOOST VENTILATOR ONLY
BOOST VENTILATOR ONLY
W/*BV & COOLER
W/*BV & COOLER
BOOST VENTILATOR ONLY
W/*BV & COOLER
W/HEATER
55931CLAMP, HEATER CONTROL WIRE
main55933-10010×4iYN58..4F;YN58..SR5,STD;LN50,51,55,56,60,61,65,RN50,55,61,YN50,51,52,55,56,57,6#..4F,4FC,4H,5F198308-199807
8302INDICATOR
8401SWITCH & RELAY & COMPUTER
87284RESISTOR SUB-ASSY, VARIABLE
W/COOLER & *BV ONLY
W/COOLER & *BV ONLY
88648AWIRING, COOLER
W/BOOST VENTILATOR & COOLER
8271114110WIRE, FUSE TO FUSE(FOR COMBUSTION HEATER)
main82711-14110
9016750028
main90167-50028
9048015001
main90480-15001
9361014014
main93610-14014
16 parts on this diagram · 4 diagrams in section