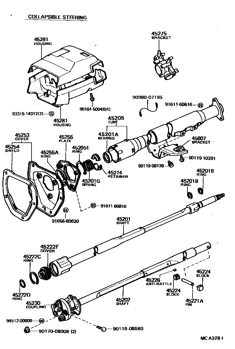
STEERING COLUMN & SHAFT

45201SHAFT SUB-ASSY, STEERING MAIN
W/POWER STRG
main45210-22050iLN5#,65,YN50,55,57,60,62,65,67..LHD..GEN; LN55,56,YN57..SR5; LN6#,YN60,63,65,67..ARL,ME,SA; RN5#,YN50,52,55,57..ME198308-199201
W/TILT & COLLAPSIBLE STRG; W/TILT STRG; W/TILT STRG,W/POWER&TILT STRG
COLLAPSIBLE STRG
COLLAPSIBLE STRG,W/O TILT STRG
COLLAPSIBLE STRG,W/O TILT STRG
RIGID STRG,W/O TILT STRG
RIGID STRG,W/O TILT STRG
45201ABEARING(FOR STEERING MAIN SHAFT)
LWR,COLLAPSIBLE STRG
LWR,COLLAPSIBLE STRG
main90363-18001iLN5#,65,RN5#,YN50,52,55,57,6#..LHD..(GEN,ME); LN55,56,YN57..SR5; LN6#,YN60,63,65,67..ARL,SA198308-199201
UPR,W/TILT STRG
main90363-28001iLN5#,65,RN5#,YN50,52,55,57,6#..LHD..(GEN,ME); LN55,56,YN57..SR5; LN60,65,YN60,65..ARL,SA198308-199201
CTR,W/TILT STRG
LWR,RIGID STRG
LWR
45201BRING, SHAFT SNAP(FOR STEERING MAIN SHAFT)
T=1.20,LWR
T=1.20,UPR
45201GSPRING, COMPRESSION(FOR STEERING MAIN SHAFT)
main90501-45011iLN5#,65,RN5#,YN50,52,55,57,6#..LHD..(GEN,ME); LN55,56,YN57..SR5; LN6#,YN60,63,65,67..ARL,SA198308-199201
W/TILT STRG
45202SHAFT SUB-ASSY, STEERING INTERMEDIATE
W/POWER & TILT STRG
W/TILT STRG
RIGID STRG,W/O POWER STRG
W/POWER STRG
COLLAPSIBLE STRG,W/OPOWER STRG
W/POWER & COLLAPSIBLE STRG
W/COLLAPSIBLE STRG
45205TUBE SUB-ASSY, STEERING COLUMN
W/TILT STRG
RIGID STRG
RIGID STRG
W/TILT & RIGID STRG
W(TILT STEERING)
COLLAPSIBLE STRG
W/TILT & COLLAPSIBLE STRG
W/TILT & COLLAPSIBLE STRG
COLLAPSIBLE STRG
COLLAPSIBLE STRG
45205ERING, SNAP(FOR STEERING COLUMN TUBE)
45214RETAINER, MAIN SHAFT SPRING
45221APIN(FOR STEERING INTERMEDIATE SHAFT)
45222CRING, HOLE SNAP(FOR DUST COVER)
45222DRING, O(FOR DUST COVER)
45222FCOVER, DUST
45224BLOCK, BEARING(FOR STEERING FLEXIBLE COUPLING)
15.97-16.00,L=15.97-16.00
16.00-16.03,L=16.00-16.03
45226ANTI-RATTLE(FOR STEERING FLEXIBLE COUPLING)
45230COUPLING ASSY, FLEXIBLE
45253COVER, STEERING COLUMN HOLE
RIGID STRG
RIGID STRG
COLLAPSIBLE STRG
COLLAPSIBLE STRG
RIGID STRG
COLLAPSIBLE STRG
45254SHIELD, STEERING COLUMN HOLE
45255PLATE, STEERING COLUMN HOLE COVER
45255AGROMMET OR RING, O(FOR STEERING COLUMN CLAMP)
45275BRACKET, STEERING COLUMN, UPPER
W/TILT STRG
W/TILT STRG
W/TILT STRG
W/TILT STRG
W/COLLAPSIBLE STRG
W/COLLAPSIBLE STRG
W/TILT & COLLAPSIBLE STRG
W/TILT & COLLAPSIBLE STRG
45281HOUSING, STEERING COLUMN
UPR
main45286-35190-03iLN5#,65,YN50,51,56,57,58,67..RHD..(4F,4FC,5F)..(EUR,GEN,SA); LN61,YN63..ARL198608-199201
UPR,GRAY,GRAY,TRIM1#
UPR,BLUE(TRIM8),BLUE
UPR,BEIGE,BEIGE,TRIM4#
UPR
UPR,GRAY,GRAY,TRIM1#
UPR,BLUE,BLUE,TRIM8#
UPR,BEIGE,BEIGE,TRIM4#
UPR,GRAY,GRAY
UPR,BLUE,BLUE
UPR,BEIGE,BEIGE
UPR
UPR,GRAY,GRAY,TRIM1#
UPR,BLUE,BLUE,TRIM8#
UPR,BEIGE,BEIGE,TRIM4#
UPR,W/TILT STRG
UPR,W/TILT STRG,GRAY,GRAY,TRIM1#
UPR,W/TILT STRG,BLUE,BLUE,TRIM8#
UPR,BEIGE,BEIGE,TRIM4#
UPR,W/TILT STRG
UPR,GRAY(TRIM1),W(TILT STEERING),GRAY
UPR,W/TILT STRG,BLUE; UPR,W/TILT STRG,BLUE,BLUE,TRIM8#
UPR,W/TILT STRG,BEIGE,BEIGE,TRIM4#
LWR,W/TILT STRG
LWR,W/TILT STRG,GRAY,GRAY,TRIM1#
LWR,W/TILT STRG BLUE,BLUE,TRIM8#; LWR,W/TILT STRG,BLUE,BLUE,TRIM8#
LWR,W/TILT STRG,BEIGE,BEIGE,TRIM4#
LWR
LWR,GRAY,GRAY,TRIM1#
LWR,BLUE,BLUE,TRIM8#
LWR,BEIGE(TRIM4),BEIGE
LWR
LWR,GRAY,GRAY,TRIM1#
LWR,BLUE,BLUE,TRIM8#
LWR,BEIGE,BEIGE,TRIM4#
LWR
LWR,GRAY,GRAY,TRIM1#
LWR,BLUE,BLUE,TRIM8#
LWR,BEIGE,BEIGE,TRIM4#
LWR,W/TILT STRG
LWR,W/TILT STRG,GRAY,GRAY,TRIM1#
LWR,W/TILT STRG,BLUE,BLUE,TRIM8#
LWR,W/TILT STRG,BEIGE,BEIGE,TRIM4#
45807BRACKET SUB-ASSY, STEERING COLUMN UPPER SUPPORT
W/TILT STRG
W/TILT STRG
W/TILT STEERING
9011908139
main90119-08139
9011908560
main90119-08560
9011910291
main90119-10291
9016450048
main90164-50048
9017008008
main90170-08008
9098007195
main90980-07195
9161160616
main91611-60616
9161160816
main91611-60816
9165660620
main91656-60620
9331514012
main93315-14012
9451200800
main94512-00800
33 parts on this diagram · 13 diagrams in section