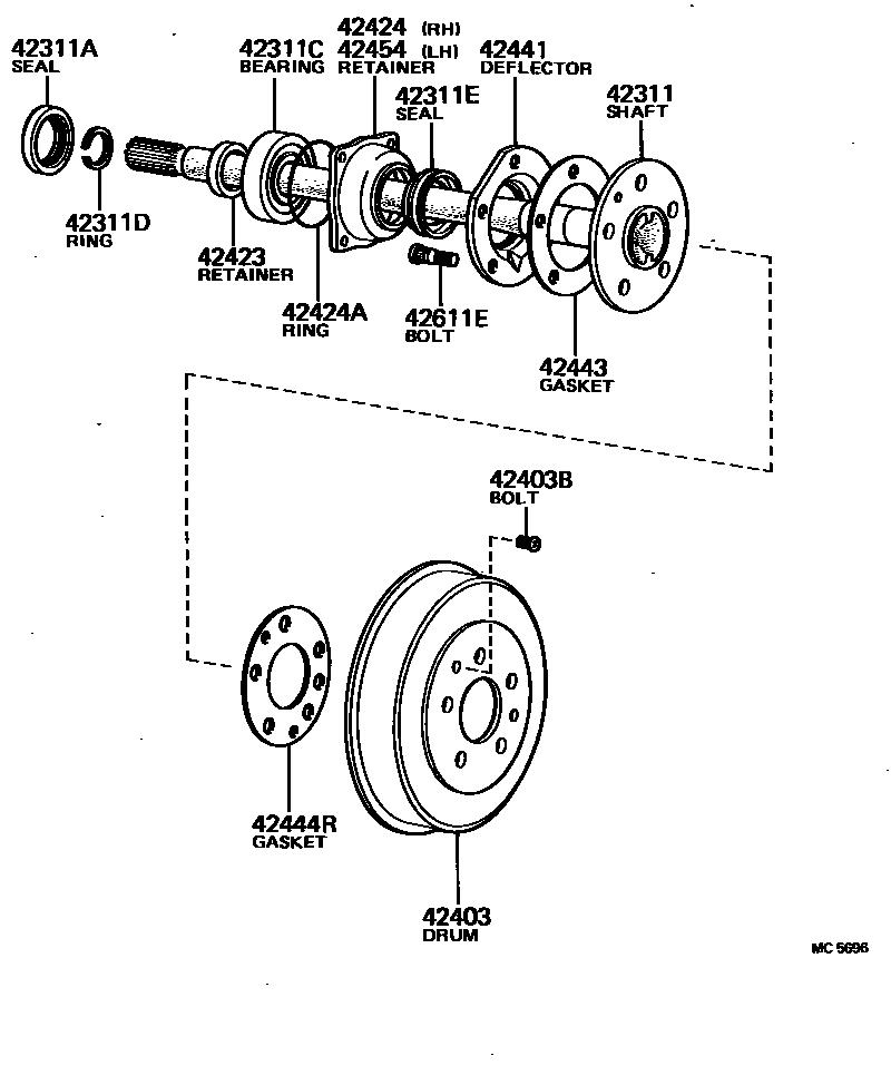
REAR AXLE SHAFT & HUB

42311SHAFT, REAR AXLE
42311ASEAL, OIL(FOR REAR AXLE SHAFT)
42311CBEARING(FOR REAR AXLE SHAFT)
42311DRING, SNAP(FOR REAR AXLE SHAFT)
42311ESEAL, OIL(FOR REAR AXLE SHAFT OUTER)
42403DRUM SUB-ASSY, REAR BRAKE
42403BBOLT, SET (FOR REAR BRAKE DRUM SETTING)
main90113-10035×2iRN46..ARL..IV3;LN46..T1..ARL..CBU;LN30,40,RN3#,40,41;RN46..EUR,GEN,ME,SA197808-198403
42423RETAINER, REAR AXLE BEARING, INNER
42424RETAINER, REAR AXLE BEARING, OUTER, RH
42424ARING, O (FOR BEARING RETAINER SET)
42441DEFLECTOR, BRAKE DRUM OIL
42443GASKET, BRAKE DRUM OIL DEFLECTOR
42444RGASKET, BRAKE DRUM (FOR REAR AXLE)
42454RETAINER, REAR AXLE BEARING, OUTER, LH
42611EBOLT, HUB (FOR REAR AXLE)
15 parts on this diagram · 1 diagram in section