E
EPC Data

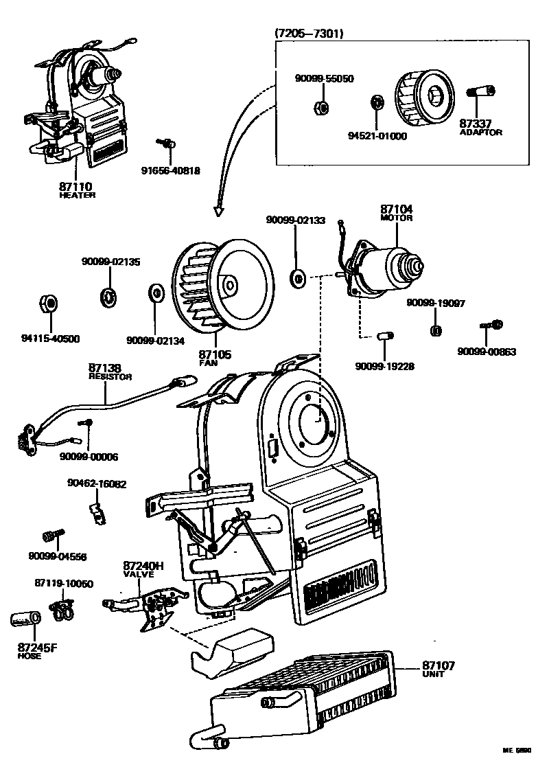
HEATING & AIR CONDITIONING - HEATER UNIT & BLOWER

Parts diagram
87104MOTOR SUB-ASSY, HEATER BLOWER
main87104-10050i197205-197301
main87104-10051i197301-197702
main87104-89106i197205-197301
HEAVY DUTY HEATER
main87104-89107i197301-197708
HEAVY DUTY HEATER
main87104-89108i197708-197807
main87104-89109i197708-197807
HEAVY DUTY HEATER
87105FAN SUB-ASSY, HEATER BLOWER
main87105-10050i197205-197301
main87105-10051i197301-197702
87107UNIT SUB-ASSY, HEATER RADIATOR
main87107-10060i197205-197408
main87107-89105i197702-197807
87110HEATER ASSY
main87110-89108i197205-197408
main87110-89109i197205-197408
HEAVY DUTY HEATER
main87110-89112i197408-197608
main87110-89114i197408-197608
main87110-89115i197408-197608
HEAVY DUTY HEATER
main87110-89117i197608-197708
main87110-89118i197608-197708
main87110-89120i197608-197708
HEAVY DUTY HEATER
main87110-89122i197708-197807
main87110-89123i197708-197807
main87110-89125i197708-197807
HEAVY DUTY HEATER
87138RESISTOR, HEATER BLOWER
main87138-10051i197205-197408
main87138-89101i197408-197702
main87138-89102i197708-197807
87240HVALVE ASSY, WATER UNIT
main87240-10061i197205-197408
main87240-89103i197408-197608
main87240-89105i197702-197807
87245FHOSE, HEATER WATER, INLET F
main99551-20040i197205-197301
L=40
main99552-20040i197301-197408
*H,L=40
87337ADAPTER, HEATER BLOWER MOTOR
main87337-10010i197205-197301
8711910050
9009900006
9009900863
9009902133
9009902134
9009902135
9009904556
9009919097
9009919228
9009955050
9046216082
9165640818
9411540500
9452101000

22 parts on this diagram · 2 diagrams in section

HEATING & AIR CONDITIONING - HEATER UNIT & BLOWER — Toyota Parts Diagram with OEM Numbers & Prices | EPC Data