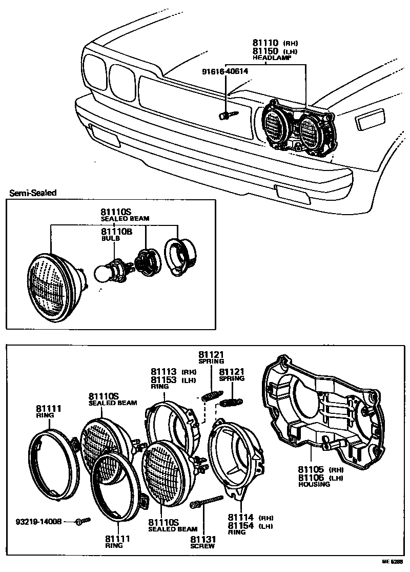
HEADLAMP

81105HOUSING SUB-ASSY, HEADLAMP, RH
81106HOUSING SUB-ASSY, HEADLAMP, LH
81110HEADLAMP ASSY, RH
SEMI-SEALED,WHITE
SEMI-SEALED,YELLOW
SEMI-SEALED,WHITE
SEMI-SEALED,YELLOW
81110BBULB(FOR HEADLAMP, NO.1)
12V 45/40W,WHITE,12V 45/40W WHITE
12V 45/40W,YELLOW,12V-45/40W YELLOW
81110SSEALED BEAM UNIT, NO.1
12V 37.5W,*WB,12V 37.5W
12V 37.5/50W,*WB,12V 37.5/50W
12V 37.5/50W,*WB,12V 37.5/50W
SEMI-SEALED,WHITE, INSIDE
SEMI-SEALED,YELLOW, INSIDE
SEMI-SEALED,WHITE, OUTSIDE
SEMI-SEALED,YELLOW, OUTSIDE
12V 45/40W,*WSB,SEMI-SEALED,WHITE, INSIDE
12V 45/40W,*WSB,SEMI-SEALED,WHITE, OUTSIDE
12V 45/40W,*YSB,SEMI-SEALED,YELLOW, INSIDE
12V 45/40W,*YSB,SEMI-SEALED,YELLOW, OUTSIDE
81111RING, SEALED BEAM RETAINING
81113RING, SEALED BEAM MOUNTING, NO.1 RH
81114RING, SEALED BEAM MOUNTING, NO.2 RH
81121SPRING, HEADLAMP TENSION
81131SCREW, HEADLAMP ADJUSTING
81150HEADLAMP ASSY, LH
SEMI-SEALED,WHITE
SEMI-SEALED,YELLOW
SEMI-SEALED,WHITE
SEMI-SEALED,YELLOW
81153RING, SEALED BEAM MOUNTING, NO.1 LH
81154RING, SEALED BEAM MOUNTING, NO.2 LH
9161640614
main91616-40614
9321914008
main93219-14008
15 parts on this diagram · 1 diagram in section