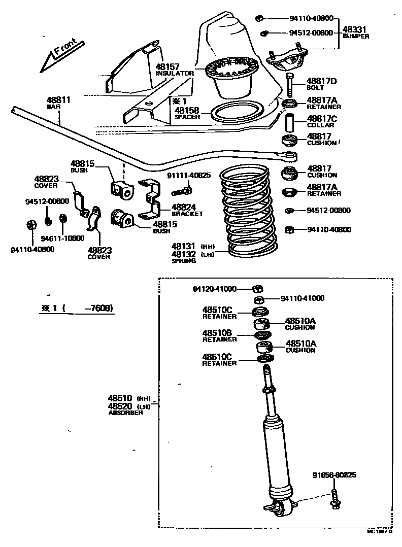
FRONT SPRING & SHOCK ABSORBER

48131SPRING, FRONT COIL, RH
WD=14.8 LIGHT DUTY
WD=14.8 SOUTH AFRICA SPEC
WD=15,FOR COOLER
WD=15,FOR COOLER
WD=14.8,HEAVY DUTY
WD=14.8
WD=14.8 SOUTH AFRICA SPEC
48132SPRING, FRONT COIL, LH
WD=14.8 LIGHT DUTY
WD=14.8 SOUTH AFRICA SPEC
WD=15,FOR COOLER
WD=15,FOR COOLER
WD=14.8,HEAVY DUTY
WD=14.8
WD=14.8 SOUTH AFRICA SPEC
48157INSULATOR, FRONT COIL SPRING, UPPER
48158SPACER, FRONT COIL SPRING
48331BUMPER, FRONT SPRING, NO.1
48510ABSORBER ASSY, SHOCK, FRONT RH
48510ACUSHION, FRONT SHOCK ABSORBER
48510BRETAINER, CUSHION, NO.1(FOR FRONT SHOCK ABSORBER)
T=1.0
48510CRETAINER, CUSHION, NO.2(FOR FRONT SHOCK ABSORBER)
T=1.6
48520ABSORBER ASSY, SHOCK, FRONT LH
48811BAR, STABILIZER, FRONT
48815BUSH, FRONT STABILIZER BAR, NO.1
ID=17
ID=19
48817CUSHION, FRONT STABILIZER
48817ARETAINER, CUSHION, NO.1(FOR FRONT STABILIZER BAR)
ID=8.3
48817CCOLLAR(FOR STABILIZER BAR)
48817DBOLT(FOR FRONT STABILIZER)
48823COVER, STABILIZER LINK(FOR FRONT)
48824BRACKET, STABILIZER, FRONT
9111140825
main91111-40825
9165660825
main91656-60825
9411040800
main94110-40800
9411041000
main94110-41000
9412041000
main94120-41000
9451200800
main94512-00800
9461110800
main94611-10800
25 parts on this diagram · 1 diagram in section