E
EPC Data

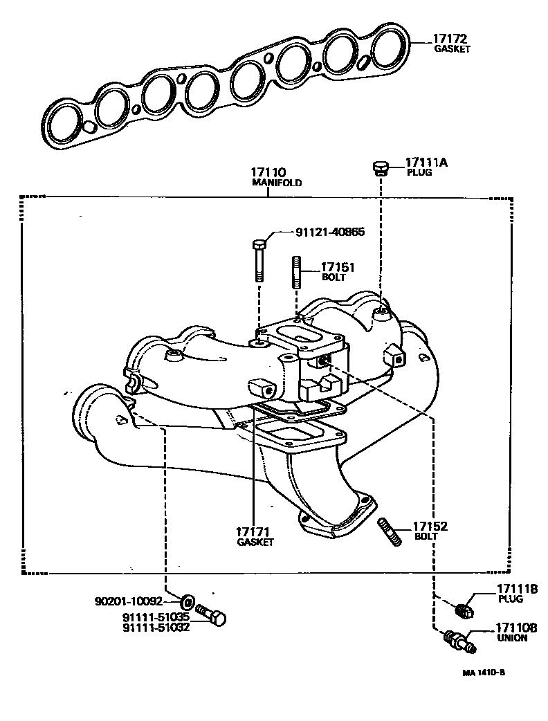
MANIFOLD

Parts diagram
17110MANIFOLD ASSY
main17110-31042i197511-197701
main17110-31043i197701-197807
main17110-31050i197205-197502
main17110-31051i197502-197511
main17110-31080i197702-197807
AUSTRALIA N.S.W. SPEC.
main17110-34050i197404-197701
main17110-34051i197701-197807
main17110-34090i197711-197807
18RC
17110BUNION(FOR VENTILATION HOSE TO MANIFOLD)
main90404-10146i197404-197710
W/PCV
main90404-52129i197205-197511
W/PCV
main90407-09002i197511-197807
W/PCV
main90407-10040i197710-197807
W/PCV
17111APLUG, NO.1
main90072-34107×3i197404-197807
main90345-51005×2i197502-197807
main90345-51025i197205-197502
17111BPLUG, NO.2
main90345-52002i197205-197511
17151BOLT, STUD(FOR MANIFOLD TO CARBURETOR)
main90116-08010×2i197205-197404
L=39,S=13&13
main90116-08052×4i197703-197807
L=53,S=16&16
main90116-08320×2i197511-197807
L=43,S=13&13
main92132-40828×4i197404-197701
main92132-40835×4i197701-197703
17152BOLT, STUD(FOR MANIFOLD TO EXHAUST PIPE)
main90116-10007×3i197701-197704
L=39,S=14&19
main90116-10017×3i197704-197807
L=38,S=14&21
main90116-10042×2i197205-197807
L=37,S=20&13
main92122-41022×3i197404-197701
17171GASKET, INTAKE TO EXHAUST MANIFOLD
main17171-31020i197511-197807
main17171-34020i197701-197807
main17171-40010i197404-197701
main17171-44010i197205-197511
17172GASKET, MANIFOLD TO CYLINDER HEAD
main17172-31020i197711-197807
main17172-31021i197511-197807
main17172-33010i197404-197708
main17172-34020i197708-197807
9020110092
9111151032
9111151035
9112140865

12 parts on this diagram · 5 diagrams in section

MANIFOLD — Toyota Parts Diagram with OEM Numbers & Prices | EPC Data