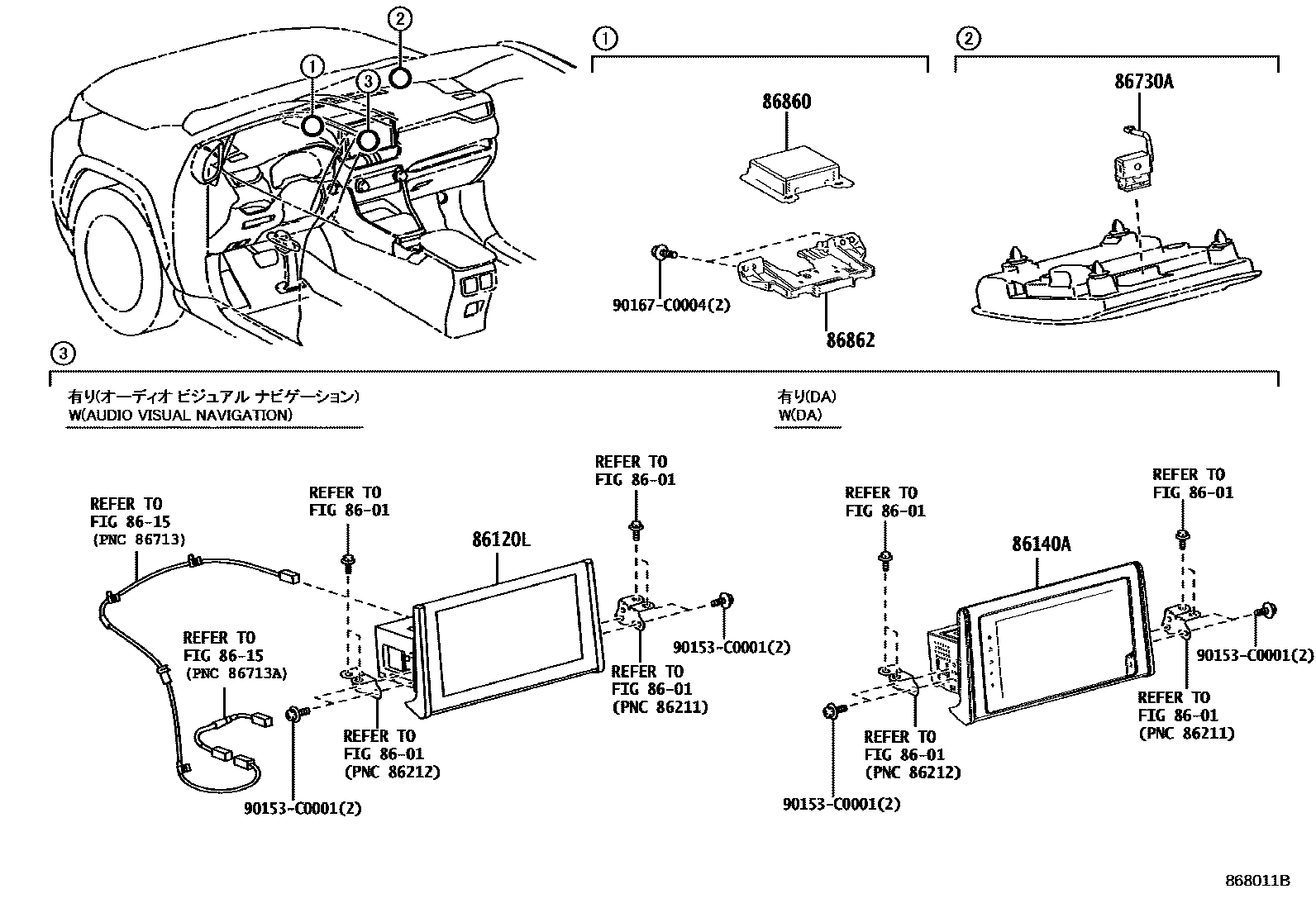
NAVIGATION & FRONT MONITOR DISPLAY

8601RADIO RECEIVER & AMPLIFIER & CONDENSER
86120LRECEIVER ASSY, NAVIGATION
DESAY
DESAY
DESAY
PANASONIC,AUDIO-AVN & 6SPEAKER ACCESSARY SILVER
PANASONIC,BLACK EDITION
86140ARECEIVER ASSY, RADIO & DISPLAY
HANGSHENG
HANGSHENG
HANGSHENG
DESAY; DESAY,BLACK EDITION; DESAY,CORE & PACKAGE
8615TELEPHONE & MAYDAY
86730AMICROPHONE ASSY, TELEPHONE
86860ANTENNA ASSY, NAVIGATION
86862BRACKET, NAVIGATION ANTENNA
90153C0001
main90153-C0001
90167C0004
main90167-C0004
9 parts on this diagram · 2 diagrams in section