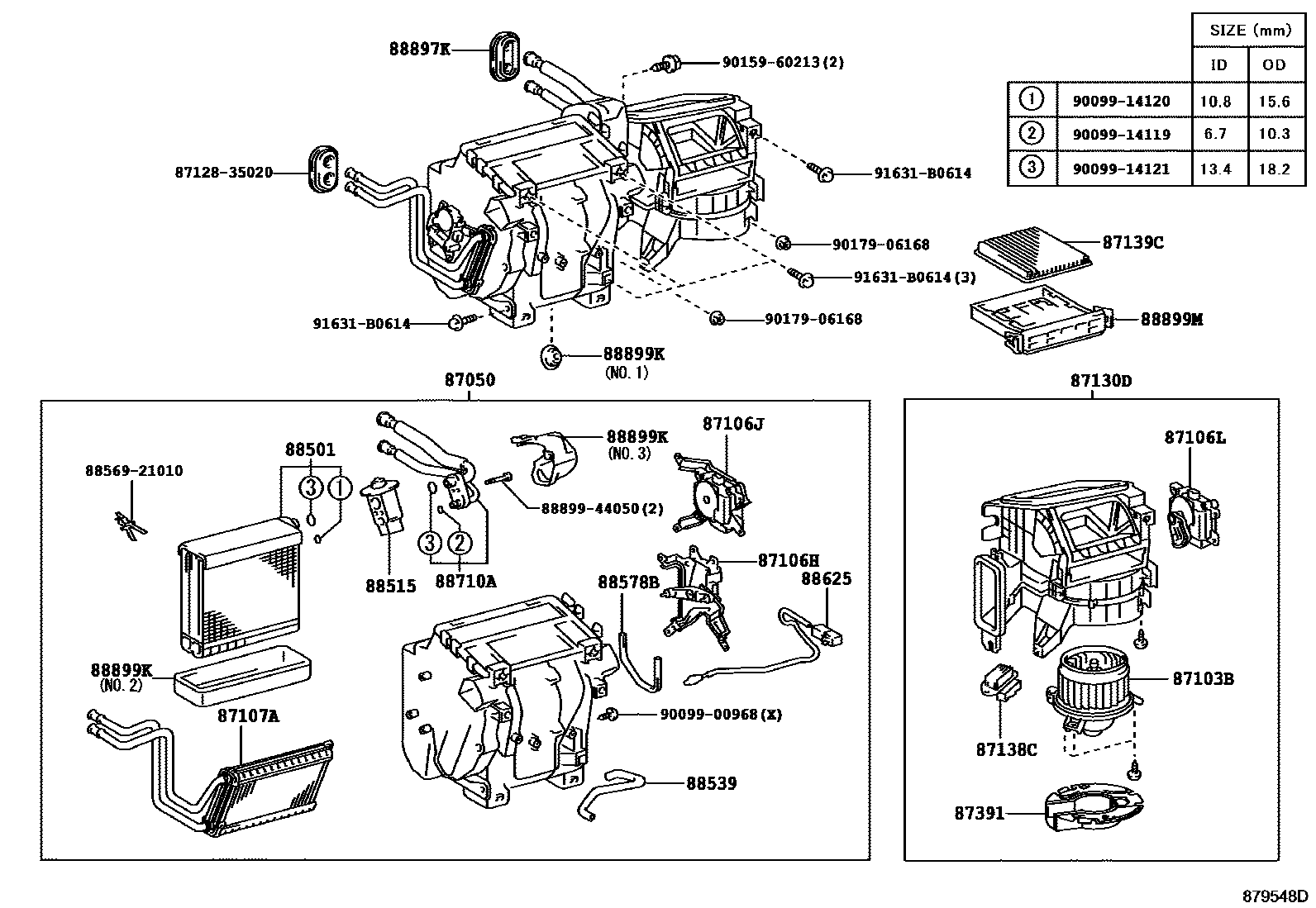
HEATING & AIR CONDITIONING - COOLER UNIT

87050RADIATOR ASSY, AIR CONDITIONER
87103BMOTOR SUB-ASSY, BLOWER W/FAN
87106HSERVO SUB-ASSY, DAMPER(FOR AIRMIX)
87106JSERVO SUB-ASSY, DAMPER(FOR MODE)
87106LSERVO SUB-ASSY, DAMPER
87107AUNIT SUB-ASSY, HEATER RADIATOR
87130DBLOWER ASSY
87139CFILTER, CLEAN AIR
DEODORANT FILTER
87391COVER, BLOWER MOTOR
88501EVAPORATOR SUB-ASSY, COOLER, NO.1
88515VALVE, COOLER EXPANSION
88539HOSE, COOLER UNIT DRAIN, NO.1
88578BPACKING, COOLING UNIT, NO.1
88625THERMISTOR, COOLER, NO.1
88897KGROMMET, (FOR COOLER PIPE)
88899KPLATE, COVER
NO.1
NO.2
NO.3
NO.2
88899MPLATE, COVER(FOR AIR FILTER)
8712835020GROMMET, HEATER
main87128-35020
8856921010CLAMP (FOR COOLER RELAY)
main88569-21010
8889944050COVER, EVAPORATOR
main88899-44050
9009900968
main90099-00968
9009914119
main90099-14119
9009914120
main90099-14120
9009914121
main90099-14121
9015960213
main90159-60213
9017906168
main90179-06168
91631B0614
main91631-B0614
29 parts on this diagram · 2 diagrams in section