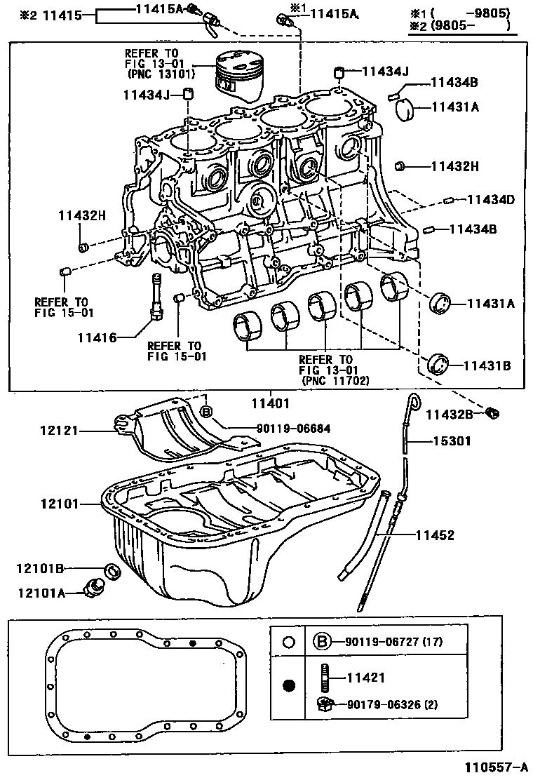
CYLINDER BLOCK

11401BLOCK SUB-ASSY, CYLINDER
11415COCK SUB-ASSY, WATER DRAIN(FOR CYLINDER BLOCK)
11415APLUG, WATER DRAIN COCK(FOR CYLINDER BLOCK)
11416BOLT(FOR CRANKSHAFT BEARING CAP SET)
11421BOLT, STUD(FOR OIL PAN)
11431APLUG, TIGHT, NO.1(FOR CYLINDER BLOCK)
11431BPLUG, TIGHT, NO.2(FOR CYLINDER BLOCK)
11432BPLUG, W/HEAD TAPER SCREW, NO.2
11432HPLUG, W/HEAD TAPER SCREW, NO.5
11434BPIN, STRAIGHT(FOR CLUTCH HOUSING SET)
L=22,OD=10
11434DPIN, STRAIGHT(FOR ENGINE REAR OIL SEAL)
L=14,OD=6
11434JPIN, RING (FOR CYLINDER HEAD SET)
12101APLUG(FOR OIL PAN DRAIN)
12101BGASKET(FOR OIL PAN DRAIN PLUG)
12121PLATE, OIL PAN BAFFLE, NO.1
1301CRANKSHAFT & PISTON
1501ENGINE OIL PUMP
15301GAGE SUB-ASSY, OIL LEVEL
9011906684
main90119-06684
9011906727
main90119-06727
9017906326
main90179-06326
23 parts on this diagram · 1 diagram in section