E
EPC Data

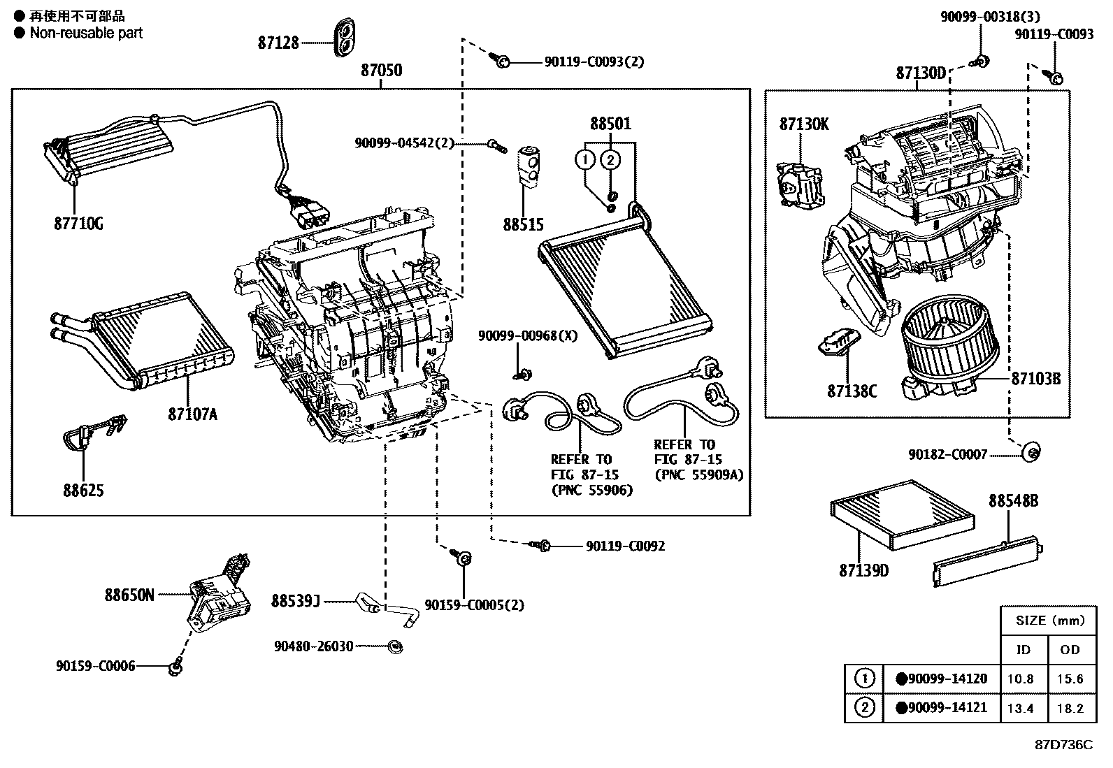
HEATING & AIR CONDITIONING - COOLER UNIT

Parts diagram
87050RADIATOR ASSY, AIR CONDITIONER
main87050-02B50i201308-201607
main87050-0R040i201308-201607
main87050-0R070i201607
main87050-0R080i201607
87103BMOTOR SUB-ASSY, BLOWER W/FAN
main87103-02180i201308-201607
main87103-0R020i201308-201607
87107AUNIT SUB-ASSY, HEATER RADIATOR
main87107-02220i201607
87128GROMMET, HEATER
main87128-02020i201607
87130DBLOWER ASSY
main87130-02470i201607
main87130-0R040i201308-201607
87130KDAMPER SERVO SUB-ASSY, BLOWER, NO.1
main87106-02330i201607
main87106-02340i201607
87138CRESISTOR, BLOWER
main87138-02120i201308-201607
87139DELEMENT, AIR REFINER
main87139-0R020i201308-201607
MICRO DUST FILTER
main87139-50100i201607
*DPF
8715
87710GQUICK HEATER ASSY
main87710-12020i201308-201607
main87710-42040i201607
88501EVAPORATOR SUB-ASSY, COOLER, NO.1
main88501-02212i201308-201607
88515VALVE, COOLER EXPANSION
main88515-02130i201308-201607
main88515-0D200i201308-201607
88539JHOSE, DRAIN COOLER
main88539-0R040i201308-201607
88548BCASE, AIR FILTER
main88548-02100i201308-201607
88625THERMISTOR, COOLER, NO.1
main88625-0D100i201308-201607
88650NAMPLIFIER ASSY, AIR CONDITIONER
main88650-0R180i201308-201607
main88650-0R190i201308-201607
main88650-0R200i201308-201607
main88650-0R250i201607
main88650-0R260i201607
9009900318
9009900968
9009904542
9009914120
9009914121
90119C0092
90119C0093
90159C0005
90159C0006
90182C0007
9048026030

27 parts on this diagram · 2 diagrams in section

HEATING & AIR CONDITIONING - COOLER UNIT — Toyota Parts Diagram with OEM Numbers & Prices | EPC Data