E
EPC Data

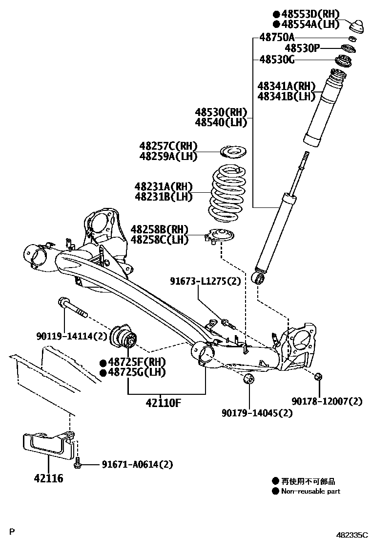
REAR SPRING & SHOCK ABSORBER

Parts diagram
42110FBEAM ASSY, REAR AXLE
main42110-28580i201304
42116COVER, REAR AXLE BEAM
main42116-28020i201304
48231ASPRING, COIL, REAR RH
main48231-28B20i201304
48231BSPRING, COIL, REAR LH
main48231-28B20i201304
48257CINSULATOR, REAR COIL SPRING, UPPER RH
main48257-28070i201304
48258BINSULATOR, REAR COIL SPRING, LOWER RH
main48258-28050i201304
48258CINSULATOR, REAR COIL SPRING, LOWER LH
main48258-28050i201304
48259AINSULATOR, REAR COIL SPRING, UPPER LH
main48257-28070i201304
48341ABUMPER, REAR SPRING, NO.1 RH
main48341-28110i201304
48341BBUMPER, REAR SPRING, NO.1 LH
main48341-28110i201304
48530ABSORBER ASSY, SHOCK, REAR RH
main48530-80520i201304
MARK 48530-28190
48530GCUSHION, REAR SHOCK ABSORBER, NO.1
main90905-40019×2i201304
48530PRETAINER, CUSHION, NO.2(FOR REAR SHOCK ABSORBER)
main90948-02192×2i201304
48540ABSORBER ASSY, SHOCK, REAR LH
main48530-80520i201304
MARK 48530-28190
48553DCAP, REAR SHOCK ABSORBER, RH
main48553-28010i201304
48554ACAP, REAR SHOCK ABSORBER, LH
main48553-28010i201304
48725FBUSH, REAR AXLE CARRIER, RH
main48725-28080i201304
48725GBUSH, REAR AXLE CARRIER, LH
main48725-28080i201304
48750ANUT(FOR REAR SUPPORT TO REAR SHOCK ABSORBER)
main94130-61200×2i201304
9011914114
9017812007
9017914045
91671A0614
91673L1275

24 parts on this diagram · 1 diagram in section

REAR SPRING & SHOCK ABSORBER — Toyota Parts Diagram with OEM Numbers & Prices | EPC Data