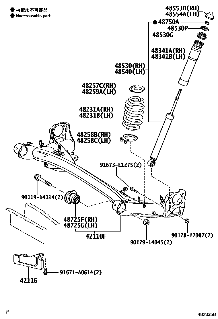
REAR SPRING & SHOCK ABSORBER

42110FBEAM ASSY, REAR AXLE
42116COVER, REAR AXLE BEAM
48231ASPRING, COIL, REAR RH
main48231-28B40iACR50,GSR50..LHD..GL..GEN; ACR50,GSR50..RHD..GL..GEN; ACR50..LHD..GL..GEN200706-200812
EL SALVADOR SPEC&SIDE LIFT-UP SEAT (OVERSEAS)&SLIDE DOOR-*ECS(RH,LH) & *POSD(RH,LH); EL SALVADOR SPEC&SIDE LIFT-UP SEAT (OVERSEAS)&SLIDE DOOR-*ECS(RH,LH) & *POSD(RH,LH) & W(*PBD); GUATEMALA SPEC&SIDE LIFT-UP SEAT (OVERSEAS)&SLIDE DOOR-*ECS(RH,LH) & *POSD(RH,LH); GUATEMALA SPEC&SIDE LIFT-UP SEAT (OVERSEAS)&SLIDE DOOR-*ECS(RH,LH) & *POSD(RH,LH)& W(*PBD); HONDURAS SPEC&SIDE LIFT-UP SEAT (OVERSEAS)&SLIDE DOOR-*ECS(RH,LH) & *POSD(RH,LH); HONDURAS SPEC&SIDE LIFT-UP SEAT (OVERSEAS)&SLIDE DOOR-*ECS(RH,LH) & *POSD(RH,LH) &W(*PBD); JORDAN SPEC&SIDE LIFT-UP SEAT (OVERSEAS)&SLIDE DOOR-*ECS(RH,LH) & *POSD(RH,LH); JORDAN SPEC&SIDE LIFT-UP SEAT (OVERSEAS)&SLIDE DOOR-*ECS(RH,LH) & *POSD(RH,LH) & W(*PBD); MOON ROOF-WITH&REAR NO.2 SEAT-WITH(CENTER ARM REST & POWER STOW); PHILIPPINES SPEC&SIDE LIFT-UP SEAT (OVERSEAS)&SLIDE DOOR-*ECS(RH,LH) & *POSD(RH,LH); PHILIPPINES SPEC&SIDE LIFT-UP SEAT (OVERSEAS)&SLIDE DOOR-*ECS(RH,LH) & *POSD(RH,LH) & W(*PBD); SIDE LIFT-UP SEAT (OVERSEAS)&SLIDE DOOR-*ECS(RH,LH) & *POSD(RH,LH); SIDE LIFT-UP SEAT (OVERSEAS)&SLIDE DOOR-*ECS(RH,LH) & *POSD(RH,LH) & W(*PBD); TAIWAN SPEC&SIDE LIFT-UP SEAT (OVERSEAS)&SLIDE DOOR-*ECS(RH,LH) & *POSD(RH,LH); TAIWAN SPEC&SIDE LIFT-UP SEAT (OVERSEAS)&SLIDE DOOR-*ECS(RH,LH) & *POSD(RH,LH) & W(*PBD)
48231BSPRING, COIL, REAR LH
main48231-28A90iACR50,GSR50..LHD..GL..GEN; ACR50..LHD..GL..GEN; GSR50..LHD;ACR50..GCC,GEN200812-201204
TAIWAN SPEC&MOON ROOF-WITHOUT&SEAT COVER MATERIAL-NATURAL LEATHER; TAIWAN SPEC&MOON ROOF-WITHOUT&SLIDE DOOR-*ECS(RH,LH) & *POSD(RH)&SEAT COVER MATERIAL-NATURAL LEATHER; TAIWAN SPEC&MOON ROOF-WITHOUT&SLIDE DOOR-*ECS(RH,LH) & *POSD(RH,LH)&SEAT COVER MATERIAL-NATURAL LEATHER; TAIWAN SPEC&SLIDE DOOR-*ECS(RH,LH) & *POSD(RH)&SEAT COVER MATERIAL-NATURAL LEATHER; TAIWAN SPEC&SLIDE DOOR-*ECS(RH,LH) & *POSD(RH,LH)&SEAT COVER MATERIAL-NATURAL LEATHER
main48231-28B40iACR50,GSR50..LHD..GL..GEN; ACR50..CVT..GL; ACR50..LHD..GL..GEN; ACR50..RHD..GL;ACR50,GSR50..GL..GCC200812-201204
EL SALVADOR SPEC&SIDE LIFT-UP SEAT&MOON ROOF-WITHOUT&SLIDE DOOR-*ECS(RH,LH) & *POSD(RH); EL SALVADOR SPEC&SIDE LIFT-UP SEAT&MOON ROOF-WITHOUT&SLIDE DOOR-*ECS(RH,LH) & *POSD(RH,LH); GUATEMALA SPEC&SIDE LIFT-UP SEAT&MOON ROOF-WITHOUT&SLIDE DOOR-*ECS(RH,LH) & *POSD(RH); GUATEMALA SPEC&SIDE LIFT-UP SEAT&MOON ROOF-WITHOUT&SLIDE DOOR-*ECS(RH,LH) & *POSD(RH,LH); HONDURAS SPEC&SIDE LIFT-UP SEAT&MOON ROOF-WITHOUT&SLIDE DOOR-*ECS(RH,LH) & *POSD(RH); HONDURAS SPEC&SIDE LIFT-UP SEAT&MOON ROOF-WITHOUT&SLIDE DOOR-*ECS(RH,LH) & *POSD(RH,LH); JORDAN SPEC&SIDE LIFT-UP SEAT&MOON ROOF-WITHOUT&SLIDE DOOR-*ECS(RH,LH) & *POSD(RH); JORDAN SPEC&SIDE LIFT-UP SEAT&MOON ROOF-WITHOUT&SLIDE DOOR-*ECS(RH,LH) & *POSD(RH,LH); MOON ROOF-WITH&REAR NO.2 SEAT-WITH(POWER STOW); PHILIPPINES SPEC&SIDE LIFT-UP SEAT&MOON ROOF-WITHOUT; SIDE LIFT-UP SEAT; SIDE LIFT-UP SEAT&MOON ROOF-WITHOUT&SLIDE DOOR-*ECS(RH,LH) & *POSD(RH); SIDE LIFT-UP SEAT&MOON ROOF-WITHOUT&SLIDE DOOR-*ECS(RH,LH) & *POSD(RH,LH); TAIWAN SPEC&SEAT COVER MATERIAL-NATURAL LEATHER; TAIWAN SPEC&SIDE LIFT-UP SEAT&MOON ROOF-WITHOUT; TAIWAN SPEC&SIDE LIFT-UP SEAT&MOON ROOF-WITHOUT&SEAT COVER MATERIAL-NATURAL LEATHER; TAIWAN SPEC&SIDE LIFT-UP SEAT&MOON ROOF-WITHOUT&SLIDE DOOR-*ECS(RH,LH) & *POSD(RH)&SEAT COVER MATERIAL-NATURAL LEATHER; TAIWAN SPEC&SIDE LIFT-UP SEAT&MOON ROOF-WITHOUT&SLIDE DOOR-*ECS(RH,LH) & *POSD(RH,LH)&SEAT COVER MATERIAL-NATURAL LEATHER
48257CINSULATOR, REAR COIL SPRING, UPPER RH
48258BINSULATOR, REAR COIL SPRING, LOWER RH
48258CINSULATOR, REAR COIL SPRING, LOWER LH
48259AINSULATOR, REAR COIL SPRING, UPPER LH
48341ABUMPER, REAR SPRING, NO.1 RH
48341BBUMPER, REAR SPRING, NO.1 LH
48530ABSORBER ASSY, SHOCK, REAR RH
MARK 48530-28070
MARK 48530-28170
48530GCUSHION, REAR SHOCK ABSORBER, NO.1
48530PRETAINER, CUSHION, NO.2(FOR REAR SHOCK ABSORBER)
48540ABSORBER ASSY, SHOCK, REAR LH
MARK 48530-28070
MARK 48530-28170
48553DCAP, REAR SHOCK ABSORBER, RH
48554ACAP, REAR SHOCK ABSORBER, LH
48725FBUSH, REAR AXLE CARRIER, RH
48725GBUSH, REAR AXLE CARRIER, LH
48750ANUT(FOR REAR SUPPORT TO REAR SHOCK ABSORBER)
9011914114
main90119-14114
9017812007
main90178-12007
9017914045
main90179-14045
91671A0614
main91671-A0614
91673L1275
main91673-L1275
24 parts on this diagram · 1 diagram in section