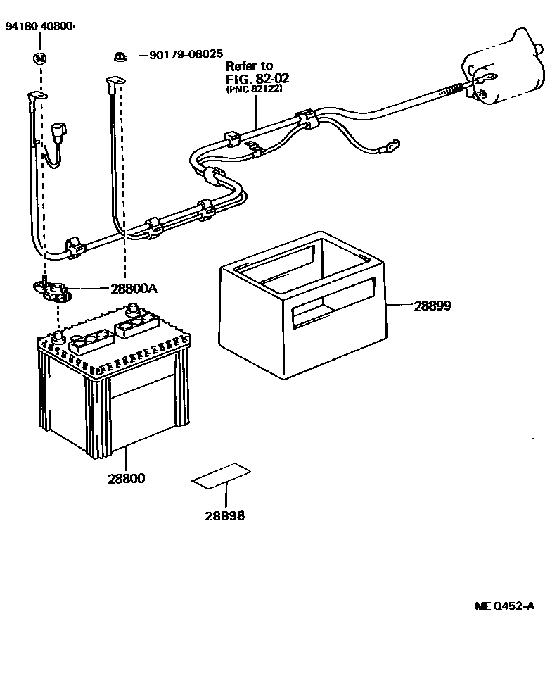
BATTERY & BATTERY CABLE

28800BATTERY
55D23L
55D23L
55D23L
55D23L
80D26L,COLD SPEC
80D26L
80D26L
80D26L
55D23L
28800ATERMINAL, BATTERY POSITIVE
28898PLATE, BATTERY
NORWAY SPEC
NORWAY SPEC
28899INSULATOR, BATTERY
COLD SPEC
8202WIRING & CLAMP
9017908025
main90179-08025
9418040800
main94180-40800
7 parts on this diagram · 1 diagram in section