E
EPC Data

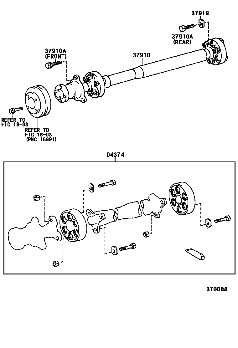
EQUIPMENT DRIVE SHAFT

Parts diagram
04374COUPLING KIT, EQUIPMENT DRIVE SHAFT
main04374-28010i199401-199912
1603RADIATOR & WATER OUTLET
37910SHAFT ASSY, EQUIPMENT DRIVE
main37910-28010i199005-199401
main37910-28050i199401-199912
37910ABOLT (FOR EQUIPMENT DRIVE SHAFT)
main90101-08143×3i199005-199912
REAR
main90119-10648×3i199005-199912
FRONT
37919WASHER, EQUIPMENT DRIVE SHAFT
main37919-28010×3i199005-199912

5 parts on this diagram · 1 diagram in section

EQUIPMENT DRIVE SHAFT — Toyota Parts Diagram with OEM Numbers & Prices | EPC Data