E
EPC Data
Pricing
Sign In
Home
›
GR
›
652240
›
TRANSAXLE OR TRANSMISSION ASSY & GASKET KIT (ATM)
TRANSAXLE OR TRANSMISSION ASSY & GASKET KIT (ATM)
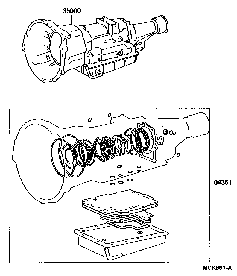
04351
GASKET KIT, AUTOMATIC TRANSMISSION OVERHAUL
main
04351-30120
i
TCR1#,2#..ATM
199005-199912
35000
TRANSMISSION ASSY, AUTOMATIC
main
35000-28280
i
TCR1#..ATM..ARL
199005-199308
main
35000-28290
i
TCR2#..ATM
199005-199308
main
35000-28300
i
TCR11..ATM..W
199005-199308
main
35000-28490
i
TCR1#..ATM..(ARL,GEN)
199308-199401
main
35000-28500
i
TCR11..ATM..W
199308-199401
main
35000-28530
i
TCR11..ATM..W
199608-199912
main
35000-28690
i
TCR1#..ATM..(ARL,GEN)
199401-199402
main
35000-28700
i
TCR11..ATM..W
199401-199402
main
35000-28710
i
TCR1#..ATM..(ARL,GEN)
199402-199408
main
35000-28711
i
TCR1#..ATM..(ARL,GEN,V)
199408-199608
main
35000-28720
i
TCR11..ATM..W
199402-199408
main
35000-28721
i
TCR11..ATM..W
199408-199608
main
35000-28741
i
TCR1#..ATM..(ARL,GEN,V)
199608-199912
2 parts on this diagram · 1 diagram in section
TRANSAXLE OR TRANSMISSION ASSY & GASKET KIT (ATM) — Toyota Parts Diagram with OEM Numbers & Prices | EPC Data