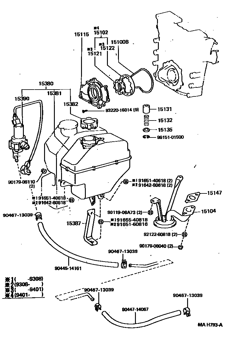
ENGINE OIL PUMP

15100BRING, O(FOR OIL PUMP)
15102ROTOR SET, OIL PUMP
15104STRAINER SUB-ASSY, OIL
15115COVER, OIL PUMP
15121GEAR, OIL PUMP DRIVE
15122GEAR, OIL PUMP DRIVEN
15131VALVE, OIL PUMP RELIEF
15132SPRING, OIL PUMP RELIEF VALVE
15135RETAINER, OIL PUMP RELIEF VALVE
15147GASKET, OIL STRAINER
15380TANK & MOTOR ASSY, OIL
15381TANK, OIL
15382CAP, OIL TANK
15387BRACKET, OIL TANK
15390MOTOR & PUMP ASSY, OIL TANK
9011908A73
main90119-08A73
9017906110
main90179-06110
9017908040
main90179-08040
9044514161
main90445-14161
9044714067
main90447-14067
9046713039
main90467-13039
9164280618
main91642-80618
9165140618
main91651-40618
9165160816
main91651-60816
9165540818
main91655-40818
9212260818
main92122-60818
9322016014
main93220-16014
9615101500
main96151-01500
28 parts on this diagram · 2 diagrams in section