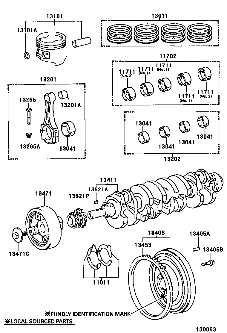
CRANKSHAFT & PISTON

11011WASHER SET, CRANKSHAFT THRUST
STD
11702BEARING SET, CRANKSHAFT
U/S 0.25
U/S 0.25
U/S 0.25
11711BEARING, CRANKSHAFT
MARK 1,NO.1
MARK 2,NO.1
MARK 3,NO.1
NO.1
MARK 1,NO.1
MARK 2,NO.1
MARK 3,NO.1
MARK 1,NO.1
MARK 2,NO.1
MARK 3,NO.1
MARK 1,NO.2
MARK 2,NO.2
MARK 3,NO.2
NO.2
MARK 1,NO.2
MARK 2,NO.2
MARK 3,NO.2
MARK 1,NO.2
MARK 2,NO.2
MARK 3,NO.2
13011RING SET, PISTON
STD; STD,LEADED GASOLINE SPEC
STD
O/S 0.50; O/S 0.50,LEADED GASOLINE SPEC
O/S 0.50
13041BEARING, CONNECTING ROD
MARK 1
MARK 2
MARK 3
MARK 4
MARK 5
MARK 6
MARK 4
MARK 5
MARK 6
13101PISTON SUB-ASSY, W/PIN
STD
STD
STD
O/S 0.50
O/S 0.50
0/S 0.50
13101ARING, HOLE SNAP(FOR PISTON PIN)
13201ROD SUB-ASSY, CONNECTING
13201ABUSH(FOR CONNECTING ROD SMALL END)
13202BEARING SET, CONNECTING ROD
U/S 0.25
U/S 0.25
U/S 0.25
13265BOLT, CONNECTING ROD
13265ANUT, HEXAGON(FOR CONNECTING ROD BOLT)
13405FLYWHEEL SUB-ASSY
13405APIN, STRAIGHT(FOR FLYWHEEL)
L=23,OD=8
13405BBOLT, FLYWHEEL SETTING
13411CRANKSHAFT
13453GEAR, FLYWHEEL RING
W(FUNDLY ID MARK)
13471PULLEY, CRANKSHAFT
13471CBOLT(FOR CRANKSHAFT PULLEY SET)
13521AKEY(FOR CRANKSHAFT TIMING GEAR)
13521PPULLEY, CRANKSHAFT TIMING
21 parts on this diagram · 1 diagram in section