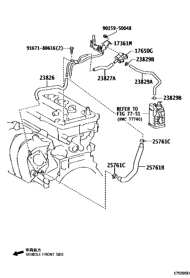
VACUUM PIPING

17361MTUBE, AIR
17650GVALVE, DUTY VACUUM SWITCHING
23826HOSE, FUEL VAPOR FEED, NO.1
L/NET PROTECTOR
W/NET PROTECTOR
23827AHOSE, FUEL VAPOR FEED, NO.2
23829AHOSE, FUEL VAPOR FEED
23829BCLIP(FOR FUEL VAPOR FEED HOSE)
25761BHOSE, VACCUM TRANSMITTING, NO.1
25761CCLIP(VACCUM TRANSMITTING HOSE NO.1)
7751FUEL TANK & TUBE
9015950048
main90159-50048
9167180616
main91671-80616
11 parts on this diagram · 3 diagrams in section