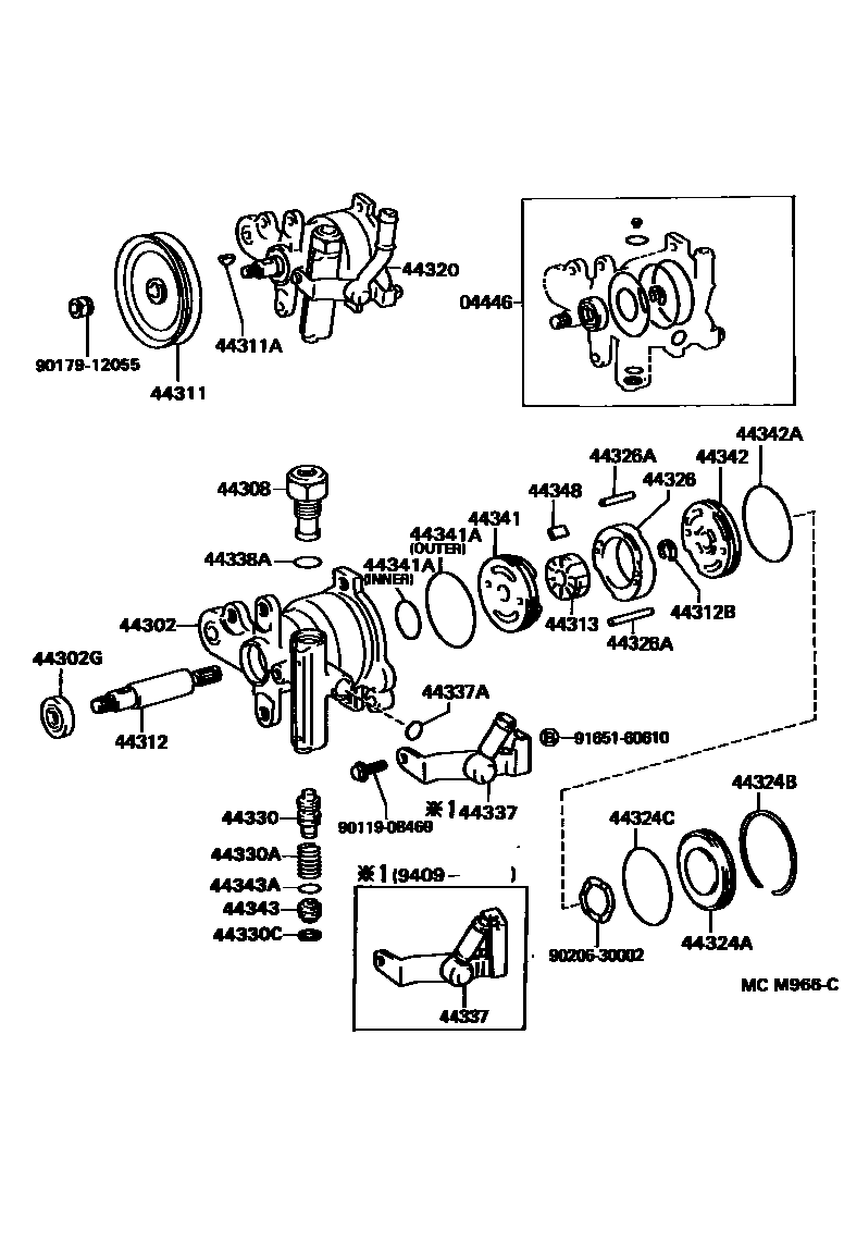
VANE PUMP & RESERVOIR (POWER STEERING)

44302HOUSING SUB-ASSY, VANE PUMP, FRONT
44302GSEAL, OIL, NO.2(FOR VANE PUMP HOUSING)
44308UNION SUB-ASSY, PRESSURE PORT
44311AKEY, VANE PUMP PULLEY
44312SHAFT, VANE PUMP
44313ROTOR, VANE PUMP
NO MARK
MARK 1
MARK 2
MARK 3
MARK 4
44324AHOUSING, PUMP, REAR
44324BRING, HOLE SNAP(FOR PUMP HOUSING REAR)
44326RING, CAM(FOR VANE PUMP)
NO MARK
MARK 1
MARK 2
MARK 3
MARK 4
NO MARK
MARK 1
MARK 2
MARK 3
MARK 4
44326APIN, STRAIGHT(FOR VANE PUMP CAM RING)
L=28,OD=4.0
L=43,OD=4.0
L=25,OD=5.0
44330VALVE ASSY, FLOW CONTROL
44330ASPRING, COMPRESSION(FOR FLOW CONTROL VALVE)
44330CRING, SNAP(FOR FLOW CONTROL VALVE)
44337UNION, POWER STEERING SUCTION PORT
44338ARING, O(FOR PRESSURE PORT UNION)
OD=25.5,ID=22.5
OD=17.0,ID=13.0
44341PLATE, VANE PUMP SIDE, FRONT
44341ARING, O(FOR VANE PUMP FRONT SIDE PLATE)
OUTER
44342PLATE, VANE PUMP SIDE, REAR
44342ARING, O(FOR VANE PUMP SIDE PLATE REAR)
44343SEAT, FLOW CONTROL SPRING
44343ARING, O(FOR FLOW CONTROL SPRING SEAT)
44348PLATE, VANE PUMP
L=14.997
L=14.995
L=14.993
L=14.991
L=14.989
9011908469
main90119-08469
9017912055
main90179-12055
9020630002
main90206-30002
9165160610
main91651-60610
32 parts on this diagram · 6 diagrams in section