E
EPC Data
Pricing
Sign In
Home
›
GR
›
651340
›
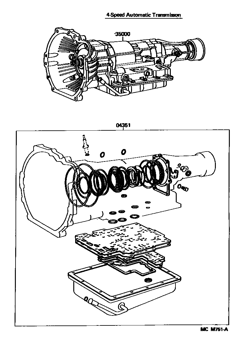
TRANSAXLE OR TRANSMISSION ASSY & GASKET KIT (ATM)
TRANSAXLE OR TRANSMISSION ASSY & GASKET KIT (ATM)
04351
GASKET KIT, AUTOMATIC TRANSMISSION OVERHAUL
main
04351-28030
i
YR22..ATM
199201-199610
main
04351-30100
i
YR39..ATM
199201-199610
35000
TRANSMISSION ASSY, AUTOMATIC
main
35000-28390
i
YR39..ATM
199201-199610
main
35000-28391
i
YR39..ATM
199309-199610
main
35000-28400
i
YR22..ATM
199201-199309
main
35000-28401
i
YR22..ATM
199309-199610
2 parts on this diagram · 1 diagram in section
TRANSAXLE OR TRANSMISSION ASSY & GASKET KIT (ATM) — Toyota Parts Diagram with OEM Numbers & Prices | EPC Data