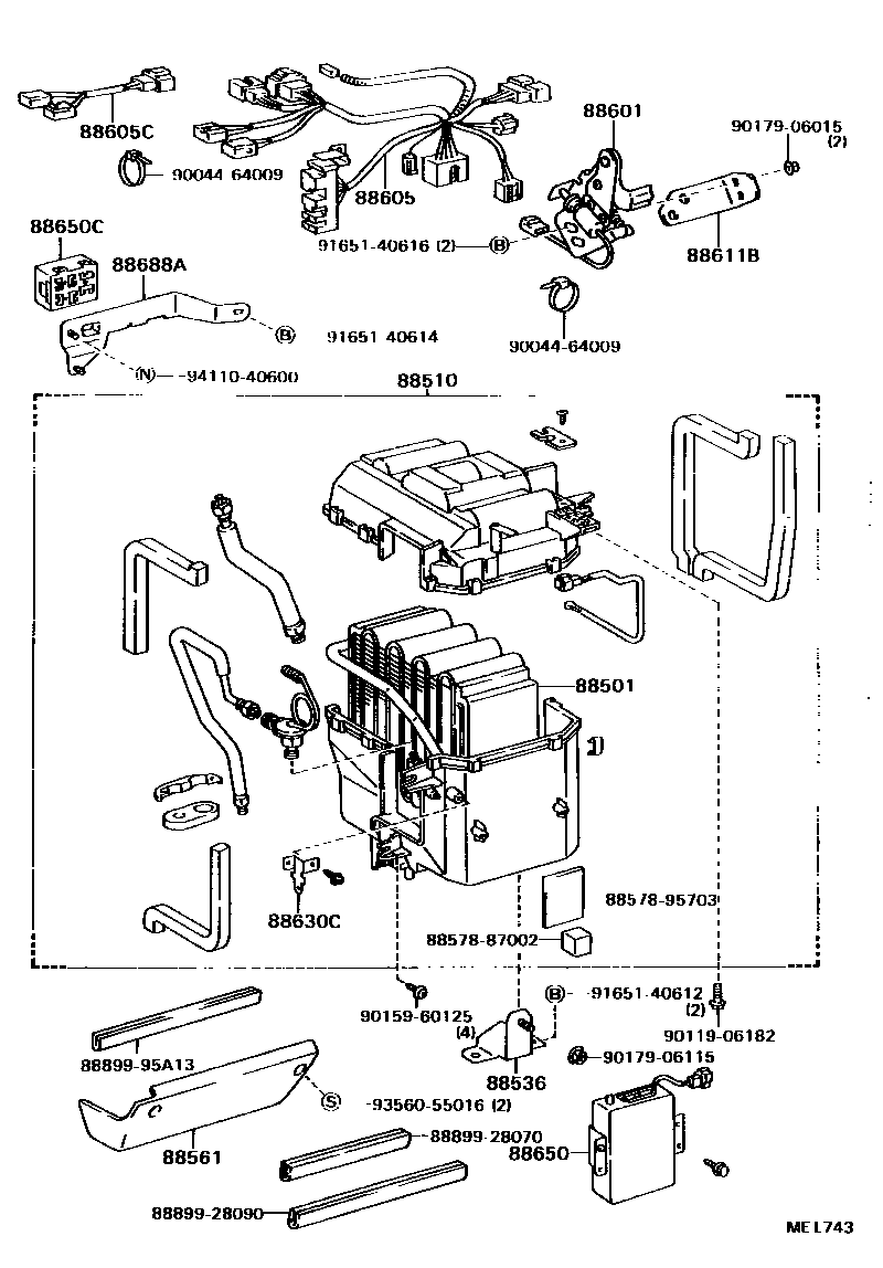
HEATING & AIR CONDITIONING - COOLER UNIT

88501EVAPORATOR SUB-ASSY, COOLER, NO.1
REAR
COOL BOX
FRONT
REAR
88510UNIT ASSY, COOLER
FRONT
FRONT
main88510-87011iYR21..DLX; YR21..GEN; YR21..GL..ARL; YR22..DLX; YR22..HRF; YR22..MRF..GL; YR31198808-199001
REAR
main88510-87031iYR21,31..ARL; YR21..DLX; YR21..GL..ARL; YR22..DLX; YR22..HRF; YR22..MRF..GL; YR31198808-199001
FRONT
DEALER OPTION,FRONT; FRONT
88536BRACKET, COOLING UNIT, NO.1
88561COVER, COOLER UNIT
88601SWITCH SUB-ASSY, COOLER CONTROL
88605HARNESS SUB-ASSY, COOLER WIRING, NO.1
W(BOOST VENTILATOR)
REAR MAIN SWITCH
REAR MAIN SWITCH
W(DUAL AIR CONDITIONER)
W(FRONT AIR CONDITIONER)
W(FRONT AIR CONDITIONER)
88605CHARNESS SUB-ASSY, COOLER WIRING, NO.2
88611BPLATE, COOLER CONTROL SWITCH
88630RELAY ASSY, COOLER
FAN
main90987-03001iYR21..DLX; YR21..GEN; YR21..GL..ARL; YR22..DLX; YR22..HRF; YR22..MRF..GL; YR31198808-199001
A/C CUT
88630CBRACKET, COOLER RELAY
88650AMPLIFIER ASSY, COOLER STABILIZER
W(FRONT AIR CONDITIONER)
W(FRONT AIR CONDITIONER)
COOL BOX
W(DUAL AIR CONDITIONER)
W(DUAL AIR CONDITIONER)
88650CAMPLIFIER SUB-ASSY, AIRCONDITIONER
main88650-28020iYR21..DLX; YR21..GEN; YR21..GL..ARL; YR22..DLX; YR22..HRF; YR22..MRF..GL; YR31198808-199001
88688ABRACKET, COOLER STABILIZER AMPLIFIER
NO.1
NO.2
8857887002PAKING, COOLER AIR DUCT
main88578-87002
8857895703PAKING, COOLER AIR DUCT
main88578-95703
8889928070COVER, EVAPORATOR
main88899-28070
8889928090COVER, EVAPORATOR
main88899-28090
8889995A13COVER, EVAPORATOR
main88899-95A13
9004464009
main90044-64009
9011906182
main90119-06182
9015960125
main90159-60125
9017906015
main90179-06015
9017906115
main90179-06115
9165140612
main91651-40612
9165140614
main91651-40614
9165140616
main91651-40616
9356055016
main93560-55016
9411040600
main94110-40600
28 parts on this diagram · 6 diagrams in section