E
EPC Data

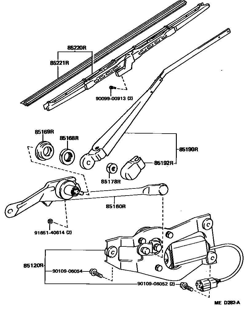
REAR WIPER

Parts diagram
85120RMOTOR AND BRACKET ASSY, REAR WIPER
main85120-87002i198808-199001
85160RLINK ASSY, REAR WIPER
main85160-87004i198808-199001
85168RNUT, REAR WIPER LINK PIVOT, NO.1
main90099-05157i198808-199001
85169RWASHER, REAR WIPER LINK PIVOT, NO.1
main85179-87004i198808-199001
85178RNUT (FOR REAR WIPER ARM SETTING)
main90179-06115i198808-199001
85190RARM ASSY, REAR WIPER
main85190-87014i198808-199001
85192RCOVER, REAR WIPER ARM
main85192-14020i198808-199001
85220RBLADE ASSY, REAR WIPER
main85220-22600i198808-199001
85221RBLADE, REAR WIPER
main85221-87003i198808-198911
9009900913
9010906052
9010906054
9165140614

13 parts on this diagram · 1 diagram in section

REAR WIPER — Toyota Parts Diagram with OEM Numbers & Prices | EPC Data