E
EPC Data

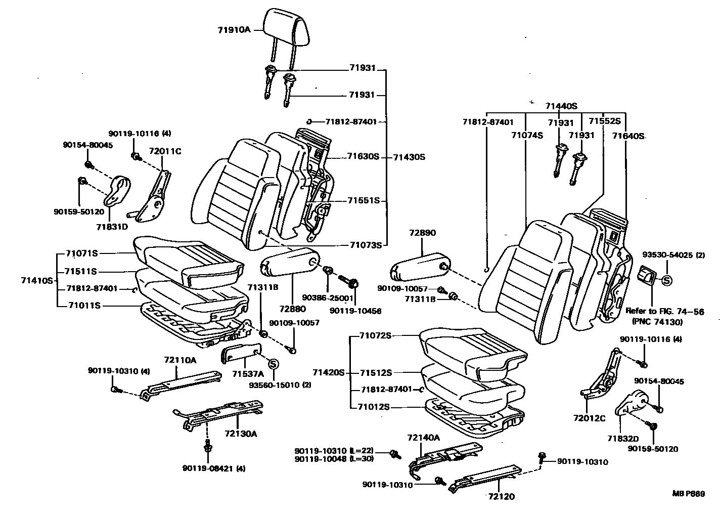
SEAT & SEAT TRACK

Parts diagram
71011SFRAME SUB-ASSY, FRONT SEAT CUSHION, RH
main71011-28011i198808-199001
main71011-87018i198808-199001
71012SFRAME SUB-ASSY, FRONT SEAT CUSHION, LH
main71012-28011i198808-199001
main71012-87011i198808-199001
71071SCOVER, FRONT SEAT CUSHION, RH(FOR SEPARATE TYPE)
main71071-87G04-03i198808-199001
SHADOW GRAY,TRIM1#
main71071-87G06-03i198808-199001
SHADOW GRAY,TRIM1#
main71071-95D05-03i198808-199001
SHADOW GRAY,TRIM1#
main71071-95D05-06i198808-199001
SABLE,TRIM4#
71072SCOVER, FRONT SEAT CUSHION, LH(FOR SEPARATE TYPE)
main71072-87G09-03i198808-199001
SHADOW GRAY,TRIM1#
main71072-87G11-03i198808-199001
SHADOW GRAY,TRIM1#
main71072-95D05-03i198808-199001
SHADOW GRAY,TRIM1#
main71072-95D05-06i198808-199001
SABLE,TRIM4#
71073SCOVER, FRONT SEATBACK, RH(FOR SEPARATE TYPE)
main71073-28015-03i198808-199001
SHADOW GRAY,TRIM1#
main71073-28015-06i198808-199001
SABLE,TRIM4#
main71073-87078-03i198808-199001
SHADOW GRAY,TRIM1#
main71073-87G05-03i198808-199001
SHADOW GRAY,TRIM1#
main71073-95D05-03i198808-199001
SHADOW GRAY,TRIM1#
main71073-95D05-06i198808-199001
SABLE,TRIM4#
71074SCOVER, FRONT SEATBACK, LH(FOR SEPARATE TYPE)
main71074-28016-03i198808-199001
SHADOW GRAY,TRIM1#
main71074-28016-06i198808-199001
SABLE,TRIM4#
main71074-87056-03i198808-199001
SHADOW GRAY,TRIM1#
main71074-87061-03i198808-199001
SHADOW GRAY,TRIM1#
main71074-95D05-03i198808-199001
SHADOW GRAY,TRIM1#
main71074-95D05-06i198808-199001
SABLE,TRIM4#
71311BBUSH (FOR FRONT SEAT HINGE PIN)
main90386-12018i198808-199001
71410SCUSHION ASSY, FRONT SEAT, RH(FOR SEPARATE TYPE)
main71410-28026-03i198808-199001
SHADOW GRAY,TRIM1#
main71410-28026-06i198808-199001
SABLE,TRIM4#
main71410-87049-03i198808-199001
SHADOW GRAY,TRIM1#
main71410-87G02-03i198808-199001
SHADOW GRAY,TRIM1#
main71410-95D00-03i198808-199001
SHADOW GRAY,TRIM1#
main71410-95D00-06i198808-199001
SABLE,TRIM4#
71420SCUSHION ASSY, FRONT SEAT, LH (FOR SEPARATE TYPE)
main71420-28026-03i198808-199001
SHADOW GRAY,TRIM1#
main71420-28026-06i198808-199001
SABLE,TRIM4#
main71420-87070-03i198808-199001
SHADOW GRAY,TRIM1#
main71420-87073-03i198808-199001
SHADOW GRAY,TRIM1#
main71420-95D00-03i198808-199001
SHADOW GRAY,TRIM1#
main71420-95D00-06i198808-199001
SABLE,TRIM4#
71430SBACK ASSY, FRONT SEAT, RH(FOR SEPARATE TYPE)
main71430-28026-03i198808-199001
SHADOW GRAY,TRIM1#
main71430-28026-06i198808-199001
SABLE,TRIM4#
main71430-95D00-03i198808-199001
SHADOW GRAY,TRIM1#
main71430-95D00-06i198808-199001
SABLE,TRIM4#
main71430-95D02-03i198808-199001
SHADOW GRAY,TRIM1#
main71430-95D03-03i198808-199001
SHADOW GRAY,TRIM1#
71440SBACK ASSY, FRONT SEAT, LH(FOR SEPARATE TYPE)
main71440-28026-03i198808-199001
SHADOW GRAY,TRIM1#
main71440-28026-06i198808-199001
SABLE,TRIM4#
main71440-95D00-03i198808-199001
SHADOW GRAY,TRIM1#
main71440-95D00-06i198808-199001
SABLE,TRIM4#
main71440-95D01-03i198808-199001
SHADOW GRAY,TRIM1#
main71440-95D02-03i198808-199001
SHADOW GRAY,TRIM1#
71511SPAD, FRONT SEAT CUSHION, RH(FOR SEPARATE TYPE)
main71511-28011i198808-199001
71512SPAD, FRONT SEAT CUSHION, LH (FOR SEPARATE TYPE)
main71512-28011i198808-199001
71537APROTECTOR, FRONT SEAT CUSHION
main71537-28010-03i198808-199001
SHADOW GRAY,TRIM1#
main71537-28010-16i198808-199001
SABLE,TRIM4#
main71537-87001-03i198808-199001
SHADOW GRAY,TRIM1#
main71537-87001-16i198808-199001
BROWN,TRIM4#
71551SPAD, FRONT SEATBACK, RH(FOR SEPARATE TYPE)
main71551-28010i198808-199001
main71551-28021i198808-199001
main71551-87008i198808-199001
71552SPAD, FRONT SEATBACK, LH(FOR SEPARATE TYPE)
main71552-28010i198808-199001
main71552-28021i198808-199001
main71552-87009i198808-199001
71630SSPRING ASSY, FRONT SEATBACK, RH(FOR SEPARATE TYPE)
main71630-28022i198808-199001
main71630-87004i198808-199001
main71630-87009i198808-199001
main71630-87010i198808-199001
71640SSPRING ASSY, FRONT SEATBACK, LH(FOR SEPARATE TYPE)
main71640-28022i198808-199001
main71640-87006i198808-199001
main71640-87009i198808-199001
main71640-87011i198808-199001
71831DCOVER, FRONT SEAT HINGE, RH
main71831-87001-03i198808-199001
SHADOW GRAY,TRIM1#
main71831-87001-16i198808-199001
SABLE,TRIM4#
71832DCOVER, FRONT SEAT HINGE, LH
main71832-87001-03i198808-199001
SHADOW GRAY,TRIM1#
main71832-87001-16i198808-199001
SABLE,TRIM4#
71910AHEADREST ASSY, FRONT SEAT
main71910-32100-23×2i198808-199001
SHADOW GRAY,TRIM1#
main71910-87018-03×2i198808-199001
SHADOW GRAY,TRIM1#
main71910-95D00-03×2i198808-199001
SHADOW GRAY,TRIM1#
main71910-95D00-06×2i198808-199001
SABLE,TRIM4#
71931SUPPORT, FRONT SEAT HEADREST
main71930-10060-33×2i198808-199001
W(LOCK),SHADOW GRAY,TRIM1#
main71930-10060-50×2i198808-199001
W(LOCK),BROWN,TRIM4#
72011CADJUSTER SUB-ASSY, FRONT SEAT, RH
main72010-28021-03i198808-199001
SHADOW GRAY,TRIM1#
main72010-28021-06i198808-199001
SABLE,TRIM4#
72012CADJUSTER SUB-ASSY, FRONT SEAT, LH
main72020-28021-03i198808-199001
SHADOW GRAY,TRIM1#
main72020-28021-06i198808-199001
SABLE,TRIM4#
main72020-95D00-03i198808-199001
SHADOW GRAY,TRIM1#
main72020-95D00-06i198808-199001
SABLE,TRIM4#
72110ATRACK ASSY, FRONT SEAT, OUTER RH
main72110-28020i198808-199001
main72110-87004i198808-199001
72120TRACK ASSY, FRONT SEAT, OUTER LH
main72120-28010i198808-199001
main72120-87001i198808-199001
72130ATRACK ASSY, FRONT SEAT, INNER RH
main72130-28020i198808-199001
main72130-87003i198808-199001
72140ATRACK ASSY, FRONT SEAT,INNER LH
main72140-28010i198808-199001
main72140-87003i198808-199001
main72140-95D00i198808-199001
72880ARMREST ASSY, SEAT, C RH
main72880-28022-03i198808-199001
SHADOW GRAY,TRIM1#
main72880-28022-06i198808-199001
SABLE,TRIM4#
main72880-95D02-03i198808-199001
SHADOW GRAY,TRIM1#
main72880-95D02-06i198808-199001
SABLE,TRIM4#
72890ARMREST ASSY, SEAT, C LH
main72890-95D07-03i198808-199001
SHADOW GRAY,TRIM1#
main72890-95D07-06i198808-199001
SABLE,TRIM4#
main72890-95D08-03i198808-199001
SHADOW GRAY,TRIM1#
main72890-95D08-06i198808-199001
SABLE,TRIM4#
7456
7181287401CLIP (FOR FRONT SEAT CUSHION COVER)
9010910057
9011908421
9011910048
9011910116
9011910310
9011910456
9015480045
9015950120
9038625001
9353054025
9356015010

43 parts on this diagram · 7 diagrams in section