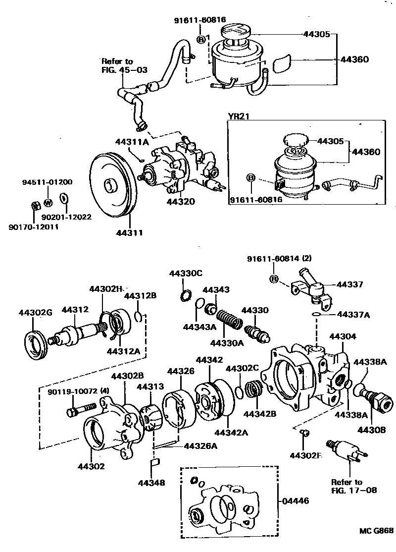
VANE PUMP & RESERVOIR (POWER STEERING)

04446GASKET KIT, POWER STEERING PUMP
1708
44302HOUSING SUB-ASSY, VANE PUMP, FRONT
NEW ZEALAND SPEC
44302BRING, O, NO.1(FOR VANE PUMP HOUSING)
NEW ZEALAND SPEC
44302CRING, O, NO.2(FOR VANE PUMP HOUSING)
NEW ZEALAND SPEC
44302FSEAT, UNION(FOR VANE PUMP HOUSING)
NEW ZEALAND SPEC
44302GSEAL, OIL, NO.2(FOR VANE PUMP HOUSING)
44302HRING, SNAP, NO.1(FOR VANE PUMP HOUSING)
NEW ZEALAND SPEC
44304HOUSING SUB-ASSY, VANE PUMP, REAR
NEW ZEALAND SPEC
44308UNION SUB-ASSY, PRESSURE PORT
NEW ZEALAND SPEC
44311PULLEY, VANE PUMP
NEW ZEALAND SPEC
44311AKEY, VANE PUMP PULLEY
NEW ZEALAND SPEC
44312SHAFT, VANE PUMP
NEW ZEALAND SPEC
44312ABEARING(FOR VANE PUMP SHAFT)
NEW ZEALAND SPEC
44312BRING, SNAP, NO.1(FOR VANE PUMP SHAFT)
44313ROTOR, VANE PUMP
NO MARK
MARK 1
MARK 2
MARK 3
MARK 4
44320PUMP ASSY, VANE
NEW ZEALAND SPEC
44326RING, CAM(FOR VANE PUMP)
NO MARK
NO MARK,NEW ZEALAND SPEC
MARK 1
MARK 1,NEW ZEALAND SPEC
MARK 2
MARK 2,NEW ZEALAND SPEC
MARK 3
MARK 3,NEW ZEALAND SPEC
MARK 4
MARK 4,NEW ZEALAND SPEC
44326APIN, STRAIGHT(FOR VANE PUMP CAM RING)
L=25,OD=5.0
44330VALVE ASSY, FLOW CONTROL
44330ASPRING, COMPRESSION(FOR FLOW CONTROL VALVE)
NEW ZEALAND SPEC
44330CRING, SNAP(FOR FLOW CONTROL VALVE)
NEW ZEALAND SPEC
44337UNION, POWER STEERING SUCTION PORT
NEW ZEALAND SPEC
44337ARING, O(FOR POWER STEERING SUCTION PORT)
44338ARING, O(FOR PRESSURE PORT UNION)
OD=25.5,ID=22.5
OD=25.5,ID=22.5,NEW ZEALAND SPEC
OD=17.0,ID=13.0,OD=17,ID=13
OD=17.0,ID=13.0,OD=17,ID=13,NEW ZEALAND SPEC
44342PLATE, VANE PUMP SIDE, REAR
NEW ZEALAND SPEC
44342ARING, O(FOR VANE PUMP SIDE PLATE REAR)
NEW ZEALAND SPEC
44342BSPRING, COMPRESSION(FOR VANE PUMP SIDE PLATE REAR)
NEW ZEALAND SPEC
44343SEAT, FLOW CONTROL SPRING
NEW ZEALAND SPEC
44343ARING, O(FOR FLOW CONTROL SPRING SEAT)
NEW ZEALAND SPEC
44348PLATE, VANE PUMP
L=14.997,ROTO NO MARK
L=14.995,ROTO MARK 1
L=14.993,ROTO MARK 2
L=14.991,ROTO MARK 3
L=14.989,ROTO MARK 4
44360RESERVOIR ASSY, VANE PUMP OIL
NEW ZEALAND SPEC
4503
9011910072
main90119-10072
9017012011
main90170-12011
9020112022
main90201-12022
9161160814
main91611-60814
9161160816
main91611-60816
9451101200
main94511-01200
40 parts on this diagram · 1 diagram in section