HEATING & AIR CONDITIONING - CONTROL & AIR DUCT

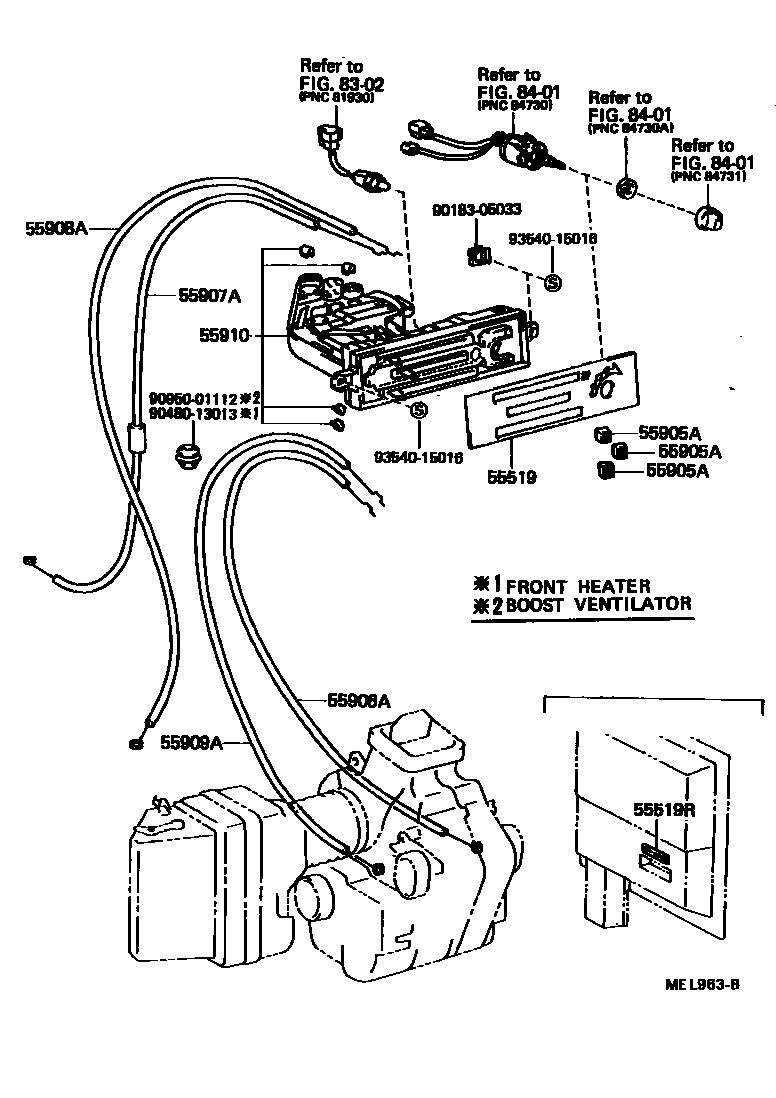
55519PLATE, HEATER CONTROL NAME
MALAYSIA FOR CKD OR W(FR HEATER)
W(AIR CONDITIONER)
W(HEATER & BOOST VENTILATOR)
55519RPLATE, HEATER CONTROL NAME
55905AKNOB, HEATER CONTROL
DEF-VENT
FRESH-RECIRC
55906ACABLE SUB-ASSY, DEFROSTER DAMPER CONTROL
55907ACABLE SUB-ASSY, WATER VALVE CONTROL
55908ACABLE SUB-ASSY, AIR INLET DAMPER CONTROL
55909ACABLE SUB-ASSY, AIRMIX DAMPER CONTROL
55910CONTROL ASSY, HEATER OR BOOST VENTILATOR
W(FR HEATER)
W(FR HEATER)
MALAYSIA FOR CKD; W(BOOST VENTILATOR)
8302INDICATOR
8401SWITCH & RELAY & COMPUTER
9018305033
main90183-05033
9048013013
main90480-13013
9095001112
main90950-01112
9354015016
main93540-15016
14 parts on this diagram · 5 diagrams in section