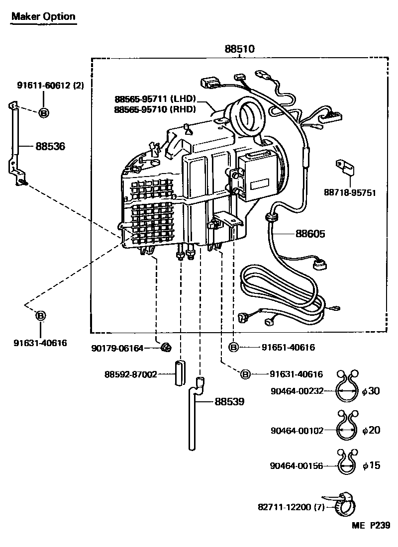
HEATING & AIR CONDITIONING - COOLER UNIT

88510UNIT ASSY, COOLER
FR
RR
88536BRACKET, COOLING UNIT, NO.1
88539HOSE, COOLER UNIT DRAIN, NO.1
main88539-95709iKM36..LHD;KM36,YM35..ARL;CM36,KM37,YM30; YM35..GEN;KM36..RHD..SRF..(4H,5F)..GEN198808-199008
FR
RR
88605HARNESS SUB-ASSY, COOLER WIRING, NO.1
W(DUAL AIR CONDITIONER),FR
W(DUAL AIR CONDITIONER),RR
8271112200WIRE, FUSE TO FUSE(FOR COMBUSTION HEATER)
main82711-12200
8856595710BRACKET, COOLER DUCT
main88565-95710
8856595711BRACKET, COOLER DUCT
main88565-95711
8859287002RETAINER (FOR COOLER UNIT BRACKET)
main88592-87002
8871895751PIPE, COOLER REFRIGERANT SUCTION, NO.2
main88718-95751
9017906164
main90179-06164
9046400102
main90464-00102
9046400156
main90464-00156
9046400232
main90464-00232
9161160612
main91611-60612
9163140616
main91631-40616
9165140616
main91651-40616
16 parts on this diagram · 5 diagrams in section